How to clean the injectors?

2013 KIA SPORTAGE
180,000 MILES • 1.7L • 4 CYL • 2WD • MANUAL
Avatar
ALESSANDRO ALBERTIN
  • MEMBER
  • 12 POSTS
After 225,000 kilometers I want to clean the injectors, so I have to disassemble and reassemble them. Can you explain the correct procedure step by step and what tools do I need to carry out this operation?

Thank you very much.

Alessandro.
Sep 23, 2024 at 12:02 PM
Advertisement
Avatar
STRAILER
  • CERTIFIED EXPERT
  • 53,854 POSTS
They make a cleaning kit that you attach to the fuel injector too. This one works great for $40.00:

https://amzn.to/3ZC4Kl2

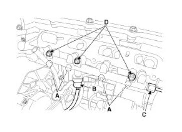
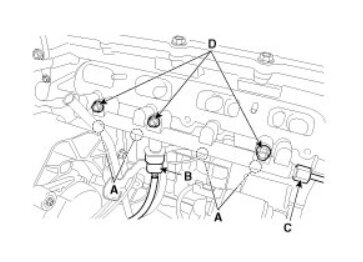
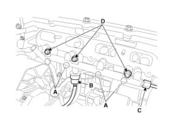
Just remove the fuel injectors and attach the kit with air pressure. Check out the images (below). Let us know if you need anything else.
Sep 23, 2024 at 12:50 PM