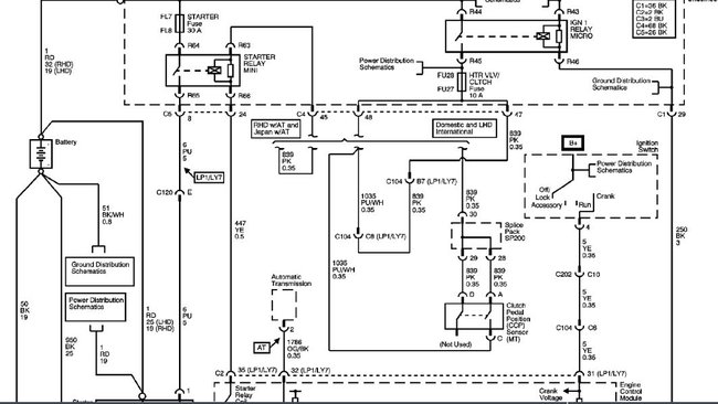
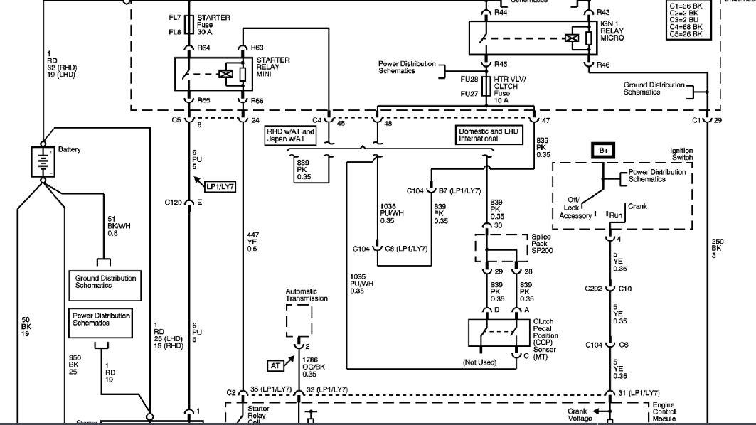
Purchased the vehicle two weeks ago. Started and ran but would try and stall due to bad Bank 1 CC. Replaced. Started up and ran for fifteen mins then stalled. It then threw code P0300, so replaced spark plugs and one coil due to water in reservoir previously. Did oil change and air filter as well.
Now, it started for about five minutes then tried to stall. Will not turn over, but does have instrument lights (which do not dim when you try to start it), radio, AC, etc, all working however, it is making a constant clicking noise. Reset the anti theft as well. No change. Also, I pulled the battery cables and checked them, made sure the battery had the correct load, no change. Checked starter relay and it looks fine. Put starter on live battery, no change.
Does this sound like a starter issue?
Also, worth noting that it has not been driven in about six weeks due to Bank 1. When it was starting, prior to the above issue, there was a loud “clunk” noise, right at start up, but then it went right away. Can sounded fine. No clanking, clunking, whooshing, etc.
I am out of my league now could really use some ideas. Single mom, only car. Any assistance is much appreciated.
Now, it started for about five minutes then tried to stall. Will not turn over, but does have instrument lights (which do not dim when you try to start it), radio, AC, etc, all working however, it is making a constant clicking noise. Reset the anti theft as well. No change. Also, I pulled the battery cables and checked them, made sure the battery had the correct load, no change. Checked starter relay and it looks fine. Put starter on live battery, no change.
Does this sound like a starter issue?
Also, worth noting that it has not been driven in about six weeks due to Bank 1. When it was starting, prior to the above issue, there was a loud “clunk” noise, right at start up, but then it went right away. Can sounded fine. No clanking, clunking, whooshing, etc.
I am out of my league now could really use some ideas. Single mom, only car. Any assistance is much appreciated.
Jul 14, 2018 at 1:25 AM
