Fuel gauge not working properly

1983 JEEP CJ7
100,000 MILES • 4.2L • 6 CYL • 4WD • MANUAL
Avatar
ZANG
  • MEMBER
  • 1 POST
Hey there, my vehicle's fuel gauge is consistently inaccurate. It started a couple years ago when i hit a pretty big bump and the fuel gauge pinned all the way down to empty. So i assumed it was the sending unit and replaced it (20gal tank) and now it doesn't read correctly. When it's full, it pins at full. But any other readings seem to be incorrect, though consistent. It stays at full then jumps to half, and back up to full while I'm driving. Then pops down to half when there's really a quarter left. And then I'm suddenly out of gas on the highway haha. Any ideas?
Sep 8, 2021 at 9:28 AM
Advertisement
Avatar
KASEKENNY
  • CERTIFIED EXPERT
  • 18,907 POSTS
I suspect we could have an electrical connection issue. I would suggest checking the voltage at the gauge when you are empty and then when you are filling the fuel tank. The voltage should be moving steady and smooth.

Then just leave the meter hooked up and make sure the sender is sending the correct voltage as you are driving. If the gauge is acting erratic but the voltage is staying steady then the gauge/cluster is the issue.

https://www.2carpros.com/articles/how-to-check-wiring

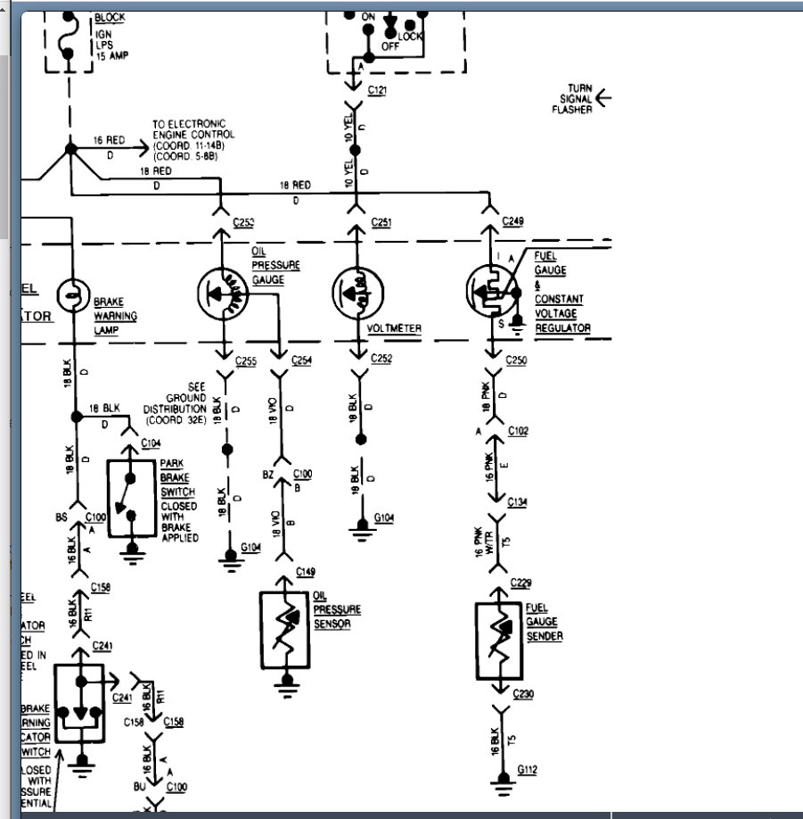
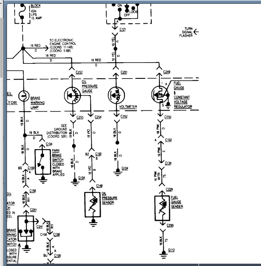
Please see the attached wiring diagram. This is a pretty simple circuit so if the sender is ok and the ground is clean then we need to find out if the voltage remains steady.

Please let us know what questions you have on this. Thanks
Sep 9, 2021 at 5:16 PM