To be clear, the registration calls it a 1978, but from the research I've done, it seems to be a 1983 model with a Carter BBD in it. I remember it being in the shop for a while as a kid so the engine swap might have happened then. Just be aware that this vehicle has most likely been pieced together.
One evening I accidentally left the key in the "on" position. Noticed it the next day, the battery was drained so I charged it up. Tried to start it and it sputtered a little but wouldn't start. Figured it was ICM, because I noticed previously that if the key was in the "on" position the ICM would start to heat up. So I got a new ICM, installed it, cranked a few time and still nothing. So I poured some gas into the carburetor (my usual last resort to get it running) and still nothing. Not even a sputter.
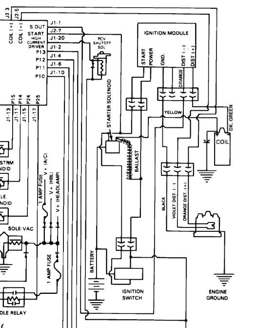
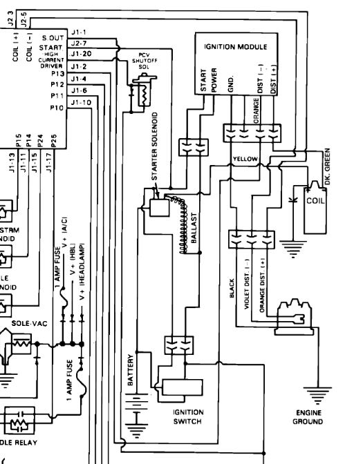
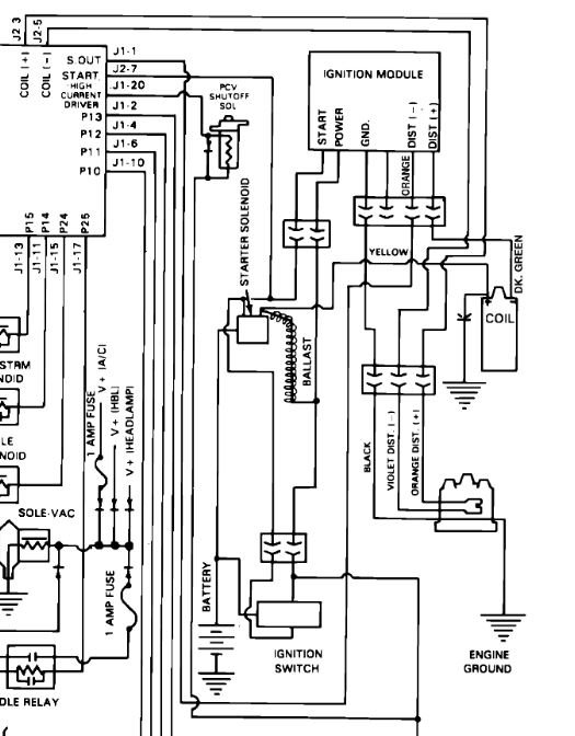
I checked the ignition coil to see if it was sending a spark to the distributor, there was a weak (orange) spark. If the wires are moved around the spark stops altogether. I was going to go ahead and just buy another coil but wanted to make sure I’m on the right track.
Picture 1: My ignition coil. There are two wires connected to the positive terminal. The yellow wire connects directly to the ICM, and the other white wire was not plugged into anything. Any insights on this would help.
One evening I accidentally left the key in the "on" position. Noticed it the next day, the battery was drained so I charged it up. Tried to start it and it sputtered a little but wouldn't start. Figured it was ICM, because I noticed previously that if the key was in the "on" position the ICM would start to heat up. So I got a new ICM, installed it, cranked a few time and still nothing. So I poured some gas into the carburetor (my usual last resort to get it running) and still nothing. Not even a sputter.
I checked the ignition coil to see if it was sending a spark to the distributor, there was a weak (orange) spark. If the wires are moved around the spark stops altogether. I was going to go ahead and just buy another coil but wanted to make sure I’m on the right track.
Picture 1: My ignition coil. There are two wires connected to the positive terminal. The yellow wire connects directly to the ICM, and the other white wire was not plugged into anything. Any insights on this would help.
Sep 17, 2019 at 9:07 PM

