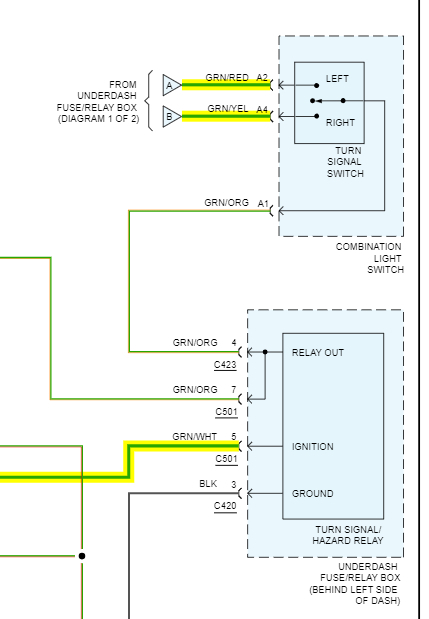
I have the car listed above HX coupe leftside turnsignal and hazards aren't working and my high beams aren't working either. I've replaced the inside fusebox and the engine bay fusebox as well. fuses are good, bulbs are good too. I don't know what is causing this problem. I read on some forums and it's saying my hazard button could be bad. I did take the hazard button out because when I had it hooked up it was causing the cars temperature gauge to go up to hot, and when I turned on the left side turnsignal it would cause the temperature gauge to go up too. one day I turned the hazard button on and both arrows didn't come on at all. I'm going to try to replace the hazard button and see if my issue goes away, but if anyone can tell me what is going on I would greatly appreciate it. thanks
Aug 25, 2023 at 12:51 PM
