Cigarette lighter not working?

2003 MITSUBISHI OUTLANDER
120,000 MILES • 2.0L • 4 CYL • 4WD • MANUAL
Avatar
SVET
  • MEMBER
  • 18 POSTS
Hello there. The other day I used the cigarette lighter power socket to power a tire pump. While pumping the second tire the compressor just stopped. I tried plugging my phone charger and a hands-free device into the socket, but it didn't work, so I reckon it was too much work for the poor thing. I checked both fuses that are for the power sockets and they are both fine. I just ordered a new socket, and I was wondering how in the world do you replace that thing. I have never pulled out any dashboard panels. So, I'm really anxious to not break something beyond repairing. Thank you in advance.
Jan 29, 2023 at 12:30 PM
Advertisement
Avatar
STEVE W.
  • CERTIFIED EXPERT
  • 15,113 POSTS
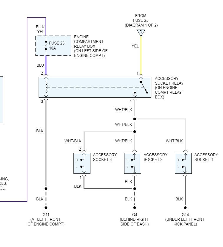
Have you tested the power in the other sockets as well? I doubt the socket failed as they are generally more robust than the other parts. They all use the same fuses and relay though so if the rear one works but not the front then it may have damaged the wiring to it. Fuse 25 is the power fuse and fuse 23 powers the relay that turns them on and off. I would also check the power relay as a heavy draw may have damaged it. The relay is in the relay box under the hood. I would use a test light to verify that there is power at both fuses. Then pull the relay and verify that there is power at two pins in the box as well. Testing the relay should be as easy as swapping it for another one in the box with the same number. If you still have no power, then you will need to remove some trim panels to get to the wiring behind them. For that refer to the last images to remove the console and the outlet. But check the wiring first.
Jan 29, 2023 at 1:50 PM
Avatar
SVET
  • MEMBER
  • 18 POSTS
The rear one isn't working either and if I remember correctly it wasn't working before the front one went bad. I'll definitely check the relay tomorrow, I have tested the fuses by replacing them with others that I know work. Also where do you guys find these instruction photos look really helpful?
Jan 29, 2023 at 2:53 PM
Advertisement
Avatar
STEVE W.
  • CERTIFIED EXPERT
  • 15,113 POSTS
Those are from Alldata, one of the service information providers that shops use. They do offer a DIY version as well; it allows you to get the same data for a single vehicle for various time spans. Not a bad thing if you intend to keep and wrench on your own vehicles.
Alldata - www.alldata.com/diy-us/en
Mitchell - www.eautorepair.net
Jan 29, 2023 at 3:03 PM
Avatar
SVET
  • MEMBER
  • 18 POSTS
Hello again. So, the relay is okay. How do you remove this center lower panel assembly? Is it just clips, and you just pull it out or are there some bolts that have to be unscrewed?
Feb 1, 2023 at 1:19 PM
Avatar
STEVE W.
  • CERTIFIED EXPERT
  • 15,113 POSTS
Take a look at the images I attached. Those include the instructions to remove the console's top cover and the center stack. It should be all clips if I recall and the instructions show the locations with the dark arrows.
Feb 2, 2023 at 1:19 PM