Hi,
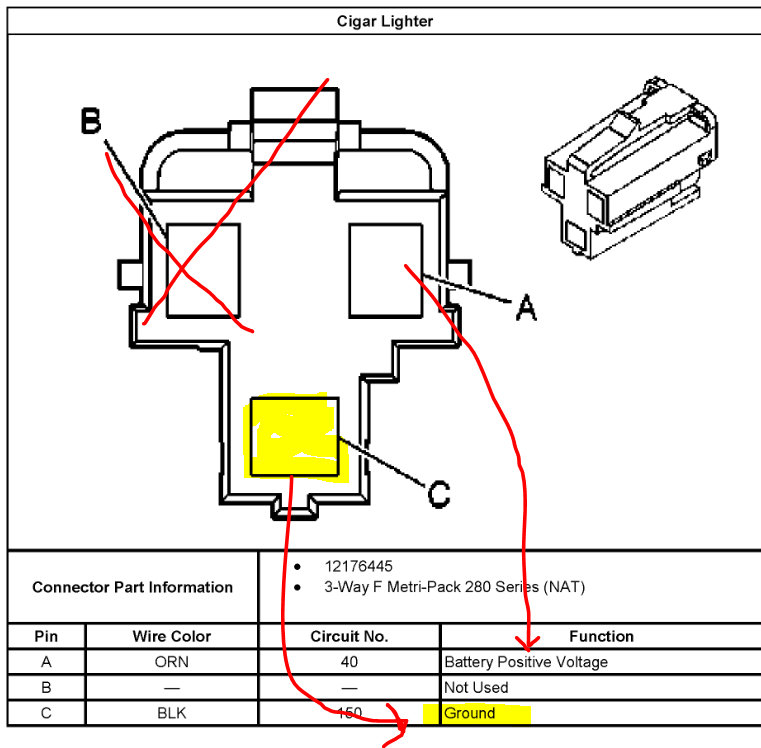
We need to determine if the unit is getting power. There is a 3 pin connector that connects to it. Remove it and check if there is both power and a ground. If you look at the attached picture, it shows which pins to check.
Here are a few links to help you:
https://www.2carpros.com/articles/how-to-use-a-test-light-circuit-tester
https://www.2carpros.com/articles/how-to-use-a-voltmeter
https://www.2carpros.com/articles/how-to-check-wiring
Do this and let me know what you find.
If you find there is power and it has a good ground, here are the directions for replacing it. The remaining pictures correlate with the directions.
2005 Buick Century V6-3.1L VIN J
Procedures
Vehicle Instrument Panel, Gauges and Warning Indicators Cigarette Lighter Service and Repair Procedures
PROCEDURES
CIGAR LIGHTER HOUSING REPLACEMENT - INSTRUMENT PANEL (I/P)
TOOLS REQUIRED
J 42059 Cigar Lighter Socket Remover
REMOVAL PROCEDURE
pic 2
1. Remove the lighter fuse.
2. Remove the lighter housing by placing one side of the "T" portion of J 42059 into the housing opening. Angle the other side into the opposite opening. Pull the lighter housing straight out.
pix 3
3. If the standard method fails to remove the housing, use the following alternate method:
1. Insert a small grinding tool with a cutoff wheel into the housing.
2. Remove the plastic latches in the 3-mm (0.11-in) square windows.
3. Use J 42059 as directed above to remove the housing.
pic 4
4. Remove J 42059.
5. Disconnect the electrical connector. Make sure the connector remains routed through the opening.
6. Remove the housing.
7. Remove the lighter housing retainer.
INSTALLATION PROCEDURE
pic 5
1. Route the connector through the retainer. Align the lighter housing retainer to the slot in the opening.
2. Install the retainer by pressing into place until fully seated.
3. Connect the electrical connector to the housing.
4. Align the tabs on the housing to the slots in the retainer. Install the lighter housing by pressing into place until fully seated.
5. Install the lighter fuse.
Let me know if I can help.
Joe
Images (Click to enlarge)
Dec 29, 2019 at 10:46 PM