Cigarette Lighter is not working, could it be a wiring problem?

2004 TOYOTA MR2
250,000 MILES • 6 CYL • 2WD • AUTOMATIC
Avatar
SENGA
  • MEMBER
  • 33 POSTS
Hello,

I don't know if it is a wiring problem or if the problem is lighter. Need help on how to test and repair and asking for providing me the wiring diagram schematic along aside. Thank you
Aug 19, 2022 at 6:51 AM
Advertisement
Avatar
STRAILER
  • CERTIFIED EXPERT
  • 53,854 POSTS
The first thing to do is to check for power at the socket. here is a guide to help, touch the test light to the bottom if the socket only, do not touch the sides of the socket.

https://www.2carpros.com/articles/how-to-use-a-test-light-circuit-tester

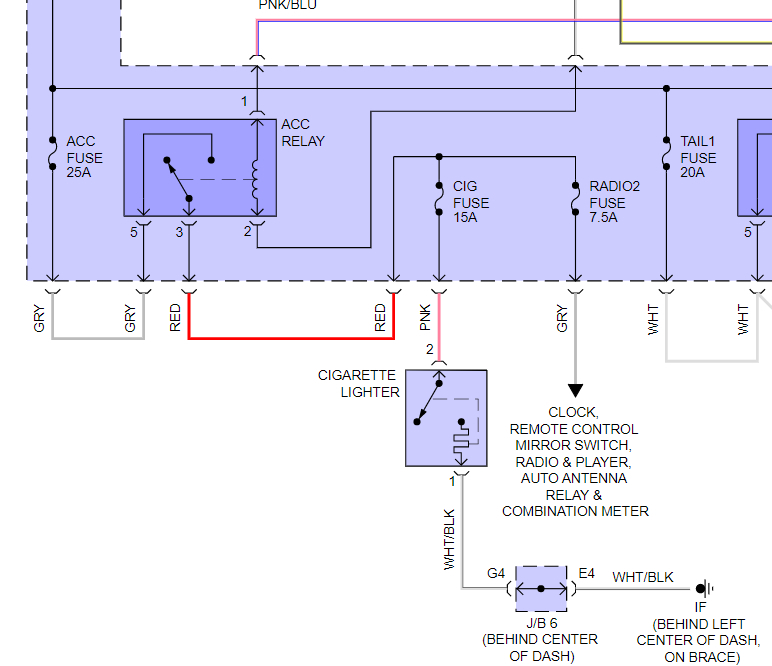
Also, there is a CIG fuse in the panel behind the left corner of the dash that needs to be checked. here is a guide to help you check the fuse with the fuse location in the diagrams below. Let me know what you find.
Aug 19, 2022 at 10:39 AM
Avatar
SENGA
  • MEMBER
  • 33 POSTS
I have tested all the fuses are okay and power reach the socket terminal but socket not charging. i tried to test socket with multimeter by setting it on ohms then it shows 1 is socket dead or there other tests to perform.
Aug 21, 2022 at 11:47 PM
Advertisement
Avatar
STRAILER
  • CERTIFIED EXPERT
  • 53,854 POSTS
Okay, there is an ACC fuse and relay that need to be checked or replaced.

Here is a guide to help test the relay and the relay location as well in the diagrams above:

https://www.2carpros.com/articles/how-to-check-an-electrical-relay-and-wiring-control-circuit

Also, I have included the wiring diagrams so you can see how the system works.
Aug 23, 2022 at 11:43 AM
Avatar
SENGA
  • MEMBER
  • 33 POSTS
hello.
Aug 26, 2022 at 2:25 AM
Avatar
SENGA
  • MEMBER
  • 33 POSTS
I have a serious problem with my other car. It is a long time to explain but i really need your help. My question is like this. I had a car "Nissan England". I removed its original engine and modified it with another engine "3s ipsum Noah 4 cylinder" and the electrician has installed or wires now the car can start on for its own. I also changed the automatic transmission and i put on ''1GE FE distributor' for which I am using the following Engine control. While the technician was wiring up the transmission, he disappears without finishing up wiring transmission. Below are pictures of the installation he was performing which was stopped in half. There is also a connector he didn't wiring up. I would ask the terminals for those cables to the engine control. i have been studying how car electrical systems work and trying to make some installations because i have to an objective of finishing up my car my self, by your help, and put it on road. Now is 7 month my car is in garage. Please guide me on how i will continue this installation of my Automatic transmission and perform it successfully. I will be grateful. Here below are terminals for those connectors on my Automatic transmission.
Aug 26, 2022 at 4:54 AM
Avatar
STRAILER
  • CERTIFIED EXPERT
  • 53,854 POSTS
One question per thread please. Please post your new question here, you must be logged in.

https://www.2carpros.com/questions/new

Cheers, Ken
Aug 26, 2022 at 12:35 PM