Windshield washer pump

2007 CHRYSLER TOWN AND COUNTRY
Avatar
CHASKNOX
  • MEMBER
  • 1 POST
Washer is not working. I can't locate a fuse for the pump. Q1 Is there a fuse for the pump? Q2 where is the pump located?
Jan 11, 2010 at 11:29 AM
Advertisement
Avatar
CARADIODOC
  • CERTIFIED EXPERT
  • 34,306 POSTS
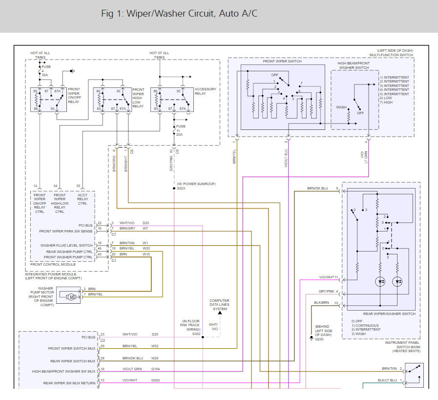
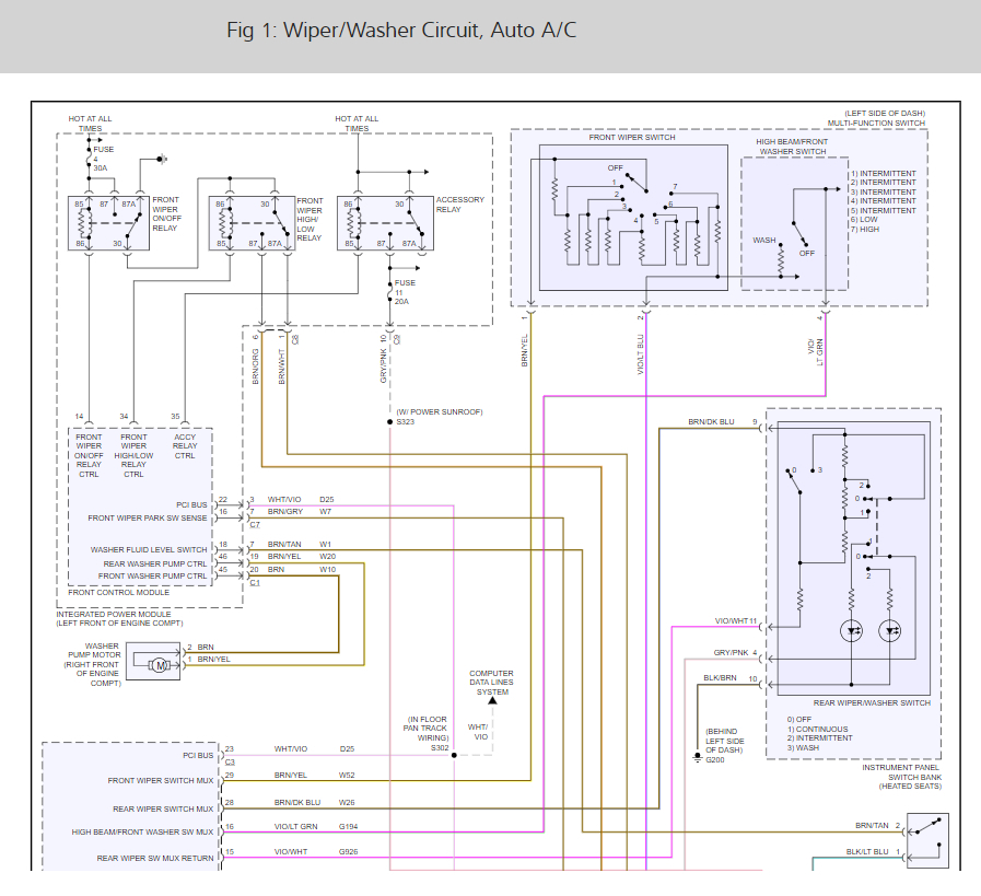
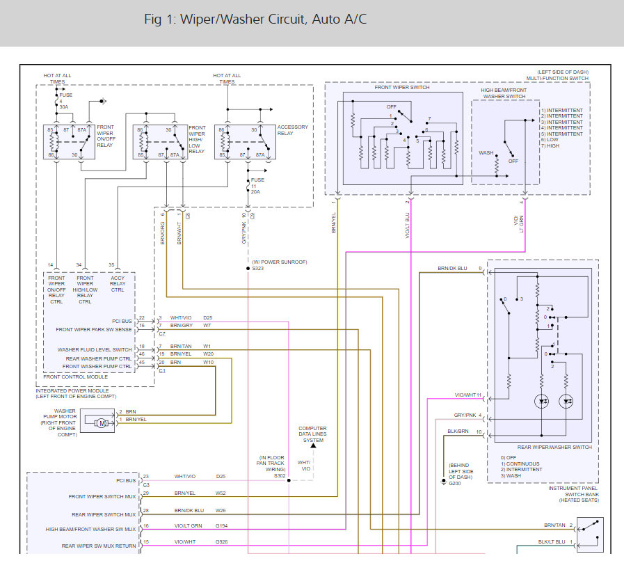
Washers don't work anymore with a simple fuse. Try disconnecting the battery for a minute to reset the TIPM. There isn't a separate fuse. Here is the location of the pump motor so you can see if it is getting power and the wiper wiring diagrams so you can see how the system works. Check out the diagrams (Below). Please let us know what you find. We are interested to see what it is.
Jan 13, 2010 at 6:23 AM
Avatar
JOE BAILEY
  • MEMBER
  • 1 POST
I have no separate fuse on my 2006 town and country. Its probably tied in with the relay switch . To locate the pump, turn the front tires all the way to left. remove the 2 lower tire splash shield screws on front passenger side and pull back that rubber flap. You will see the pump at the bottom of its plastic reservoir. Simply disconnect wires and pull it straight out.
Aug 20, 2019 at 1:29 PM
Advertisement
Avatar
STRAILER
  • CERTIFIED EXPERT
  • 53,855 POSTS
Excellent addition to this thread! Please feel free to help out whenever you are on the site :)
Aug 22, 2019 at 2:16 PM
Avatar
ARTANNE
  • MEMBER
  • 1 POST
We cannot get the windshield washer to work. We tested the pump and it works, we replaced the switch on the steering column but cannot get fluid to the washer. Any suggestions? Any wiring problem? How can we check this?
Aug 22, 2019 at 2:16 PM (Merged)
Avatar
CARADIODOC
  • CERTIFIED EXPERT
  • 34,306 POSTS
You gotta love the insane engineers who can't build anything without involving an unnecessary, unreliable, expensive computer to do things computers were never needed for before. In your case, suspect the Body Computer. It performs a lot of the gimmicks people demand in new cars today, and it is involved with the wipers and washers. It was a very high-failure item in the '96 and newer redesigned minivans. Before that Chrysler had very little computer trouble, especially compared to a few other manufacturers, but now those computers are responsible for the largest percentage of electrical problems.

Some people install an inexpensive switch to run the washer but you will lose the wipers taking three swipes automatically when you press the "new" washer button. Years ago pressing the washer switch mechanically turned on the wiper switch, then you had to turn the wipers back off yourself. The system was way too simple and reliable so they had to find a solution to make it more complicated. And they wonder why I refuse to give up my '88 Grand Caravan!
Aug 22, 2019 at 2:16 PM (Merged)
Avatar
BRETTSTUDBOY
  • MEMBER
  • 1 POST
my windshield washers front and rear do not work but the wippers do, not getting power to the pumps
all fusses look good
Aug 22, 2019 at 2:17 PM (Merged)
Avatar
JACOBANDNICKOLAS
  • CERTIFIED EXPERT
  • 110,175 POSTS
Both pumps are at the bottom of the washer jug. Have you checked the connections? Have you checked for power at the connections? Many times they corrode and cause a problem.

Let me know what you find.
Joe
Aug 22, 2019 at 2:17 PM (Merged)