Rear lights not working

2001 CHRYSLER TOWN AND COUNTRY
Avatar
IGGY70
  • MEMBER
  • 1 POST
I have a town & country that the brake and taillight's aren't working. I've checked the fuses and bulb's both are good. Where should I look next?
Apr 23, 2009 at 8:56 PM
Advertisement
Avatar
KASEKENNY
  • CERTIFIED EXPERT
  • 18,907 POSTS
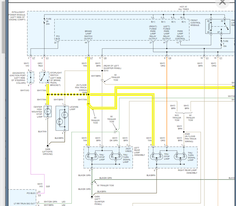
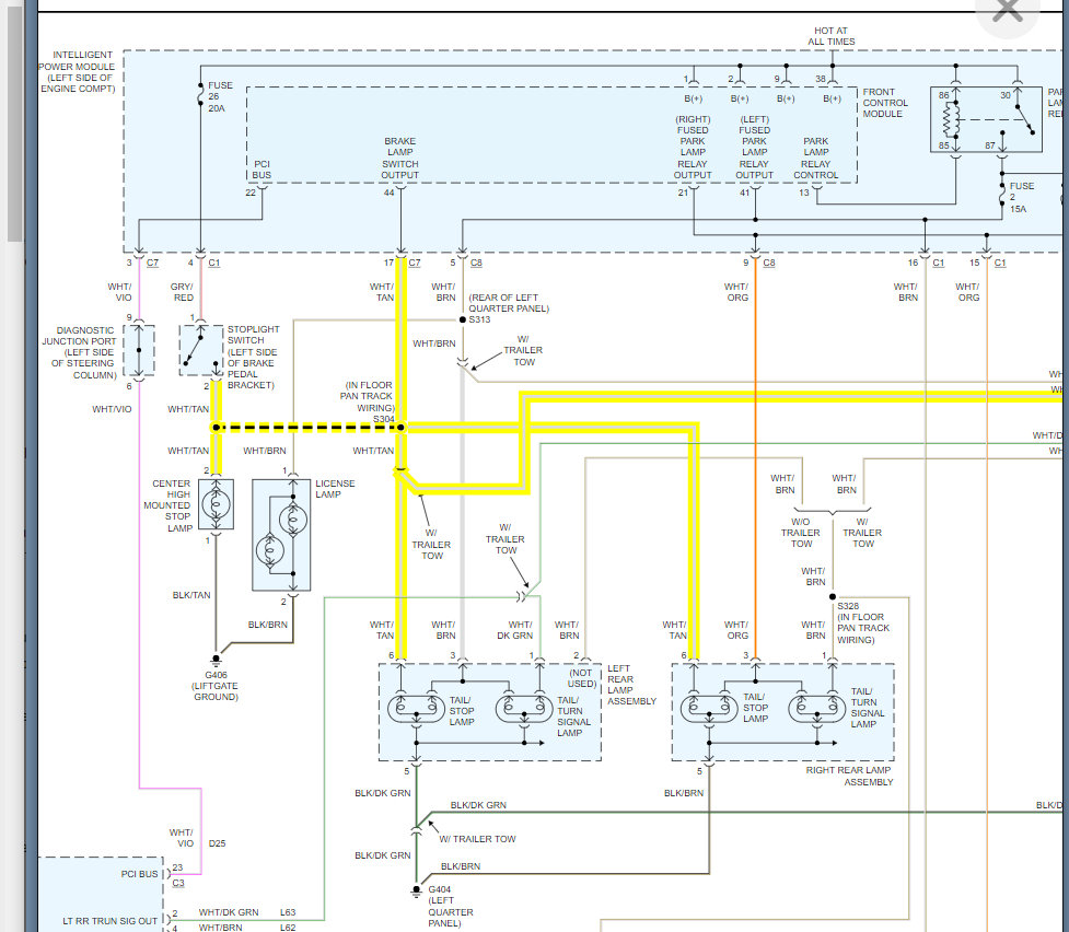
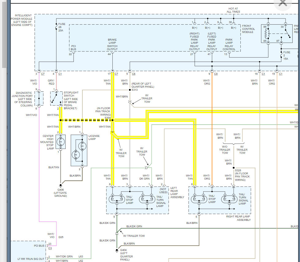
More than likely the issue is the front control module which is part of the IPM.

The way to test this is we need to check the voltage coming out of the IPM on the circuit highlighted below in the wiring diagram.

Here is a guide that will help with testing this circuit:

https://www.2carpros.com/articles/how-to-check-wiring

Below is the process from the manual on how to replace the FCM so let's run through this info and go from there. Thanks
Jul 14, 2021 at 6:50 PM