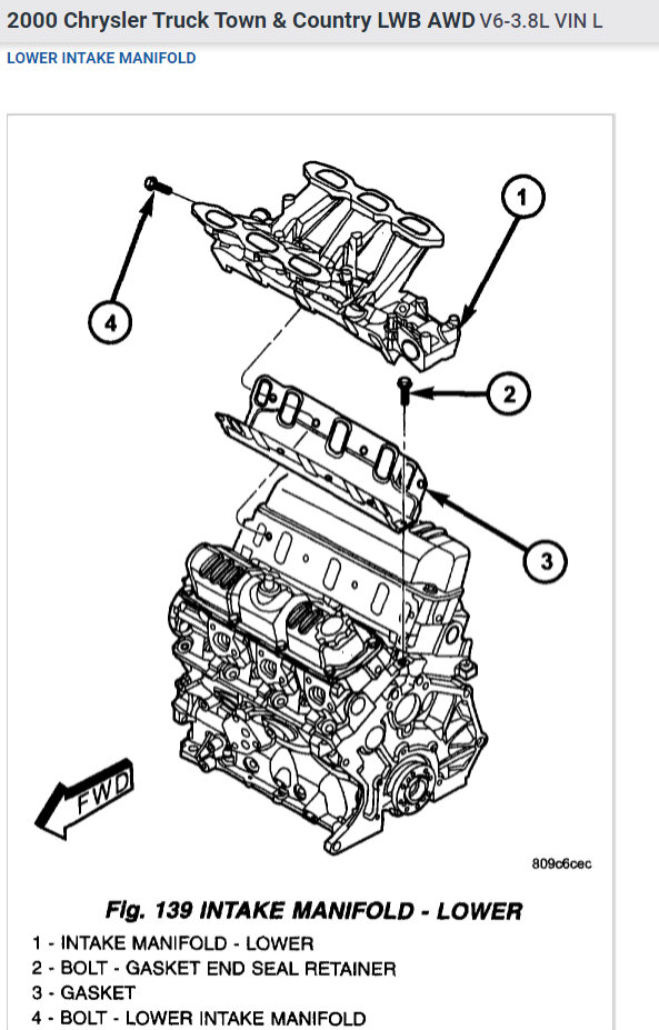
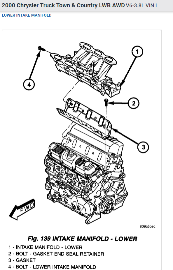
lower intake manifold torque sequence

2000 CHRYSLER TOWN AND COUNTRY
108,000 MILES • 6 CYL • FWD • AUTOMATIC
Avatar
2STROKEKILLS4STROKE
  • MEMBER
  • 1 POST
intake manifold torque specs. How do I change out the intake manifold gaskets?
Jan 17, 2009 at 8:14 PM
Advertisement
Avatar
SQM
  • CERTIFIED EXPERT
  • 6,383 POSTS
Hello,

In order to access the intake manifold you will have to remove few items. You will have to remove the throttle body, the wiper arm/motor assembly and few other items.

As you know it is crucial to have the correct torque and torque sequence for a successful intake gasket replacement.

https://www.2carpros.com/articles/replace-intake-manifold-gasket

See below for the complete intake manifold replacement procedure, including the torque specifications and sequence.

Please let me know of any questions.

Thank you.
Jul 30, 2021 at 3:49 PM