cruise control

2000 CHRYSLER TOWN AND COUNTRY
214,000 MILES • 6 CYL • FWD • AUTOMATIC
Avatar
DAVE COBLITZ
  • MEMBER
  • 1 POST
the cruise control does not come on where is the fuse or relay located for this?
Jun 21, 2010 at 2:42 PM
Advertisement
Avatar
BMRFIXIT
  • CERTIFIED EXPERT
  • 19,053 POSTS
Fuses under hood by the battery
very common failure is the clock spring in the steering column under air bag module
if horn doesn't work and also if air bag light on
for sure suspect the clock spring

Read the guide on testing wiring, it will help

https://www.2carpros.com/articles/how-to-check-wiring


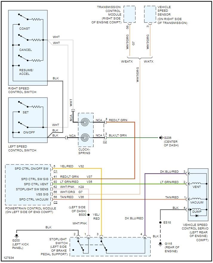
The wring diagram for your cruise control is attached below
Jun 22, 2010 at 8:50 PM
Avatar
WHITESTAR70
  • MEMBER
  • 1 POST
have not been able to get the horn or the cruise control to work there are no lights that are lit up i ran across another post that mentioned something called a clock spring what is it and how do i check it
Dec 31, 2018 at 12:36 PM (Merged)
Advertisement
Avatar
CARADIODOC
  • CERTIFIED EXPERT
  • 34,306 POSTS
The clock spring is a wound-up ribbon cable in a housing under the steering wheel. It is a common failure item. Eventually the air bag light will turn on too when the cable finishes breaking.

It is extremely important to have the wheels straight ahead when replacing the clock spring. The new part will have a sticker on it and mechanical locks that prevent you from turning it until it is installed. Installing the steering wheel releases the locks. That's done because the ribbon cable is just long enough to allow for turning from full left to full right. If you install the clock spring off-center by half a revolution, it will either get tight in one direction and pull apart or it will fold over on itself in the other direction and eventually break.

caradiodoc
Dec 31, 2018 at 12:36 PM (Merged)