thermostat replacement

1997 CHRYSLER TOWN AND COUNTRY
Avatar
DAGWOOD
  • MEMBER
  • 1 POST
Engine Cooling problem 6 cyl Front Wheel Drive Automatic 196000 miles

How do i replace the thermostat? I love this site.
Jun 19, 2009 at 5:15 AM
Advertisement
Avatar
STRAILER
  • CERTIFIED EXPERT
  • 53,855 POSTS
Hello,

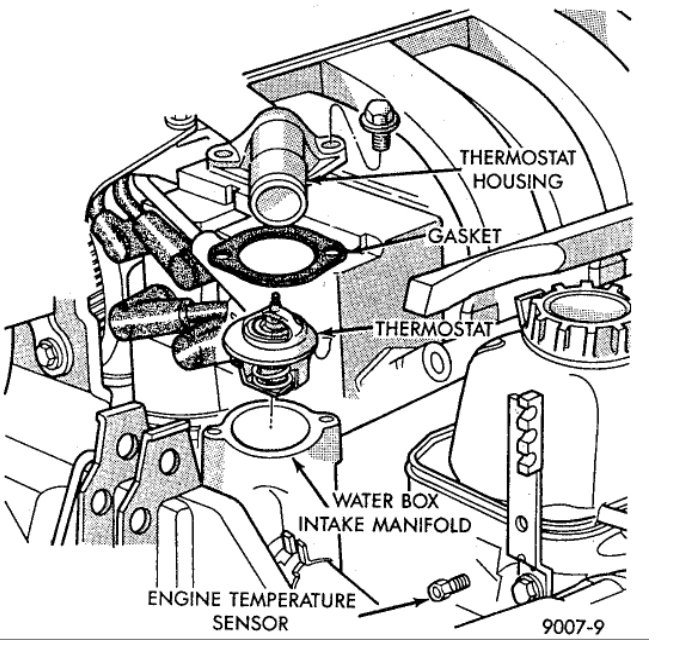
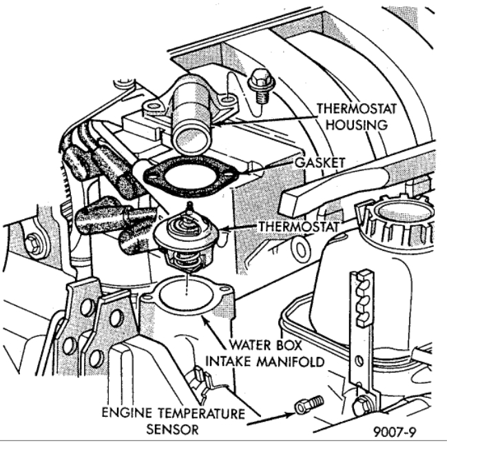
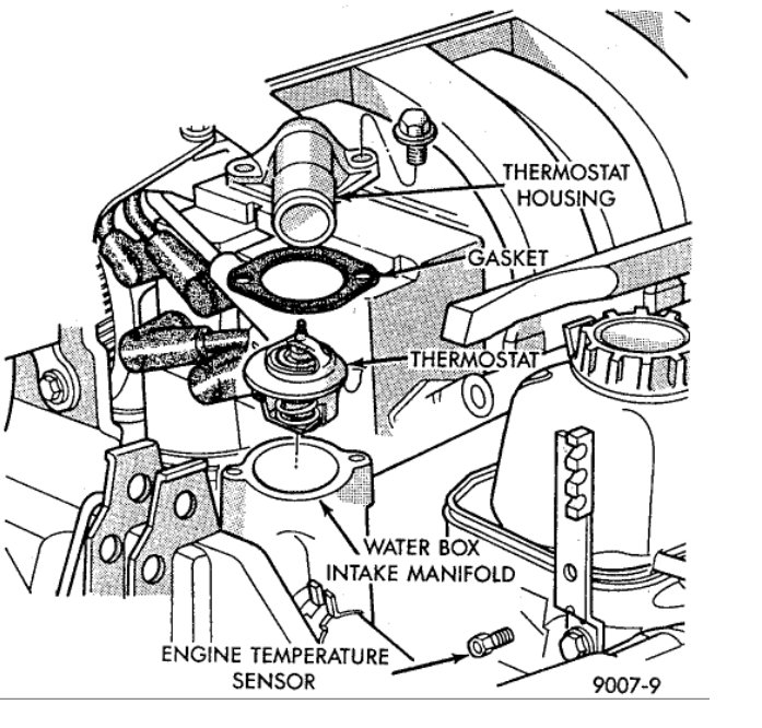
You can start by draining the coolant out of the craduator. Here is a guide that will give you an idea of what you will be in for when doing the job.

https://www.2carpros.com/articles/replace-thermostat

(Check out the diagram below)

Please let us know if you need anything else to get the problem fixed.

Cheers, Ken
Nov 16, 2017 at 11:53 AM