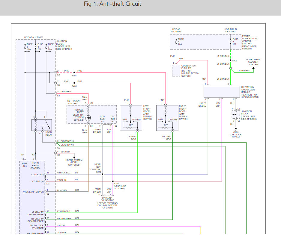
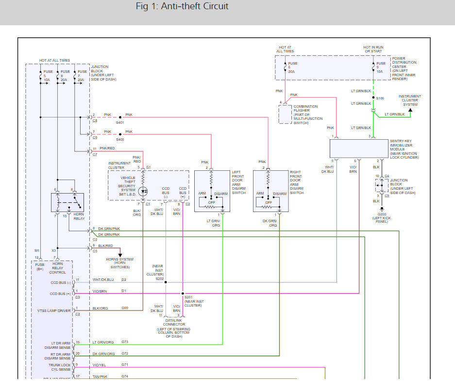
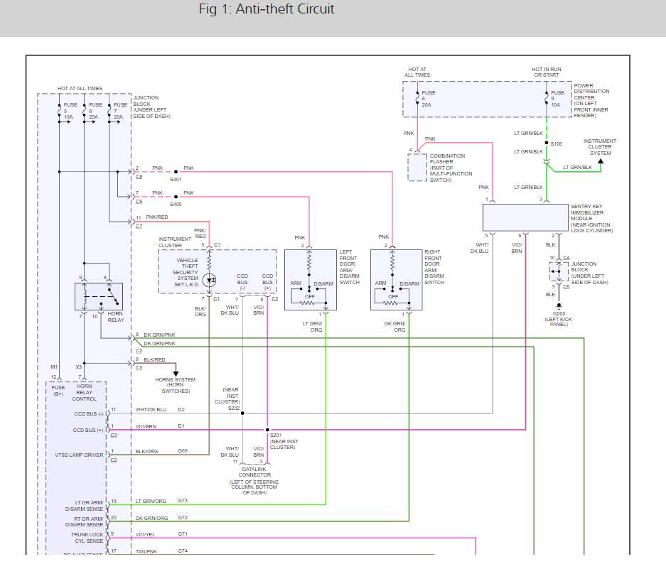
the car will not start due t the ALARM SYSTEM, we thought it was the battery and replaced it and it started but then would not start again, alarm system not allowing to car to start.
Apr 13, 2009 at 8:21 AM

