Electrical problem 6 cyl Front Wheel Drive Automatic
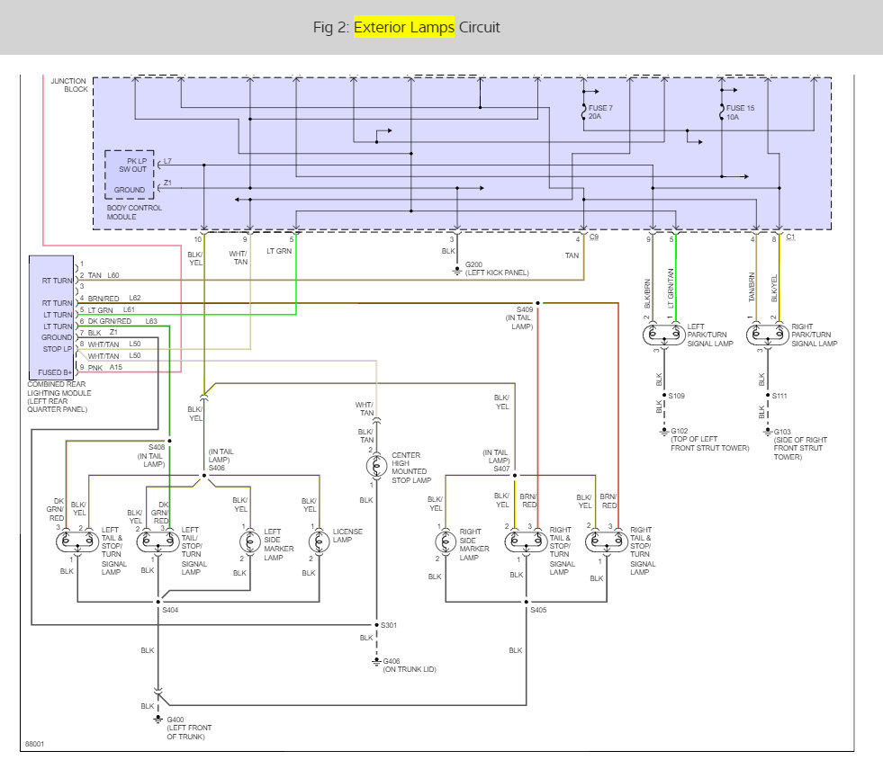
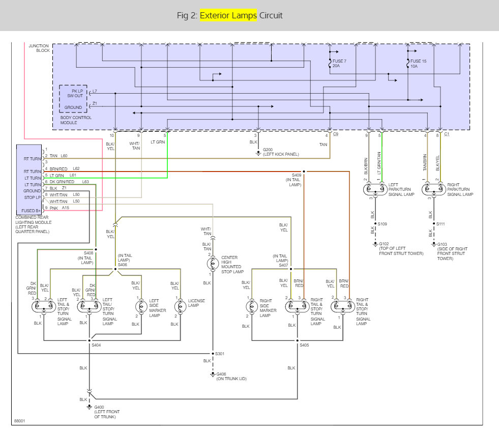
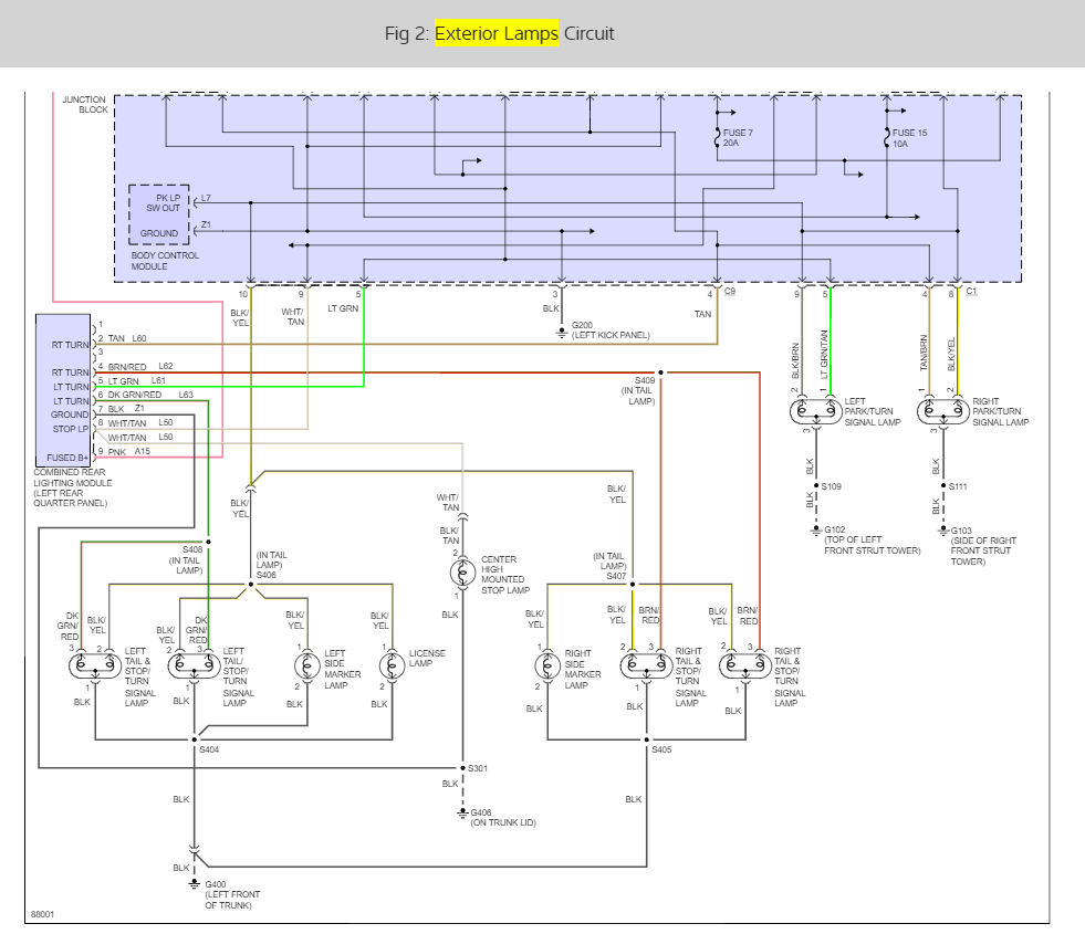
where do you find the blinker relay and or fuse? they lost the owners manual and no of the relays or fuses are marked.
where do you find the blinker relay and or fuse? they lost the owners manual and no of the relays or fuses are marked.
Sep 3, 2010 at 4:48 AM





