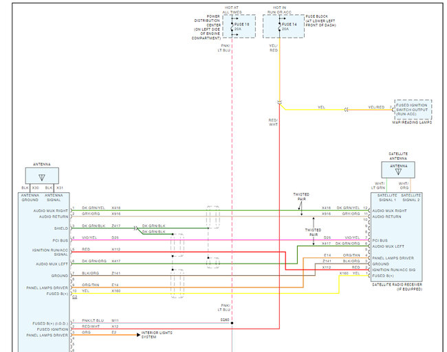
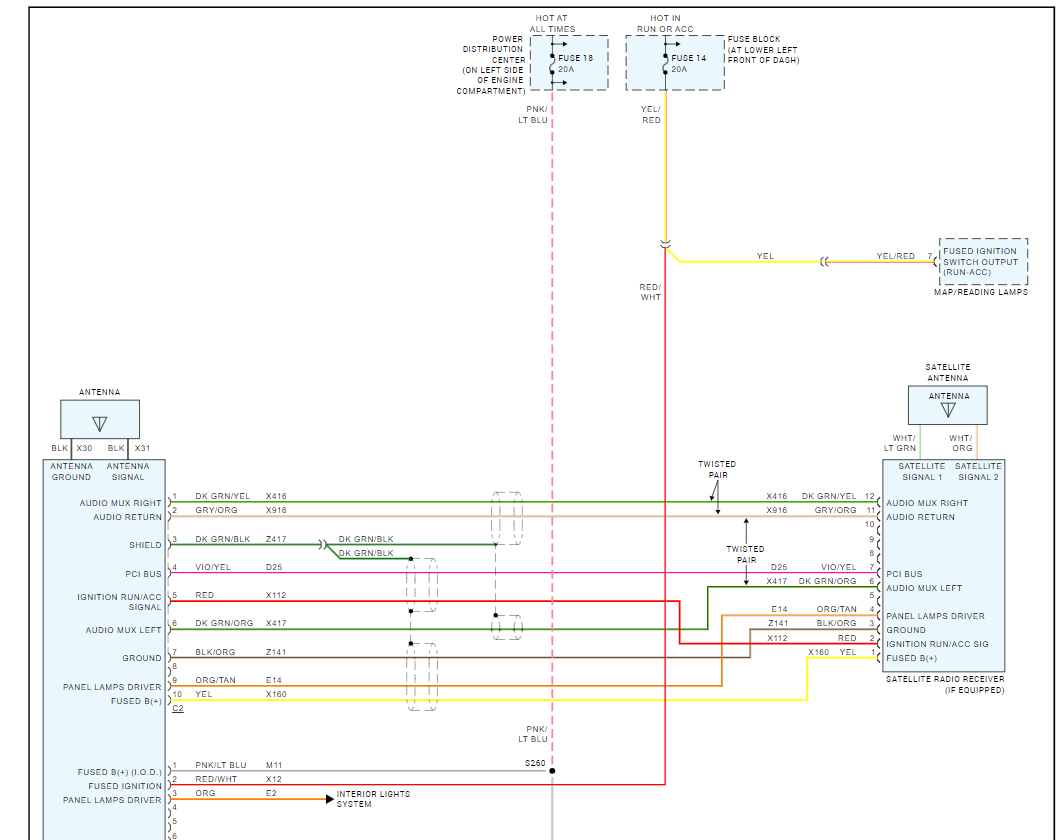
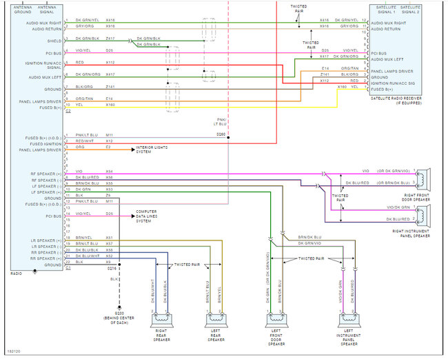
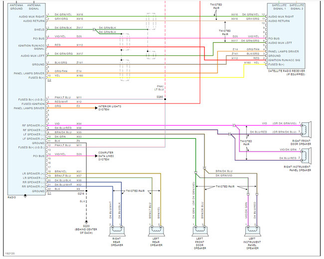
I have a Chrysler PT Cruiser, 2004, 25,000 miles and am replacing with new speakers. now on the back of the radio head, their is all the wires bundled together and locked in this plastic clip. i have llooked at the speaker wire from the door and the colors are blue with brown and the other wire is green with purple. i looked at the back of the radio and somewhere along the line, the speaker wires changed colors and now i have two wires in the back of the radio that are both blue and brown. Is their a diagram or picture that could help me determine what the correct wires are on the back of the radio for the speakers?
Nov 2, 2007 at 11:44 PM

