A loose ground won't cause a fuse to blow because that will reduce or stop current flow. Fuses blow in response to too much current.
Did you have the fan disconnected while you were driving the car? If so, the relay should have turned on shortly after slowing down or standing still with the engine still running. All you can say for sure is if the fuse blows while the fan is unplugged, the fan motor is not the cause. Intermittent problems like this are always the most frustrating to find, and a lot of people get angry with their mechanic when he doesn't "just fix it".
If you wait long enough with the engine running, the fan will turn on while you're standing there. Listen to how it sounds. It should be running fast enough and not be making any squealing sounds. If it runs normally, flex the wire harnesses to see if anything makes it stop or slow down.
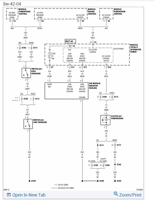
The closest book I have is for an '01 Neon, and that shows just a basic, simple, reliable fan relay and motor with a 30 amp fuse. All that can be wrong there is a grounded wire or bad motor. My next suggestion is to click the link right below here for Mitchell Manuals. I have never been able to even get to he sign-in page without getting an error message so you might also go to:
http://randysrepairshop.net/index.html
then click on the AllData picture.
Either site will give you access to diagrams and repair procedures, but while you can own the manufacturers service manual forever, the online services also give you service bulletins, recall information, part numbers, and lots of other things like that. A five-year subscription for one car model costs about half of the Chrysler service manual and gives you much more information.
Aug 25, 2020 at 5:40 PM
(Merged)