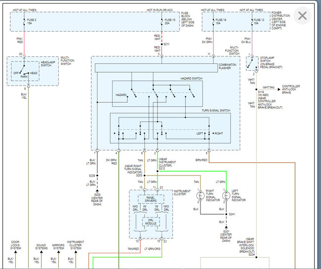
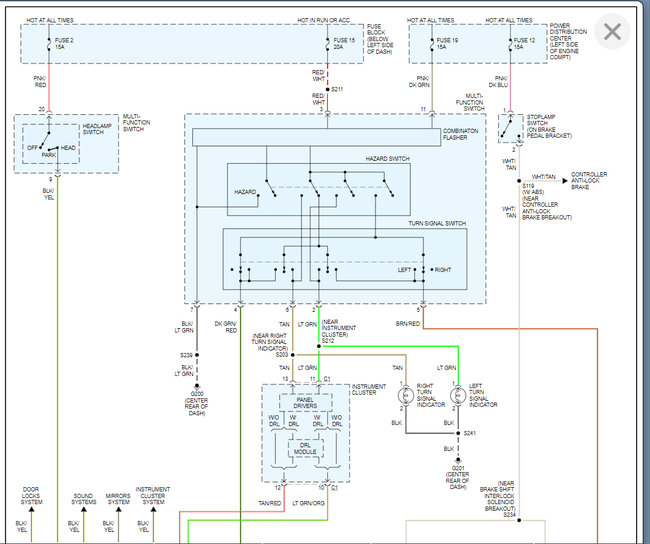
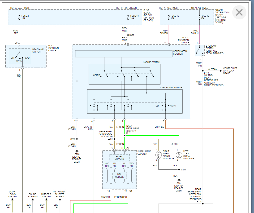
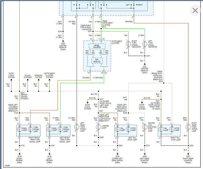
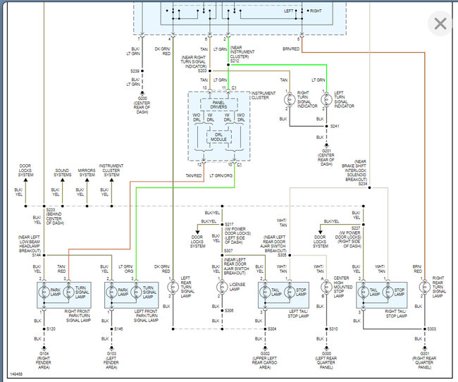
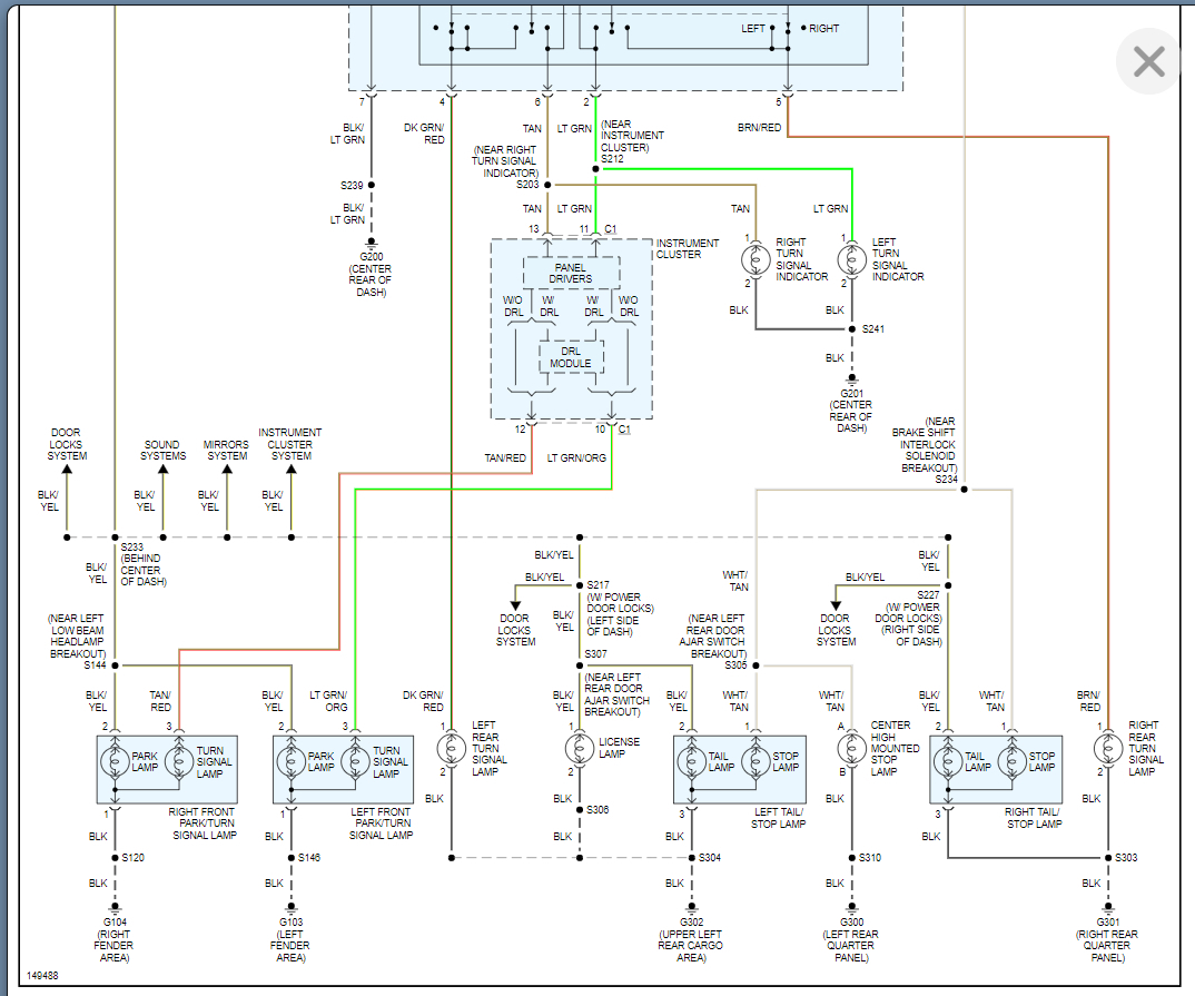
My friend told me my left brake light was out on my PT Cruiser. I immediately bought a bulb and replaced it. After I replaced it, I checked to see that it worked and I was surprised to find that the brake light still did not light up on the left side when the brake pedal is pressed, but the turn signal works. I do not know what the issue might be. Please help!
Aug 20, 2010 at 9:56 PM

