fog light would come on all by themselves?

2001 CHRYSLER PT CRUISER
62,330 MILES • 4 CYL • 2WD • AUTOMATIC
Avatar
TEXASCRUSIN
  • MEMBER
  • 2 POSTS
My fog light would come on all by themselves and it was determined that the switch in the turnsignal stalk had gone bad. Since the vehicle is 10yrs old the shop searched for a replacement stalk and found one but the supplier wanted $600 for the part. I elected to have the fog lights diconnected with much sadness. I now have the light on the dash that comes on intermittently and it bothers me, any idea on how I can disconnect that light on the dash and not compromise any other functions?
Aug 12, 2009 at 7:56 AM
Advertisement
Avatar
JACOBANDNICKOLAS
  • CERTIFIED EXPERT
  • 110,175 POSTS
Hi,

This is something that I never had asked before, so please bear with me. We need to try something first.

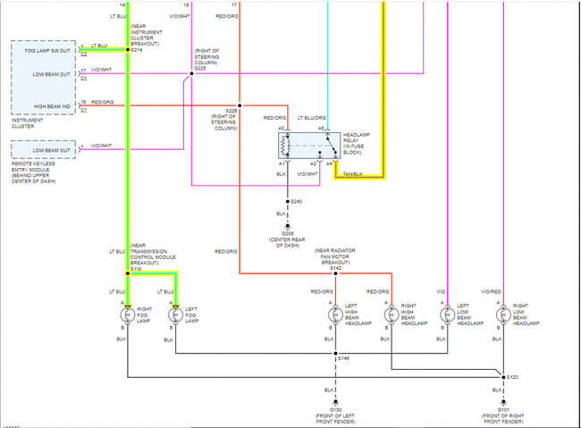
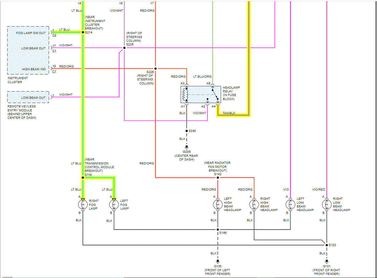
Is the fog light switch still in the vehicle? If it is, we need to disconnect a light blue wire from it.

If you look at the attachments below, I highlighted the wire for you. That goes from the switch to the instrument panel. If that wire is disconnected, the fog light indicator shouldn't turn on.

However, once we disconnect it, I need you to confirm that everything with the headlamps works properly. I don't see any reason why there should be a problem, but I am basing that on just looking at a wiring schematic.

Let me know if that works or if you have other questions.

Take care,

Joe

See pics below.

Jul 31, 2021 at 8:56 PM