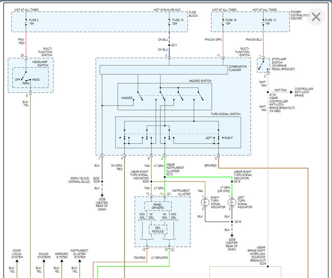
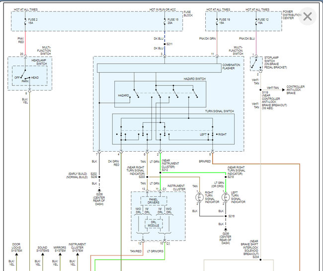
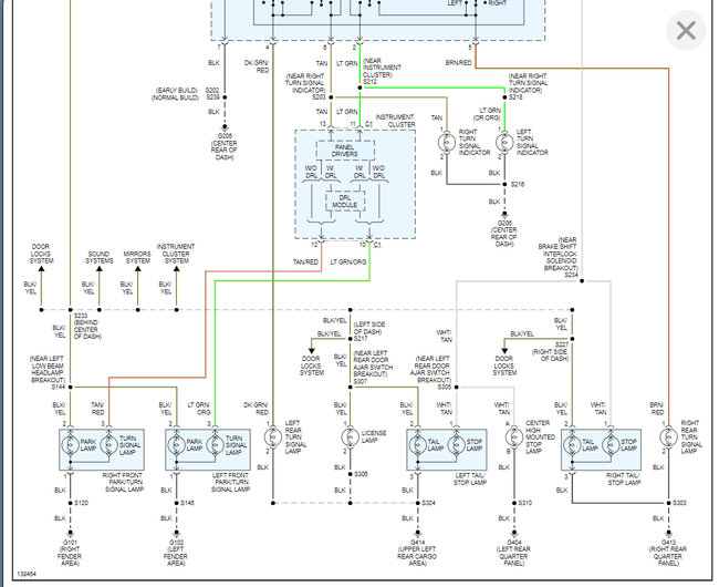
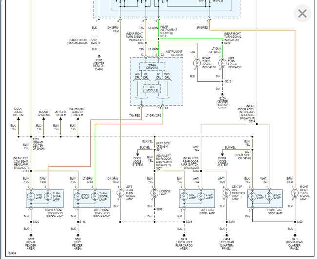
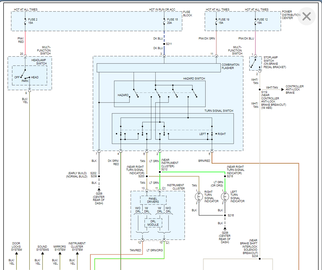
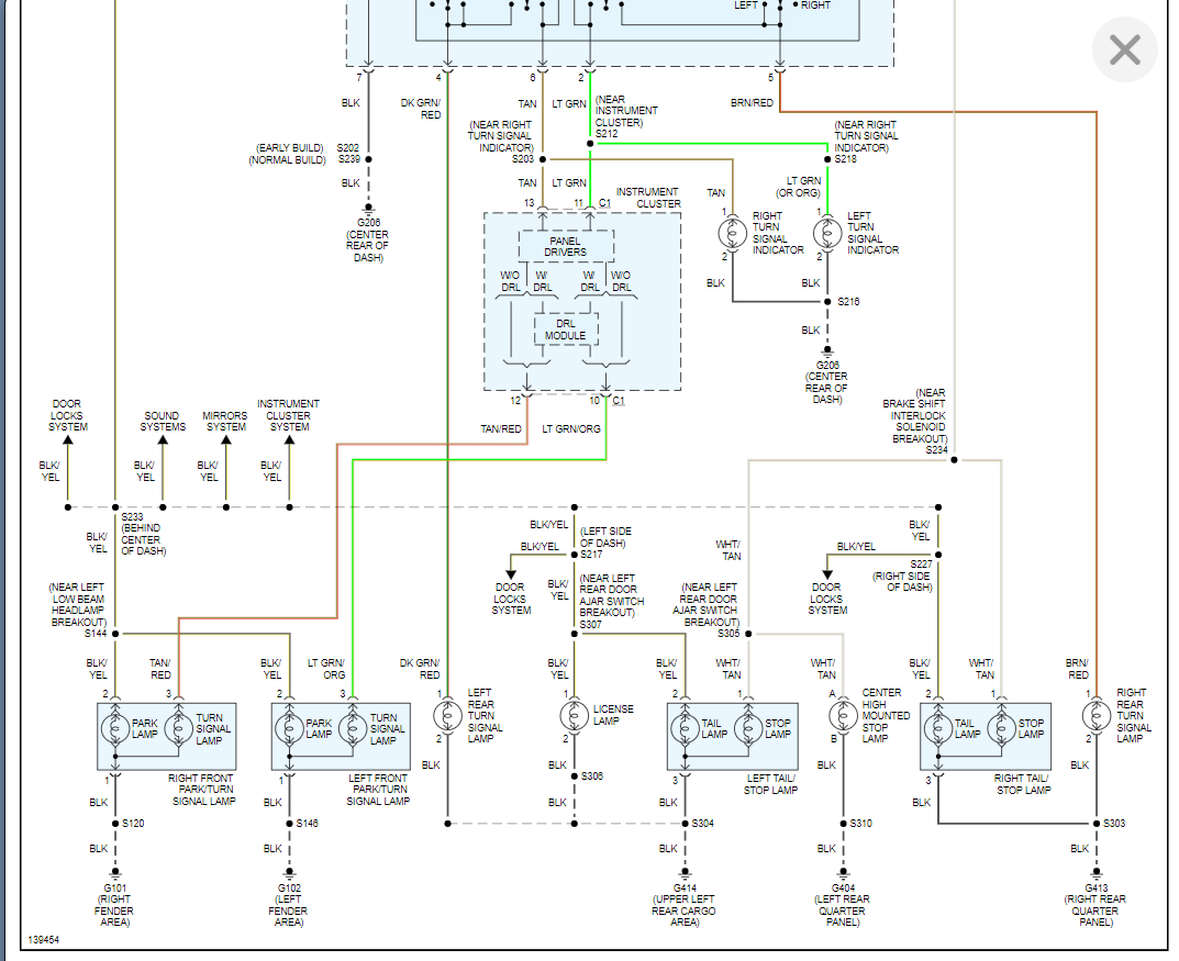
After spending $800 to fix the car last month, another problem pops up this month as if on cue.The directional signals and the emergency flashers just stopped working. About 3 - 4 months ago this happened intermittently, stopped happening about 2 - 3 weeks ago and then last night just stopped working. Other than blowing up the car, do you have any suggestions about how to approach this problem? I can't afford dealer prices for repairs anymore.
Oct 19, 2009 at 5:49 PM








