Reversing lights and reversing

2003 CHRYSLER GRAND VOYAGER
Avatar
LOWTON74
  • MEMBER
  • 1 POST
Electrical problem 6 cyl Two Wheel Drive Automatic 160000 miles

My reversing lights do not illuminate when I am in reverse gear. Also, my reversing sensors do not work. I have checked all the bulbs and they still work, I have also checked the fuses in the fuse panel and they are all okay. Any advice you could give would be great.

Thanks
Aug 30, 2009 at 8:15 AM
Advertisement
Avatar
STRAILER
  • CERTIFIED EXPERT
  • 53,855 POSTS
Hello,

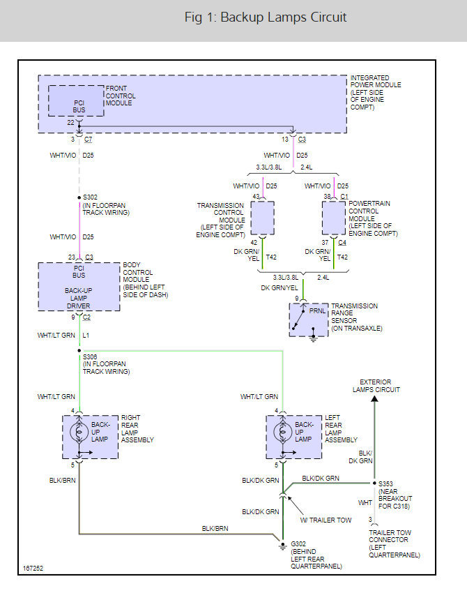
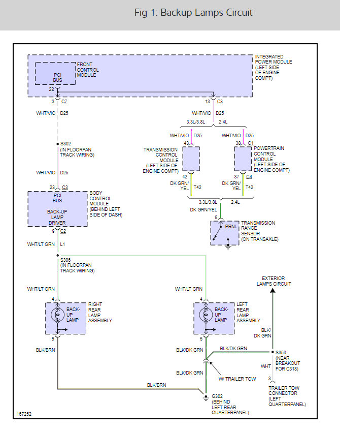
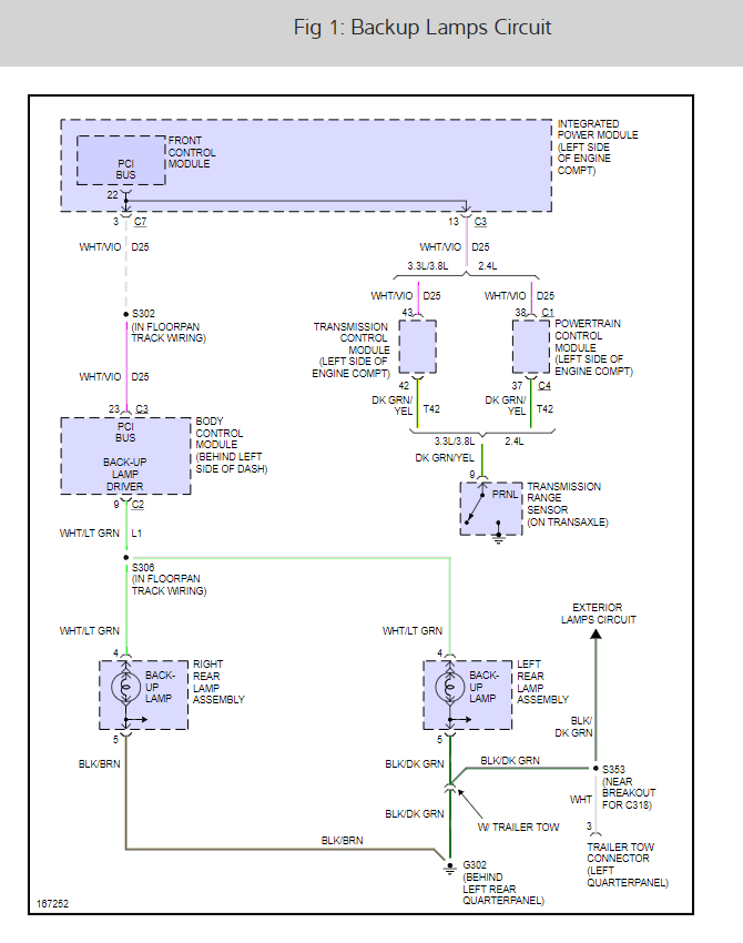
This revers light system runs though the BCM and is triggered by the transmission range sensor. Please check for signal out the to switch.

Here is a guide and the wiring diagrams for the reverse lights so you can see how they work and the location of the switch.

Check out the diagrams (Below)

Let us know what happens and please upload pictures or videos of the problem.

Cheers, Ken
Feb 17, 2018 at 12:38 PM
Avatar
CCRUTHIS
  • MEMBER
  • 0 POST
Thanks, I ended up replacing the range sensor and the reverse lights came back. I love this site.
Feb 17, 2018 at 12:39 PM
Advertisement