Wont turn over

2002 CHRYSLER CONCORDE
Avatar
SHERRYWARD25
  • MEMBER
  • 1 POST
Engine Mechanical problem 6 cyl Front Wheel Drive Automatic 165000 miles

When i get in my car to try to start it it won't start. i just put a new battery in the car three days ago, and i just had it check along with the alternator it says the battery is good and also the alternator. so why it won't start?
May 25, 2010 at 5:30 PM
Advertisement
Avatar
RASMATAZ
  • CERTIFIED EXPERT
  • 75,992 POSTS
It sounds like you have a starter motor that is out and needs to be checked to confirm the failure which can be done with the test light.

https://www.2carpros.com/articles/how-to-use-a-test-light-circuit-tester

Here is the test you must toward the bottom of the guide

https://www.2carpros.com/articles/car-cranks-but-wont-start

If you do confirm the starter failure the gisue will give you an idea of what you are in for when doing the job.

https://www.2carpros.com/articles/how-to-replace-a-starter-motor

Here is what it will be like on your car (below)

Please let us know what happens.

Cheers
May 26, 2010 at 6:16 PM
Avatar
GAMECAST
  • MEMBER
  • 1 POST
Nailed it! I replaced my starter and the car has been working great ever since thanks 2Carpros
Apr 16, 2015 at 6:43 PM
Advertisement
Avatar
ANTLAT34
  • MEMBER
  • 1 POST
Engine Mechanical problem
2002 Chrysler Concorde Front Wheel Drive Automatic 27999 miles

MY ENGINE ACTS LIKE IT WANTS TO CRANK BUT DON'T . IT CUTED OFF WHEN I WAS DRIVING THE CAR I CHECK THE BATTERY BUT THAT WASN'T THE PROBLEM BECAUSE IT STILL WON'T CRANK SO DO YOU KNOE THE PROBLEM
Nov 22, 2017 at 6:02 PM (Merged)
Avatar
JACOBANDNICKOLAS
  • CERTIFIED EXPERT
  • 110,175 POSTS
It could be a few things. First, start by checking for spark and fuel to the engine. One will most likely be missing. Here are the "How To's" for checking. Let me know what you find.

https://www.2carpros.com/how_to/how_to_test_an_ignition_system.htm


https://www.2carpros.com/how_to/how_to_check_fuel_pressure.htm
Nov 22, 2017 at 6:02 PM (Merged)
Avatar
ANEWME82
  • MEMBER
  • 1 POST
Engine Mechanical problem
2002 Chrysler Concorde V8 Two Wheel Drive Automatic 96463 miles

well my car will crank all day, but then the car wont crank and all i will hear is clicking so im not thinking its the starter, but it will start with a jump. can it be the alternator, battery going bad. i do i have a radio system in too.
Nov 22, 2017 at 6:02 PM (Merged)
Avatar
ZACKMAN
  • CERTIFIED EXPERT
  • 4,202 POSTS
Have the battery load-tested. The continuous clicking is tell tale sign of bad battery.
Nov 22, 2017 at 6:02 PM (Merged)
Avatar
365YEARS
  • MEMBER
  • 1 POST
Electrical problem
2000 Chrysler Concorde 6 cyl Front Wheel Drive Automatic 80000 miles
----------------------------------------------------------------
I have a 2.7L 2000 Concorde that already had the timing fixed.

I have an intermittent starting problem. The engine won't turn over after it has been driven for some length of time. But if I leave it alone for to cool off, it turns over and starts. I have replaced the starter, thinking it is getting hot, because it has a heat shield on it indicating to me it might be an issue but that's not it. I am going to check the battery, but the lights don't dim when I try to start it, so I would believe it is OK. I am going to check the connections from the battery to the starter also, but I am not too confident either is my problem.

I don't hear any clicking underneath when this happens. My guess is that it might be a relay someplace near its end, and is getting affected by the engine heat.

Any help or experience with this is greatly appreciated.

Thanks ahead of time.
Nov 22, 2017 at 6:02 PM (Merged)
Avatar
2CARPRO JACK
  • CERTIFIED EXPERT
  • 11,533 POSTS
That car has a starter relay located in the under hood power center. it could be the problem. Does it have 12 volts at the small wire on the starter when it wont start? if not I would suspect the relay may be bad. You can also check the yellow wire out of the ignition switch to be sure it is triggering the relay to start with key in crank position
Nov 22, 2017 at 6:02 PM (Merged)
Avatar
TRAVELINGANNIE
  • MEMBER
  • 2 POSTS
Engine Mechanical problem
1995 Chrysler Concorde 4 cyl Two Wheel Drive Automatic 185,00 miles

I was driving into the parking lot when the car died. I started it back up and parked to run my errand. Came out started car up went to back up and it died. started up and tried to continue to back up and it died. the third attempt to start up it started up and then I heard like a pop sound or almost like what would be a ballon popping kind of sound. went to start car and it would turn over; there was no cranking sound or grinding sound. It was more like the normal sound you get when you turn the car over to start but when its cold and it takes a minute to start up on older cars. but it wont start up. I have full electrical use in the car.
What could be the problem here in this situation?
any ides or help appreciated. thanks
Nov 22, 2017 at 6:03 PM (Merged)
Avatar
RASMATAZ
  • CERTIFIED EXPERT
  • 75,992 POSTS
Test the battery if okay do below

Get a starting fluid/ether/better off gas in a spray bottle and spray into the carb or the throttle body on an EFI. Did it start and die? If not disconnect a sparkplug wire or 2 and ground it to the engine -have helper crank engine over-do you have a snapping blue spark? If so-you have a fuel related problem, check the fuel pressure to rule out the fuel filter/fuel pump/pressure regulator and listen to the injector/s are they pulsing or hook up a noid light. No snapping blue spark continue to troubleshoot the ignition system-power input to the coil/coil packs,distributor pick-up coil, ignition control module, cam and crank sensors- Note: If it doesn't apply disregard it
Nov 22, 2017 at 6:03 PM (Merged)
Avatar
PCRAIG
  • MEMBER
  • 1 POST
1999 Chrysler Concorde 6 cyl Automatic 158000 miles

My car has twice now not turned over at different times how will i know if it is my starter or alternator?
Nov 22, 2017 at 6:03 PM (Merged)
Avatar
BMRFIXIT
  • CERTIFIED EXPERT
  • 19,053 POSTS
If alternator is bad engine will stall and not start until battery recharged or jumped
check battery volts when engine running
it should be above 13.5 v
if not suspect bad alternator
starter if you have a bad starter it will not starter for you or some time will starter and other will not
keep trying and it may starter then suspect starter \
check starter wiring ,relay ,replace starter
Nov 22, 2017 at 6:03 PM (Merged)
Avatar
2CP-ARCHIVES
  • MEMBER
  • 4,540 POSTS
I changed the bad alternator it ran fine all day no problems went home shut it off, it sat the whole next day. I went out the third day to start it and everything is normal turning the key until i got to the start then i have nothing. I HAVE NO CRANKING, NO FUEL PUMP, BUT WHEN I JUMP THE RELAYS WITH A WIRE THEY WORK FINE I HAVE TRACED EVERYTHING I CAN THINK OF PLEASE HELP
WHAT COULD I BE MISSING?
Nov 22, 2017 at 6:03 PM (Merged)
Avatar
JACOBANDNICKOLAS
  • CERTIFIED EXPERT
  • 110,175 POSTS
Have you checked to make sure all battery terminals are clean and tight? Is there power getting to the starter?
Nov 22, 2017 at 6:03 PM (Merged)
Avatar
JIMHARLAND
  • MEMBER
  • 2 POSTS
yes they are clean and i have power to the starter relay
Nov 22, 2017 at 6:03 PM (Merged)
Avatar
JACOBANDNICKOLAS
  • CERTIFIED EXPERT
  • 110,175 POSTS
If you have power to the starter (12v) and it doesn't engage, it sounds like you have a bad starter. Have you had it checked?
Nov 22, 2017 at 6:03 PM (Merged)
Avatar
JIMHARLAND
  • MEMBER
  • 2 POSTS
sorry I dont have power to the starter unless i jump the relay but with the relay in i have nothing same with the fuel pump I can jump it through the relay it will hum but when i put them back in they dont work. Its like something is stopping them from getting juice I JUST DONT HAVE THE MONEY TO TAKE IT TO GET FIXED BY A PRO THIS SUCKS
Nov 22, 2017 at 6:03 PM (Merged)
Avatar
JACOBANDNICKOLAS
  • CERTIFIED EXPERT
  • 110,175 POSTS
I'll try to help. If you can jump the relay, that tells me there is power there. Have you tried a new relay?
Nov 22, 2017 at 6:03 PM (Merged)
Avatar
FREEMAN0102
  • MEMBER
  • 1 POST
Electrical problem
2001 Chrysler Concorde 6 cyl Front Wheel Drive Automatic 242400 miles

I recently changed my motor( siezed) for another 2.7 from a 2002 model that was running. In the changeover I used the original dome , EGR, right Manifold to work with the EGR, and fllywheel to agree with the sensor in the transmission bell housing. I also replaced the alternator. when all was over the engine would turn over but not start. The MAP sensor had a different plug that I rewired as I used the original wire harness. upon further testing it appears that there is no ground going to the coil packs and fuel injectors. Could you tell me where I might test to locate this problem or if there is an override available? Thank You Bill
Nov 22, 2017 at 6:03 PM (Merged)
Avatar
CARADIODOC
  • CERTIFIED EXPERT
  • 34,306 POSTS
You're right, there is no ground wire. The injectors and coils are fed 12 volts from the Automatic Shutdown relay. The grounds are switched on and off by the engine computer to fire them.

The 12 volts to the coils and injectors comes from the ASD relay for 2 seconds after turning on the ignition switch, then it turns off. It turns on again when the engine computer sees engine rotation, cranking or running. It knows this from the pulses from the crankshaft and camshaft position sensors.

Camshaft position sensors fail quite often. If you got one with the new engine, try using your old one. Crankshaft sensor air gap is critical. The dealer can supply a paper spacer to stick on the end of it, then you shove it in as far as it will go and tighten the bolt. The spacer will slide off when you crank the engine.

Measure for 12 volts on the coil or injector power wire while cranking. If it's missing, the ASD relay isn't turning on. Check the cam and crank sensors. If it is turning on, and you have spark, try giving it a little gas, (pressing the pedal). If it starts, but won't stay running without your foot on the pedal, it just needs to relearn minimum throttle so the computer knows when to be in control of idle speed. You do that by driving at highway speed, then coasting for at least seven seconds without touching the gas or brake pedals.

caradiodoc
Nov 22, 2017 at 6:03 PM (Merged)
Avatar
RUBY FLORES
  • MEMBER
  • 1 POST
I have a 2000 Chrysler Concord, which just stoped driving while going about 60 MPH on the highway. Battery is good, starter turns over, and all lights/ sytems work fine. The oil / gasoline is ok- I think. It has about 200,000 miles on it. My mechanic says that it needs a new motor and it's going to cost over $3,000 to fix. Is there anything else that it could be?
Nov 22, 2017 at 6:03 PM (Merged)
Avatar
RASMATAZ
  • CERTIFIED EXPERT
  • 75,992 POSTS
Have someone do below-this is your starting point

Get a helper disconnect a sparkplug wire or 2 and ground it to the engine atleast 3/16 away from ground-have helper crank engine over-do you have a snapping blue spark? If so-you have a fuel related problem, Do you hear the fuel pump come On when you turn key on? If not check fuel pump fuse and fuel pump relay if okay-check the fuel pressure to rule out the fuel filter/fuel pump/pressure regulator and listen to the injector/s are they pulsing or hook up a noid light. No snapping blue spark continue to troubleshoot the ignition system-power input to the coil/coil packs,coil's resistances,cap and rotor,distributor pick-up coil, ignition control module, cam and crank sensors and computer Note: If it doesn't apply disregard it and keep testing

If both fuel and spark is present-check the valve and ignition timing, this will lead you to problems
with compression and valves opening and closing at the wrong time/broken or jumped timing
belt/chain.
Nov 22, 2017 at 6:03 PM (Merged)
Avatar
KRISSY BAKER
  • MEMBER
  • 1 POST
My 2002 chrysler concorde (2.7L) won't start. We put in a new battery, starter, shift solenoid (it would have a seizure and cause the rpms to jump up way high when decelerating), spark plugs, and starter relay fuse. It still does not want to even try to crank now (and it was trying to last week and then it would die before fully starting). When the key is turned, it makes a clicking noise in the fuse and relay center and a high pitched but low sounding wine of some sort near the spark plug area. What could i do to get it to start? There seemed to be an effect on ignition when a wire was slightly jiggled under the drivers side in front practically behind the head lights area, could it maybe be loose? I accidentally curb checked after mistiming a turn and it started having issues after that. Oh, and I have less than 120,000 miles on this car
Dec 6, 2017 at 4:57 PM
Avatar
STRAILER
  • CERTIFIED EXPERT
  • 53,854 POSTS
When you are trying to crank it over does the security light flash? If not we need to do a little testing to see where you are locing the power signal at.

Here is a guide that will help you see how to test for power (easy)

https://www.2carpros.com/articles/how-to-use-a-test-light-circuit-tester

This is to test a relay (little tougher)

https://www.2carpros.com/articles/how-to-check-an-electrical-relay-and-wiring-control-circuit

and

https://www.2carpros.com/articles/car-cranks-but-wont-start

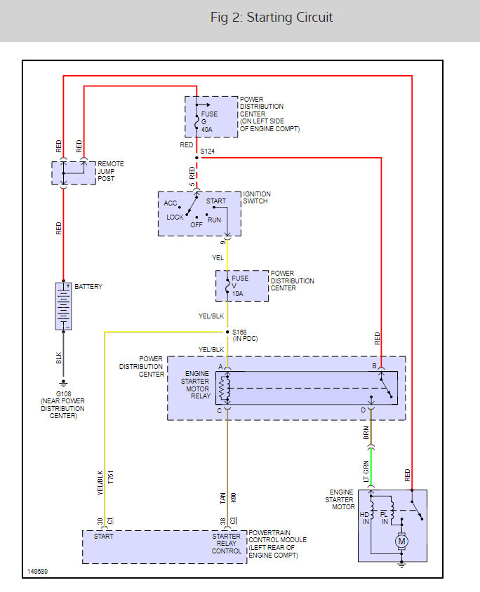
Here is a starter wiring diagram

Check out the diagrams (Below)

Let us know what happens and please upload pictures or videos of the problem.

Cheers, Ken
Dec 8, 2017 at 5:59 PM