It sounds like the switch in the drivers door latch could be bad this is where the alarm receives the signal when you unlock the door. Can you try you remote to unlock the car?
https://www.2carpros.com/articles/how-to-reset-a-security-system
If that still does not work then you may have an BCM that has gone out. I would try a used one to save money. It will need to be programmed to the car
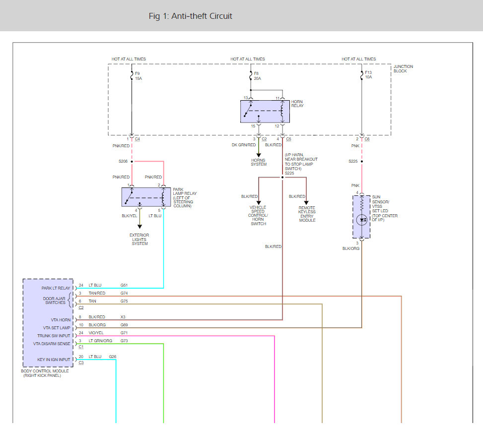
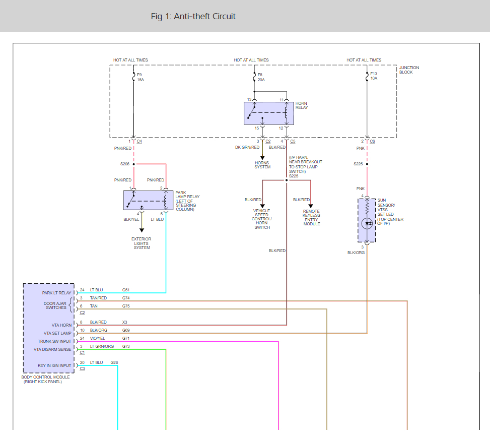
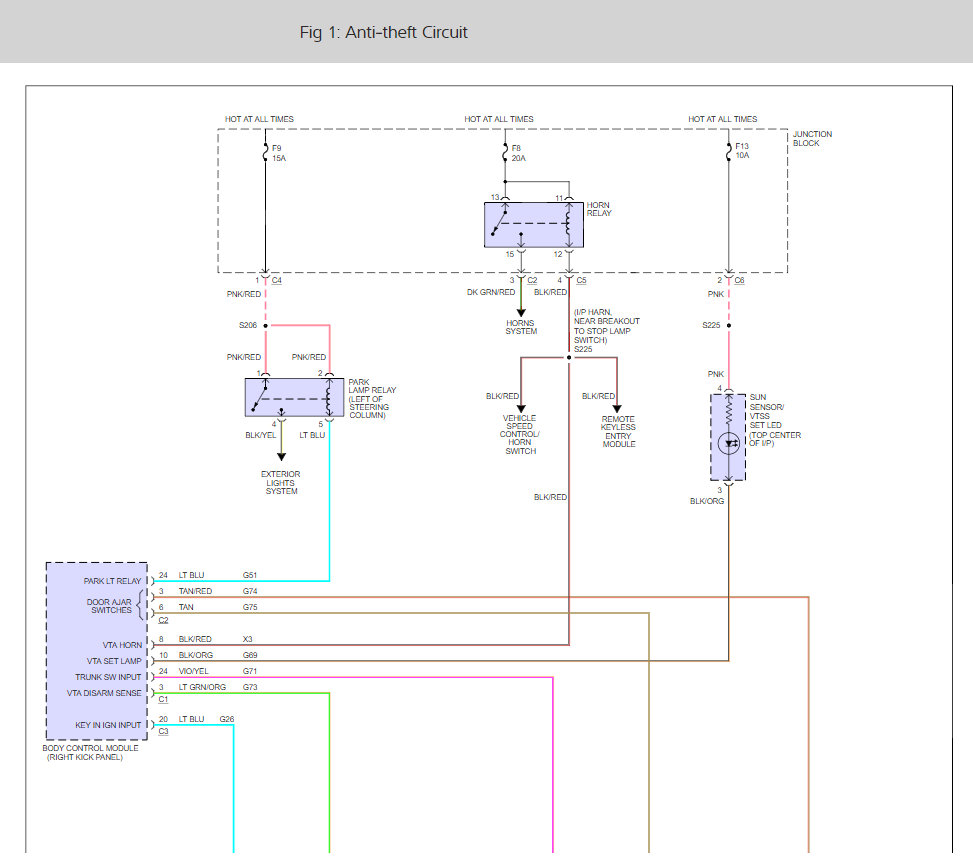
A diagnostics test mode is available in the system to verify operation of all monitored switches or circuits. To enter diagnostics, use the scan tool (DRE) and Vehicle Theft Security System Diagnostic Procedure.
At this time the horn will pulse twice to indicate that the trunk key cylinder is in its proper position. Placing the key in the ignition will allow the warning lamp, headlamps and park/tail lamps to be checked for proper flashing operation. Remove the ignition key from the ignition switch in order to check for door lock cylinder switch operation. At the completion of each of the following operations, a horn pulse will occur to indicate proper operation. Each action must be separated by a minimum of one second or horn pulse will not occur.
Activate the power door locks in both the lock and unlock positions.
Open then close each door one at a time.
Rotate the key in each of the door lock cylinder to the unlock position.
Cycle the ignition switch key to the "on" position as the last step. A single horn pulse will indicate proper operation of the ignition switch. This will also take the system out of the stand alone diagnostic mode.
The self diagnostic mode may also be exited by using the scan tool.
Activating the Remote Keyless Entry System (RKE) to exercise any of the above inputs will also cause the horn to pulse. When the RKE lock button is pressed, the RKE module itself will also pulse the horn. This is part of the RKE normal operation.
Please let us know what you find.
Cheers, Ken
Images (Click to enlarge)
Sep 30, 2017 at 8:06 PM