the radio has no sound

1991 CHRYSLER FIFTH AVENUE
159,000 MILES • 6 CYL • FWD • AUTOMATIC
Avatar
PBORK
  • MEMBER
  • 1 POST
I bought this car and the radio has no sound. It turns on so I can see the stations but no sound comes out, what could be the problem? I checked the fuse and replaced it so its not that.
Jan 6, 2008 at 8:41 PM
Advertisement
Avatar
CARADIODOC
  • CERTIFIED EXPERT
  • 34,306 POSTS
The cause of this problem depends on the model of the radio and whether the car has a remote amplifier. The base radio had two internal problems that can cause no sound. The first is four transistors must be replaced. Symptoms vary depending on which one fails first. Those should have all acted up and been repaired many years ago. The second cause is a defective power switch. The clue is you might see a flicker in the display when the switch is turned on. At the authorized repair centers, they just replaced the entire volume control assembly. Those were built by the same supplier and will develop the same problem in a few years. I used to take them apart and do a minor modification that prevented that from happening again.

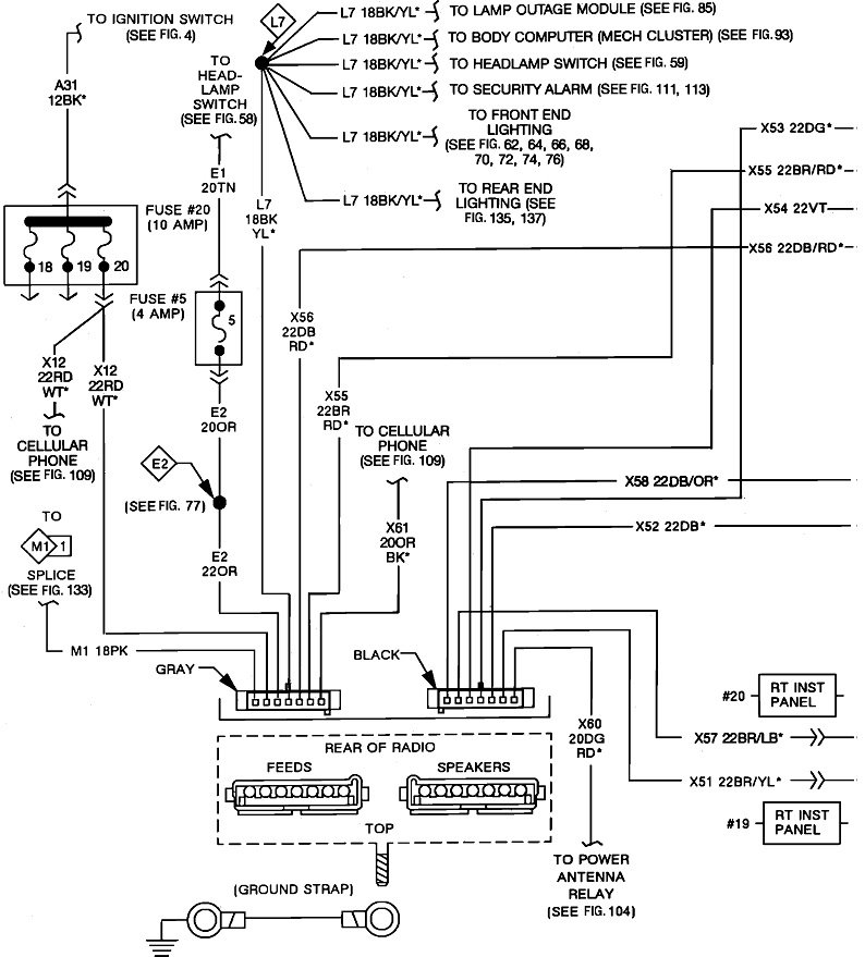
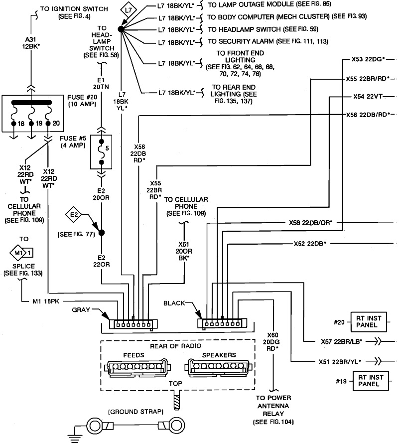
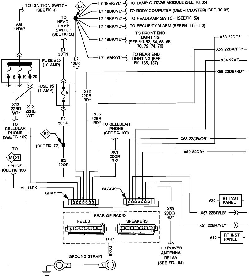
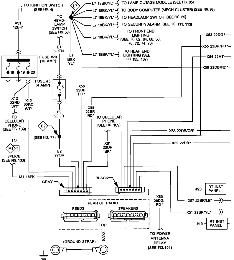
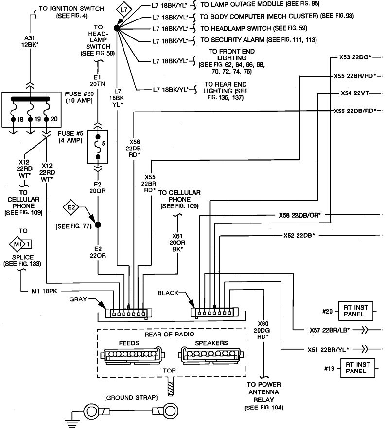
There are two 12-volt power feeds to the radio. One is switched on and off through the ignition switch. The other is a constant feed for the station presets and clock memory. If the clock keeps time, and the radio turns on to the last station you had it on, that 12-volt feed is okay. If the clock goes back to 12:00 each time you turn it on, check fuse # 12, a yellow 20-amp fuse in the fuse box in the glove box. I pointed that out with the orange arrow in the third drawing.

Every radio model acts differently when the memory 12-volt supply is missing. Some work normally except they lose their clock and station memory each time you turn it on. Others appear to tune normally, but there is no sound. That's why we have to be sure that memory circuit is okay.

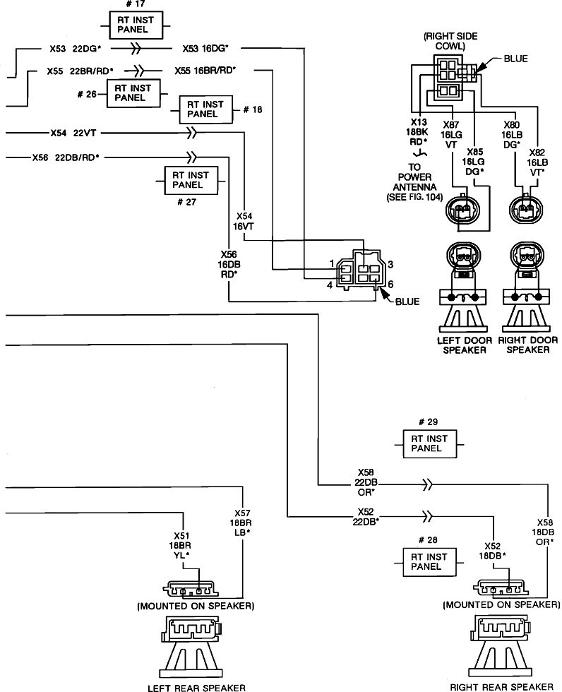
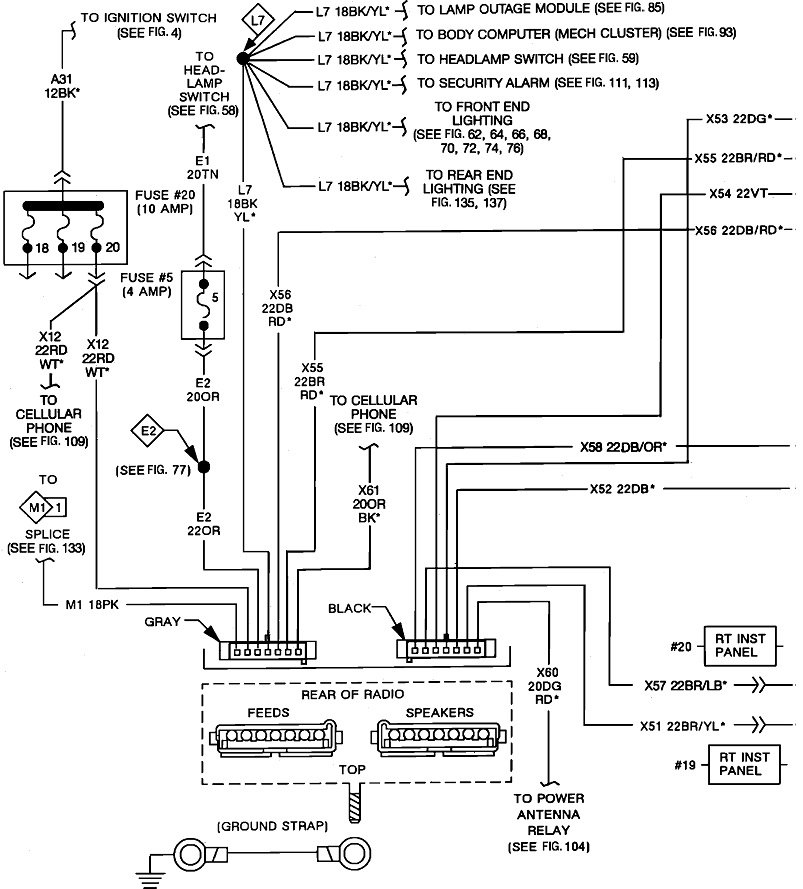
The more expensive radio model is used with a remote amplifier and / or a power antenna. Both are powered through the same circuit from the radio. There's a relay inside the radio that can develop broken solder connections. If you have a power antenna and it works properly, that relay is not the problem. If the power antenna doesn't go up, or your car doesn't have one, we need to check that circuit. The fourth drawing shows those plugs. Your wire colors could be different, so only go by the terminal locations.

To be valid and most accurate, these voltages should be taken with the plugs connected. Back-probing next to the wires is pretty easy. In the gray plug, terminal seven must has 12 volts all the time. Terminal 6 must have 12 volts when the ignition switch is turned on. In the black plug, terminal number one must have 12 volts when both the radio and ignition switches are turned on. That's the 12-volts that turns on the amplifier.

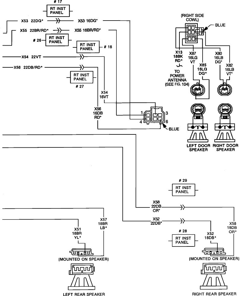
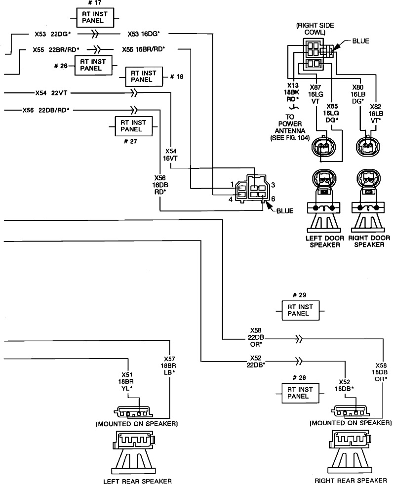
The last two diagrams are for the premium radio with the remote amplifier. That's protected by fuse # 16, (purple arrow). That last two diagrams are for that system.

For anyone researching this topic who isn't familiar with checking fuses, here's a link to an article that shows how it's done:

https://www.2carpros.com/articles/how-to-check-a-car-fuse
Oct 31, 2021 at 5:51 PM