No Power from the Cigarette Lighter

2006 CHRYSLER 300
Avatar
JOHNSOMI06
  • MEMBER
  • 1 POST
Electrical problem 6 cyl Two Wheel Drive Automatic 38000 miles

Hello and thank you, i love this site.

There is no power coming from the Cigarette Lighter (Power Outlet as listed in the manual). I have searched both fuse boxes of the vehicle and can not locate the appropriate fuse or type to replace.

The selection in the manual does not have a listing for the Power Outlet or for which fuse to replace.

Originally, a penny got caught in the Cigarette Lighter. I would love to be able to have a place to charge my phone while in the vehicle.

Thanks.
Mike
Mar 30, 2010 at 1:54 AM
Advertisement
Avatar
STRAILER
  • CERTIFIED EXPERT
  • 53,854 POSTS
Hello,

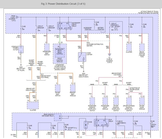
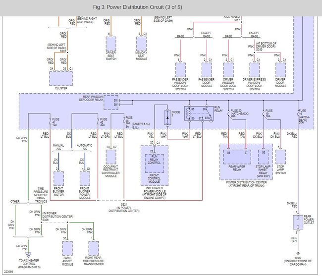
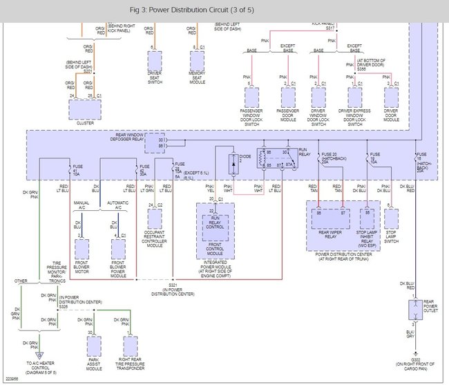
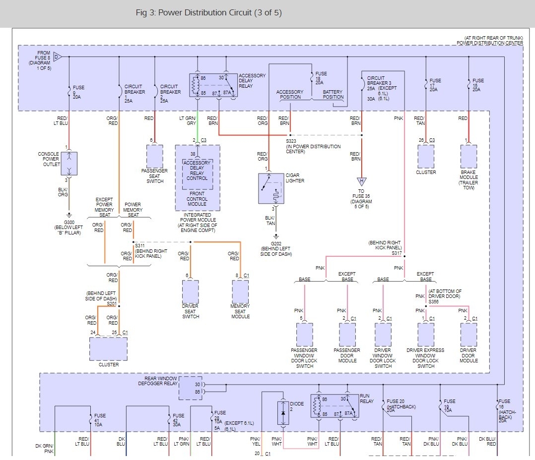
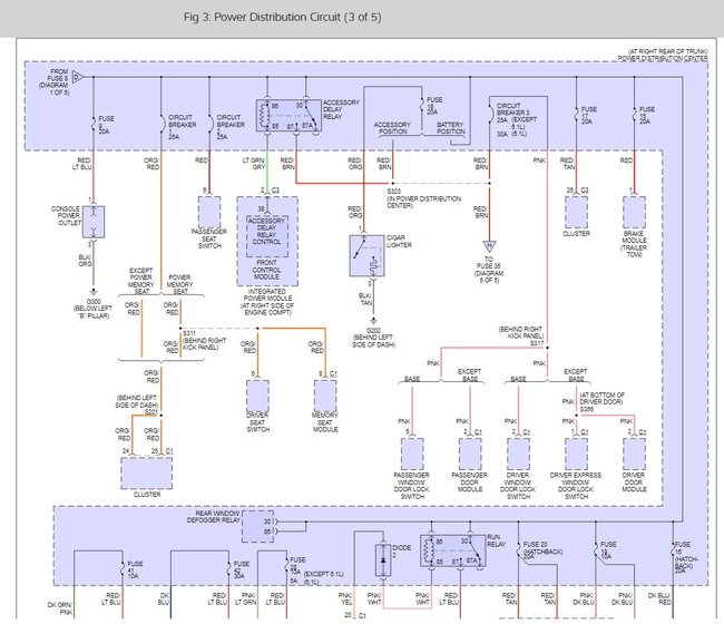
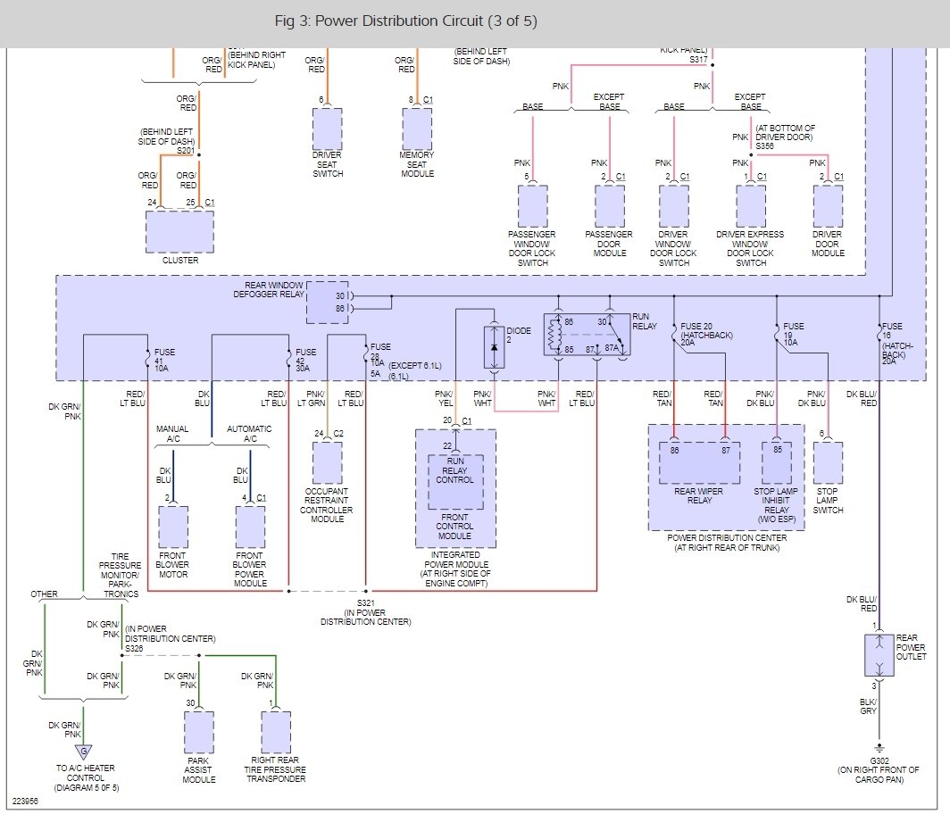
It is fuse #18 the selective power fuse. Here is a guide and some diagrams (below) that will help you get the problem fixed.

https://www.2carpros.com/articles/how-to-check-a-car-fuse

and

https://www.2carpros.com/articles/how-to-use-a-test-light-circuit-tester

Please let us know if you need anything else to get the problem fixed.

Cheers, Ken
Jul 10, 2017 at 4:21 PM
Avatar
BEDETSA
  • MEMBER
  • 1 POST
Re 2006 Chryster 300, 6 cylinder, 3TR, Where are the fuses for the cigarette lighter and is it one fuse or shared with another item i.e., horn, etc.?
Jul 10, 2017 at 4:22 PM (Merged)
Advertisement
Avatar
HMAC300
  • CERTIFIED EXPERT
  • 48,601 POSTS
the fuse in the right rear trunk power dist box
Jul 10, 2017 at 4:22 PM (Merged)