Everything worked fine and I could hear the music until I went to install the back up camera. The speakers made a pop sound and now do not work.
Sep 25, 2018 at 5:28 AM
Advertisement
STRAILER
CERTIFIED EXPERT
53,854 POSTS
Hello,
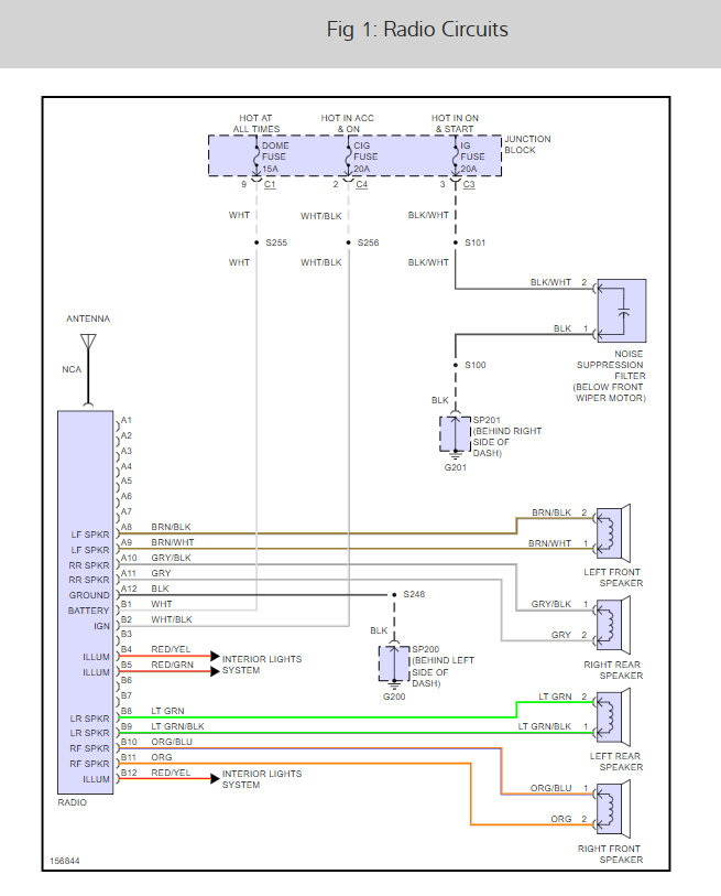
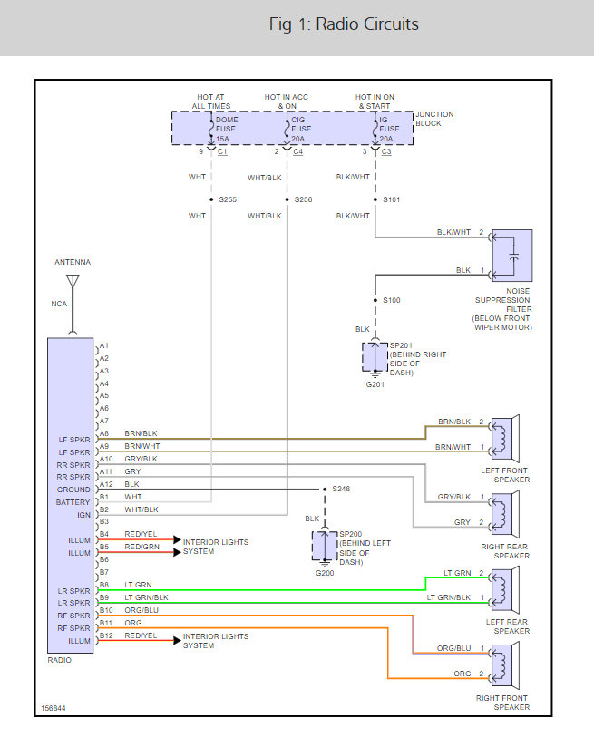
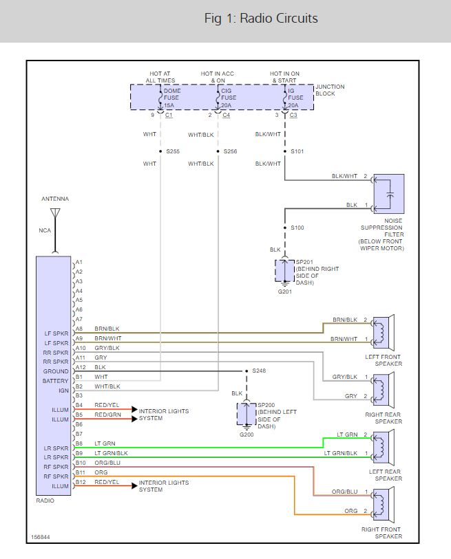
It sounds like you have blown a fuse. Here is the radio wiring diagrams so you can see how it works and a guide to help you check the fuses ( IG, CIG and dome) with the fuse locations below: