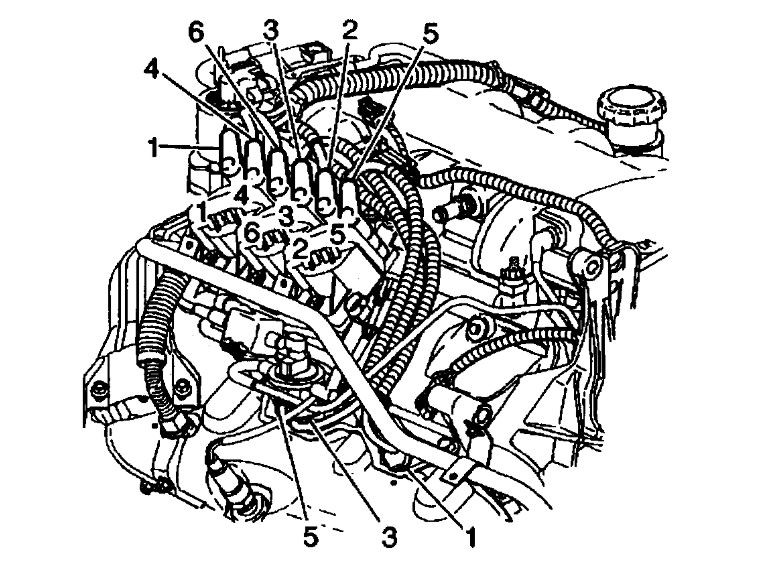
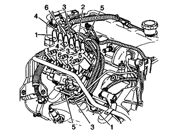
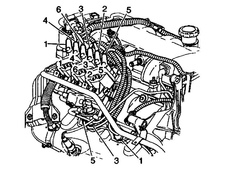
So I have a spark plug that is stuck inside the hole. The end snapped off of it where the socket goes on and now there is just park of the metal sticking out. I tried a reverse tap and the tap broke off inside the end of the spark plug. Now what do i do? The spark plug is on the backside of the engine too so there isnt' alot of room to get around i need the firing order.
Feb 28, 2010 at 9:04 AM






