brake are locking up?

2003 CHEVROLET TRUCK
62,000 MILES • V8 • 4WD • AUTOMATIC
Avatar
CHEVYDAVE177
  • MEMBER
  • 1 POST
the brakes feel like the brake are locking up?
Jul 4, 2010 at 7:09 PM
Advertisement
Avatar
SQM
  • CERTIFIED EXPERT
  • 6,383 POSTS
Hello,

Just to clarify, when you say brakes are locking up, do you mean that when you depress the brake pedal the wheels lock up as there is no ABS?

If the brakes are locking up when you depress the brake pedal, it could be due to faulty ABS module. Typically, when there is an issue with the ABS, the ABS error light gets illuminated.
If the ABS light is illuminated, you will have to get it scanned to retrieve the code(s). It can help with the diagnostics. As this can be simple as a sensor to a defective module.

Here is a helpful video of how to retrieve ABS codes:

https://youtu.be/rTtAnsOlZU4

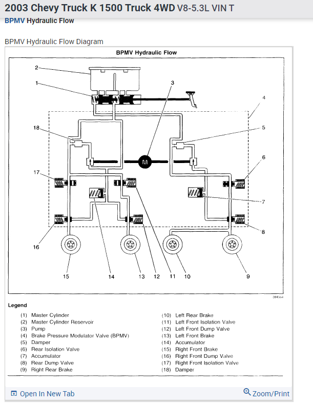
I have attached the ABS module diagram as well as diagnostics for the ABS light below.

Please let me know of any questions.
Thank you.
Oct 4, 2021 at 11:00 AM