Running lights and dash lights stopped working?

1998 CHEVROLET TRUCK
200,000 MILES • V8 • 4WD • AUTOMATIC
Avatar
CHARLESCLAY
  • MEMBER
  • 1 POST
Running lights and dash lights stopped working at the same time. headlights and blinkers work
Feb 11, 2008 at 5:54 PM
Advertisement
Avatar
ASEMASTER6371
  • CERTIFIED EXPERT
  • 52,796 POSTS
Good afternoon,

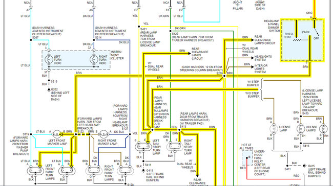
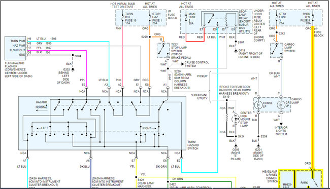
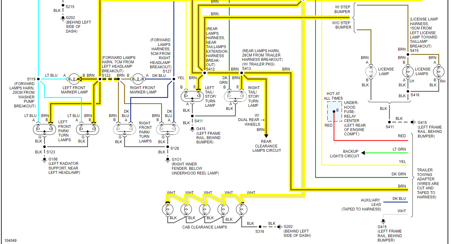
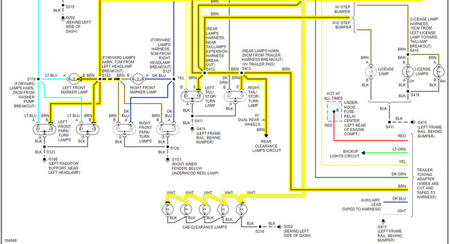
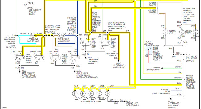
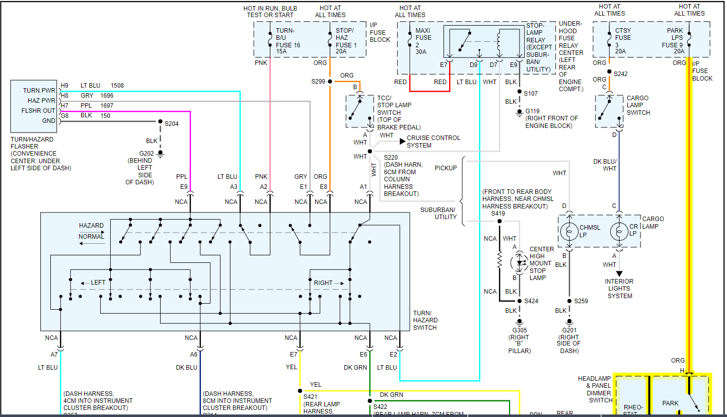
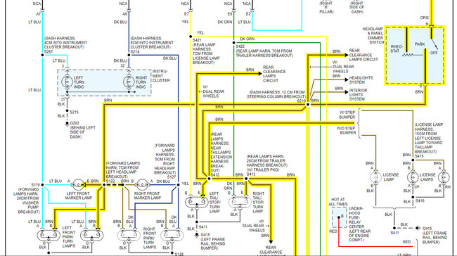
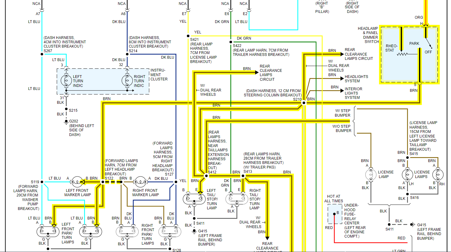
I attached a wiring diagram for you for the system.

https://www.2carpros.com/articles/no-tail-lights-exterior-running-lights-tail-lights-out

https://www.2carpros.com/articles/how-to-check-wiring

Verify the fuse has power to both sides with the key on.

https://www.2carpros.com/articles/how-to-check-a-car-fuse

Beyond that, you need to go to the switch and test the wire for power to the dash and tail lights.

https://www.2carpros.com/articles/how-a-headlight-switch-works

Roy

REMOVAL PROCEDURE

CAUTION: Refer to Battery Disconnect Caution in Cautions and Notices.

1. Disconnect the negative battery cable.
2. Remove the instrument cluster bezel.
3. Disconnect the electrical connectors.
4. Unsnap the switch. Remove the switch.

INSTALLATION PROCEDURE
1. Install the headlamp switch and/or the panel dimmer switch to the bezel.
2. Connect the electrical connectors.
3. Install the bezel to the instrument panel.
4. Connect the negative battery cable.
Feb 4, 2021 at 12:41 PM