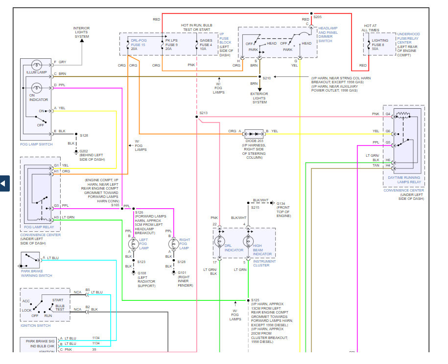
I am trying to find a place to get the wiring diagrams for my 96 K1500. I have a few electrical issues and the Chilton book has crap for wiring. I found 2 burnt wires at the multi switch(hi/lo turn). Here is a list of the issues that caused me to tear into my dash:
1. DRL went out years ago.
2. Low Beams went out 2 years ago.
3. Hi beams just went out.
4. Power door locks quit 6 months ago.
All this, I think, started about the time the Clifford alarms system started acting up. I removed it after the DRL and before the low beams.
I asked one of the guys in the local Chevy service dept. and they mentioned a Body Control Module BCM. Is there one in my truck? To me it seems like i have a bad ground somewhere.
Thanks for the help,
Tim
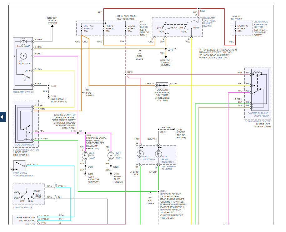
1. DRL went out years ago.
2. Low Beams went out 2 years ago.
3. Hi beams just went out.
4. Power door locks quit 6 months ago.
All this, I think, started about the time the Clifford alarms system started acting up. I removed it after the DRL and before the low beams.
I asked one of the guys in the local Chevy service dept. and they mentioned a Body Control Module BCM. Is there one in my truck? To me it seems like i have a bad ground somewhere.
Thanks for the help,
Tim
Nov 15, 2009 at 9:40 PM



