fuse box diagram - The cover is missing along with the diagram

1995 CHEVROLET TRUCK
Avatar
THELMAWILSON
  • MEMBER
  • 1 POST
My truck is a V8 two wheel drive automatic with 85,000 miles. I need a diagram for the fuse box. The cover is missing along with the diagram. There are no fuses in the box. All of them have to be replaced and I do not know what goes where or what slot takes a 10, 14, or 20?
Feb 14, 2010 at 1:50 PM
Advertisement
Avatar
DR LOOT
  • CERTIFIED EXPERT
  • 2,311 POSTS
Instrument panel fuse block. The instrument panel fuse block is located under driver's side of the instrument panel to the left of the steering column, behind a cover. To identify instrument panel fuse block components, refer to illustration. (See the diagrams below) Here is a guide on how to check the fuses https://www.2carpros.com/articles/how-to-check-a-car-fuse 1- Fuse and Circuit Breaker Identification - Stop/Haz 20 Amp (Yellow): Stop/TCC Switch, Hazard Flasher, Seat Belt Reminder, Stoplights, CHMSL (Center High Mounted Stop Light) 2 - T Case (Not Used): Transfer Case 3 - CTSY 20 Amp (Yellow): Courtesy Lamps, Cargo Lamp, Glove Box Light, Power Mirrors, Dome/Reading Lamps, Vanity Mirrors 4 - Gauges 10 Amp (Red): DRL Relay, DRL Module Buzzer, Headlamp Switch, Keyless Entry, Cluster/Gauges, Low Coolant Module, Convenience Center Electromagnetic Rear-view Mirror with Compass 5 - RR HVAC 10 Amp (Red): RR HVAC Controls 6 - Cruise 10 Amp (Red): Cruise Module, Cruise Activator Switch 7 - AUX PWR 25 Amp (Clear): Power Outlets (2) 8 - Crank 10 Amp (Red): Diesel Fuel Pump, DERM ECM (Air Bag), PCM 9 - Park Lamps 20 Amp (Yellow): License Plate Light, Park Lamps, Tail Lamps, Ashtray Lamp, Door Switch Illumination, Headlight ON Warning, Side Marker Fog Lamp Relay, Clearance Lights, Heater & A/C Illumination 10 - Air Bag 10 Amp (Red): DERM (Air Bag) 11 - Wiper 25 Amp (Clear): Windshield Washer/Wiper 12 - HTR-A/C 25 Amp (Clear): L, Ml, M2 Blower, HVAC Indicator Lamp, A/C Compressor, Mode/Temp/Air In Actuator, High Blower Relay, Transfer Case 13 - CIG LTR 20 Amp (Yellow): Cigar Lighter, Power Amplifier, Door Lock Relay, Power Lumbar Seat, Rear Lift-glass 14 - ILLUM 10 Amp (Red): 4WD Indicator Lamp, Cluster, HVAC Controls, Chime Module, Radio Illumination, Instrument Panel Switches, RR HVAC Controls 15 - DRL-FOG 20 Amp (Yellow): DRL Relay, Fog Lamps 16 - Turn B/U 20 Amp (Yellow): Front Turn, RR Turn, Trailer Turn, Back-up Lamps, BTSI (Brake/Transmission Shift Interlock) Solenoid 17 - Radio 10 Amp (Red): Radio (IGN) 18 - Brake 10 Amp (Red): DRAG, 4WAL/PCM, ABS, Cruise 19 - Radio 10 Amp (Red): Radio (BATT) 20 - Acc/Ign 10 Amp (Red): PRNDL, Auto Transmission, Speedometer, Check Gauges, Tell Tale 21 - Not Used 22 - Not Used 23 - Not Used 24 - 4WD 25 Amp (Clear): 4X4 Models - Front Axle Actuator, 4WD Indicator Lamp, TP2 Relay, Hour Meter (7Y4 Option) A - PWR AGCY 20 Amp - C/K Reg. & Ext. Cab (Circuit Breaker): Power Door Lock, 6 Way Power Seat, Keyless Entry Module 30 Amp - C/K Crew Cab (Circuit Breaker): Power Door Lock, 6 Way Power Seat, Keyless Entry Module B - PWR WDOS: 20 Amp - C/K Reg. & Ext. Cab (Circuit Breaker): Power Windows 30 Amp - C/K Crew Cab (Circuit Breaker): Power Windows


https://www.2carpros.com/forum/automotive_pictures/307270_1995_Chevy_Truck_1.jpg

UNDER-HOOD FUSE/RELAY CENTER WARNING:Always disconnect battery ground cable before servicing "high-current fuses. It is recommended that "high-current" fuses be replaced by a qualified technician.To identify instrument panel fuse block components, refer to illustration. See Fig. 2 .Fig. 2: Under hood Fuse/Relay Center Identification Courtesy of GENERAL MOTORS CORP. Fuse & Relay Identification - Spare 2 - STOP 30 Amp Maxi-fuse (Green) Stop Lamps 3 - A/C 50 Amp Maxi-fuse (Red) High Blower Relay, Rear Blower Relay 4 - ABS 60 Amp Maxi-fuse (Blue) ABS Module 5 - IGN B 50 Amp Maxi-fuse (Red) 50 Amp IGN B Switch, Go To Fuse Block Busbar 6 - IGN A 40 Amp Maxi-fuse (Amber) IGN A Switch, Go To Fuse Block Busbar 7 - BATTERY 50 Amp Maxi-fuse (Red) Battery, Fuse Block Busbar 8 - LIGHTING 50 Amp Maxi-fuse (Red) Headlamp & Panel Dimmer Switch, Fog Lights, Courtesy Lights 9 - 30 Amp (Green) 10 - 30 Amp (Green) 11 - 10 Amp (Red) Spare 12 - 20 Amp (Yellow) Spare 13 - 30 Amp (Green) Spare 14 - Not Used 15 - A/C COMP 10 Amp (Red) SW A/C Pressure to A/C Clutch 16 - HORN 20 Amp (Yellow) Horn, Under-hood Lamps 17 - ECM B 20 Amp (Yellow) Fuel Pump, PCM 18 - Not Used 19 - AUX FAN 30 Amp (Green) Aux. Fan 20 - RR- DEFOG 30 Amp (Green) RR DEFOG 21 - ENG 120 Amp (Yellow) IGN A Switch to Engine Loads, EGR, Canister Purge EVRV Idle Coast Solenoid, Heated 02 Sensor, Fuel Heater, Water Sensor 22 - ECM 120 Amp (Yellow) Injector #l, Injector #2, PCM 23 - FUEL SOL 20 Amp (Yellow) Fuel Solenoid (Diesel Engine Only) 24 - Not Used 25 - Not Used 26 - IGN E 10 Amp (Red) Aux Fan Relay Coil, Hot Fuel Module 27 - Not Used 28 - Not Used 29 - GLOW PLUGS 10 Amp (Red) Glow Plugs (Diesel Engine Only) 30 - Not Used 31 - Not Used 32 - Not Used A - 30 Amp B - 30 Amp UY1, UY7 Camper/Trailer Wiring C - Brake Lamp Relay D - Horn Relay E - Auxiliary Fan Relay F - A/C Relay G - Fuel Pump Relay


https://www.2carpros.com/forum/automotive_pictures/307270_1995_Chevy_underhood_1.jpg

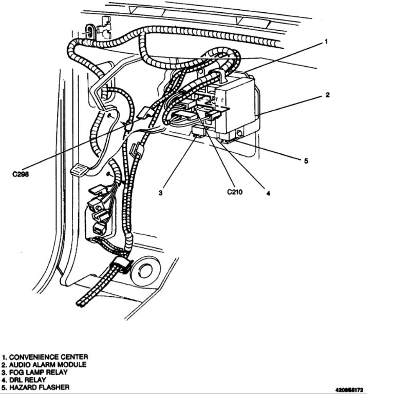
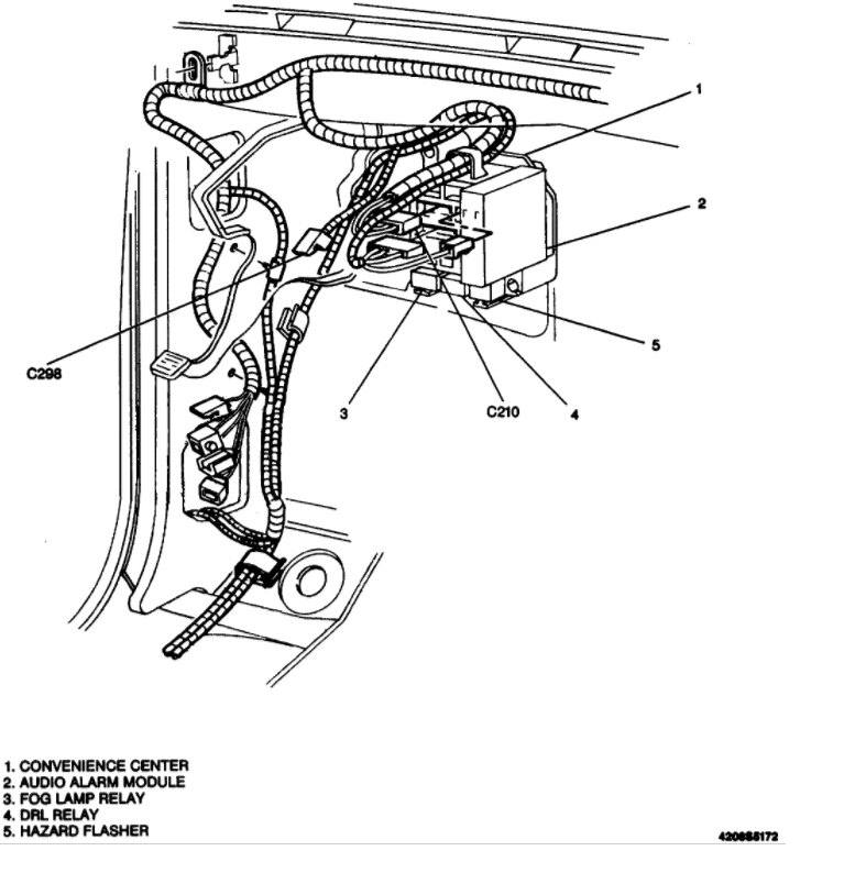
CONVENIENCE CENTERFig. 3: Convenience CenterCourtesy of GENERAL MOTORS CORP.Fuse & Circuit Breaker IdentificationA - Fog Lamp Relay B - DRL (Daytime Running Lights) Relay C - Hazard Flasher D - Chime


https://www.2carpros.com/forum/automotive_pictures/307270_1995_Chevy_Truck_Convenience_center_1.jpg

Feb 17, 2010 at 10:34 AM
Avatar
BLANNIGAN1
  • MEMBER
  • 1 POST
My radio and cigarette lighter doesn't work looking for the fuse to see if needs replacing
Nov 29, 2018 at 6:14 PM (Merged)
Advertisement
Avatar
BLUELIGHTNIN6
  • CERTIFIED EXPERT
  • 16,542 POSTS
Hello,

Here is a guide to help you test the cigarette fuse #13 for power and the fuse box identification and locations in the diagrams below.

https://www.2carpros.com/articles/how-to-check-a-car-fuse

Check out the diagrams (Below). Please let us know if you need anything else to get the problem fixed.

Nov 29, 2018 at 6:14 PM (Merged)
Avatar
2CP-ARCHIVES
  • MEMBER
  • 4,540 POSTS
Were is the EMC B Fuse located? No power to fuel pump.
Nov 29, 2018 at 6:15 PM (Merged)
Avatar
ASEMASTER6371
  • CERTIFIED EXPERT
  • 52,796 POSTS
in the main fuse box under the hood, check them all with a test light. if that fuse keeps blowing, suspect a shorted fuel pump

Roy
Nov 29, 2018 at 6:15 PM (Merged)
Avatar
HOOD4056
  • MEMBER
  • 2 POSTS
My circut for my tail lights has got hot at some point and melted the plastic around the metal female receptor for the fuse. can I buy the female receptors and just use one of the open spots on the fuse block? if so where can i buy them
Nov 29, 2018 at 6:16 PM (Merged)
Avatar
CARADIODOC
  • CERTIFIED EXPERT
  • 34,306 POSTS
The dealers have replacement terminals for all of their connectors, but I'm not sure if that includes fuse box terminals. You can visit a pick-your-own-parts salvage yard and pop some terminals out of a similar fuse box. Some of the terminals will have a wire attached, but some are just molded as part of a string connected with a brass bar. Those bars can be soldered to, so you can run a short wire from your new terminal to the bar the old terminal was attached to. There are also aftermarket crimp-on terminals. You can slide the plastic cover off and solder those on. The drawback is those won't have the little finger that holds them in the slot.

As a less-attractive alternative, you can solder in a new fuse holder with pigtail wires.
Nov 29, 2018 at 6:16 PM (Merged)
Avatar
HOOD4056
  • MEMBER
  • 2 POSTS
Thank you
Nov 29, 2018 at 6:16 PM (Merged)