fuel pump relay

1995 CHEVROLET TRUCK
195,000 MILES • 6 CYL • 2WD • AUTOMATIC
Avatar
RONNIE HUTCHINSON
  • MEMBER
  • 1 POST
location of fuel pump relay on 1995 1/2 ton chevy pickup?
Feb 9, 2009 at 2:02 PM
Advertisement
Avatar
RASMATAZ
  • CERTIFIED EXPERT
  • 75,992 POSTS
Hello,

The fuel pump relay is Its in the underhood fuse/relay center. Here is a guide to help you test it and diagrams below to show the location.


https://www.2carpros.com/articles/how-to-check-an-electrical-relay-and-wiring-control-circuit

Check out the diagrams (Below). Please let us know if you need anything else to get the problem fixed.
Feb 9, 2009 at 2:16 PM
Avatar
STEVEN MOYERS
  • MEMBER
  • 5 POSTS
Put new pump in and now i am not getting power to my pump. check little fuses they all good. need help finding pump relay switch.
Feb 8, 2019 at 8:00 PM (Merged)
Advertisement
Avatar
CARADIODOC
  • CERTIFIED EXPERT
  • 34,306 POSTS
Are you cranking the engine while checking for voltage to the pump? What symptom are you trying to solve and what led up to the problem? Have you checked for spark?
Feb 8, 2019 at 8:00 PM (Merged)
Avatar
STEVEN MOYERS
  • MEMBER
  • 5 POSTS
am not getting no power to the fuel pump only power I am getting is the fuel level that is to the purple wire. have no power whatsoever to the grey.
Feb 8, 2019 at 8:00 PM (Merged)
Avatar
STEVEN MOYERS
  • MEMBER
  • 5 POSTS
After i put the pump in it fired up ran good in my driveway then when I went to take it for a ride and give it gas it sounded like it was starving for gas. when I downshifted it from third to second it just shut off. I had no gas or power to the pump.
Feb 8, 2019 at 8:00 PM (Merged)
Avatar
CARADIODOC
  • CERTIFIED EXPERT
  • 34,306 POSTS
Have you checked for spark or did you get stuck on the first thing you found missing? Fuel supply system failures account for about four percent of crank/ no-starts. Loss of spark accounts for about another one percent. Loss of spark and fuel accounts for ninety five percent of these no-starts. Once I know if you have spark, I can figure out where to start the diagnosis.

Also, you did not tell me if you are checking for voltage to the fuel pump while cranking the engine. You had better not have voltage to it if the engine is not rotating.
Feb 8, 2019 at 8:00 PM (Merged)
Avatar
GAMOYER
  • MEMBER
  • 1 POST
Electrical problem V8 Four Wheel Drive Automatic 105000 miles

Where is the fuel pump relay?
Feb 8, 2019 at 8:00 PM (Merged)
Avatar
STEVEN MOYERS
  • MEMBER
  • 5 POSTS
Only thing I had I was testing with a test light.
Feb 8, 2019 at 8:00 PM (Merged)
Avatar
STRAILER
  • CERTIFIED EXPERT
  • 53,855 POSTS
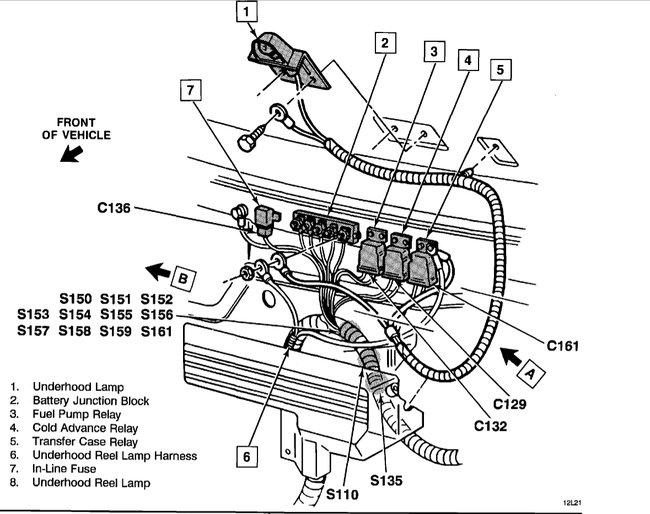
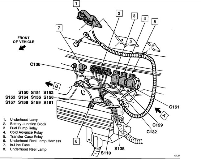
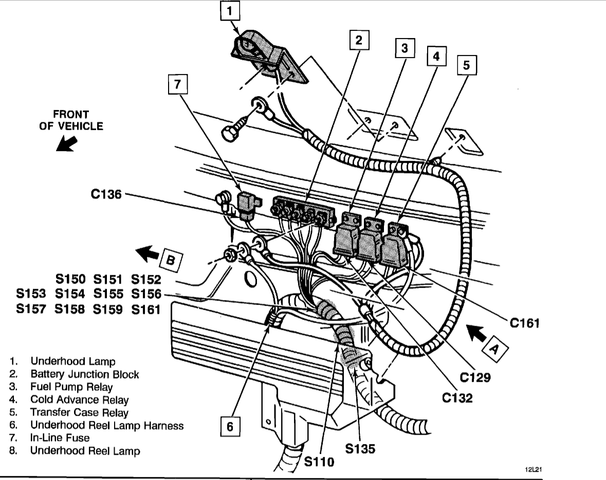
The fuel pump relay is on the right side of the firewall near the battery junction block cover. Item location no.3

Here is a guide top help you test it

https://www.2carpros.com/articles/how-to-check-an-electrical-relay-and-wiring-control-circuit

Check out the diagrams (Below)

Please let us know if you need anything else to get the problem fixed.

Cheers, Ken
Feb 8, 2019 at 8:00 PM (Merged)
Avatar
STEVEN MOYERS
  • MEMBER
  • 5 POSTS
Only thing I had I was testing with a test light
Feb 8, 2019 at 8:00 PM (Merged)
Avatar
CARADIODOC
  • CERTIFIED EXPERT
  • 34,306 POSTS
I will be back tomorrow to see if you checked for spark or answered any of my other questions. You should have zero volts feeding the fuel pump unless the engine is rotating.
Feb 8, 2019 at 8:00 PM (Merged)
Avatar
TERRID
  • MEMBER
  • 2 POSTS
will not stay running. Replaced fuel pump as well as all the lines. can not locate the fuel relay to check it out. Any help would be much appreciated!!! Thank you so much ..... Terri
Feb 8, 2019 at 8:00 PM (Merged)
Avatar
RIVERMIKERAT
  • CERTIFIED EXPERT
  • 6,110 POSTS
VIN code? California model? See image.
Feb 8, 2019 at 8:00 PM (Merged)
Avatar
TERRID
  • MEMBER
  • 2 POSTS
I doubt it is a california model, it was purchased new in Ohio. Is the VIN code part of the VIN number? Sorry, I am researching this for my boyfriend so we are back and forth on the phone as I am serching for an answer. He has been trying to get the truck to run for over a week now, and has replaced the fuel pump 3 times! Also, he replaced all the fuel lines. The truck starts, but will only go a few yards. I believe he also said the psi is low....? Thank you SO MUCH for your time in replying to me!
Feb 8, 2019 at 8:00 PM (Merged)
Avatar
RIVERMIKERAT
  • CERTIFIED EXPERT
  • 6,110 POSTS
Yes, the VIN code is part of the VIN#.
Have him spray carburetor cleaner into the air intake and see if that keeps the engine running. If so, he has a fuel delivery issue. No matter which engine (VIN code) it is, the fuel pump relay is located in or near the main relay/fuse/junction box. The code basically tells us which location in the box it is.

You said he mentioned the fuel pressure was low. How low? Can he rent or borrow a fuel pressure tester from a parts store to check? Have him listen for the relay and pump activating when he turns the key to On and Start. Have him use a meter or test light to see if the fuel pump (in the fuel tank, at the top) is getting power.
Feb 8, 2019 at 8:01 PM (Merged)
Avatar
DREWADH
  • MEMBER
  • 1 POST
Engine Mechanical problem
1996 Chevy Truck 6 cyl Two Wheel Drive Automatic

were is the fuel pump relay at on a 96 s10
Feb 8, 2019 at 8:01 PM (Merged)
Avatar
RASMATAZ
  • CERTIFIED EXPERT
  • 75,992 POSTS
Fuel Pump Relay


https://www.2carpros.com/forum/automotive_pictures/12900_fpr_5.jpg

Feb 8, 2019 at 8:01 PM (Merged)
Avatar
CHASETARD
  • MEMBER
  • 3 POSTS
V8 two wheel drive automatic.

i cannot find the relay for my fuel pump. i had to replace the rubber lines due to cracks and wear, i did not disconnect the wires to the pump when i dropped the tank. i removed the pump and placed a plastic bag over it to protect it from debris, then poured the old gas out. i replaced the lines, re-installed the pump and tried to prime the pump by switching the ignition on/off but now i do not hear the pump running or the relay. i checked the fuses and were good but could not find the relay. i bought the replacement part hoping to make a visual match but no luck. any answers?
Feb 8, 2019 at 8:01 PM (Merged)
Avatar
DOCFIXIT
  • CERTIFIED EXPERT
  • 18,828 POSTS
On firewall passenger side two relays bolted to wall pump on right.
Feb 8, 2019 at 8:01 PM (Merged)
Avatar
CHASETARD
  • MEMBER
  • 3 POSTS
i saw where you speak of but only one relay and is nowhere simillar to the repacement i bought from autozone.
Feb 8, 2019 at 8:01 PM (Merged)
Avatar
DOCFIXIT
  • CERTIFIED EXPERT
  • 18,828 POSTS
What model ?
Feb 8, 2019 at 8:01 PM (Merged)
Avatar
CHASETARD
  • MEMBER
  • 3 POSTS
1987 chevrolet 1/2 ton 2wd 5.7ltr 350ci TBI customdeluxe 10 P.O.S.


https://www.2carpros.com/forum/automotive_pictures/370299_061809_2015_1.jpg

Feb 8, 2019 at 8:01 PM (Merged)
Avatar
2CP-ARCHIVES
  • MEMBER
  • 4,540 POSTS
I have a no start and have replaced the fuel relay and still nothing everything I've read said to check the ecn b fues, but I can't find the location. Can you help me with that?
Feb 8, 2019 at 8:01 PM (Merged)
Avatar
DOCFIXIT
  • CERTIFIED EXPERT
  • 18,828 POSTS
That is the fuel pump relay do not know what Auto Zone gave you. Find orange and red wire jumper this will hot wire pump.
Feb 8, 2019 at 8:01 PM (Merged)
Avatar
JDL
  • CERTIFIED EXPERT
  • 16,098 POSTS
If it cranks good, but, won't start, have helper crank it, while you visually check for spark at the spark plugs. If you have spark everywhere, use a gage and check fuel pressure. How long since a tune-up? Are there any applicable mil codes? You can check mil codes, yourself. Use a jumper wire between the A & B terminals at the datalink connector. Turn key just till dash lites come on, no further. The mil lamp on the dash starts flashing. You count the flashes to get the codes. Your looking for two digit codes.

To test for spark, you can use a spark tester. Plug it into the spark plug boot, ground metal part of tester to metal part of engine, engine cranking, watch for spark at the tester. The autostore sells a spark tester, doesn't cost much. There are other ways to check for spark, but, the tester is the safest, if you don't like getting bit by secondary ignition voltage, which I don't.

Do you still want the location of fuse box?
Feb 8, 2019 at 8:01 PM (Merged)
Avatar
JDL
  • CERTIFIED EXPERT
  • 16,098 POSTS
The fuse block is under left side of dash.
Feb 8, 2019 at 8:01 PM (Merged)
Avatar
AUDREYSDUANE
  • MEMBER
  • 1 POST
I ran into the same problem, Auto Zone does not carry anything like this, and LMC Truck caries the same thing as Auto Zone. Where can I get the right part?
Feb 8, 2019 at 8:01 PM (Merged)
Avatar
PASTORED
  • MEMBER
  • 1 POST
Engine Mechanical problem
1994 Chevy Truck V8 Two Wheel Drive Automatic

where is the fuel pump relay switch located, under hood where, is it inside something. or is it under the dash
Feb 8, 2019 at 8:01 PM (Merged)
Avatar
BLUELIGHTNIN6
  • CERTIFIED EXPERT
  • 16,542 POSTS
attached to passenger side firewall, under hood..


https://www.2carpros.com/forum/automotive_pictures/261618_Noname_1438.jpg

Feb 8, 2019 at 8:01 PM (Merged)
Avatar
BILLABBOTT
  • MEMBER
  • 1 POST
Where is the fuel relay for a 1993 Chevy 4x4 350ci automatic work truck?
Feb 8, 2019 at 8:01 PM (Merged)
Avatar
RASMATAZ
  • CERTIFIED EXPERT
  • 75,992 POSTS
The fuel pump relay is located on right side of firewall near battery jucntion block-see item location no.3 below


https://www.2carpros.com/forum/automotive_pictures/12900_fp_relay_3.jpg

Feb 8, 2019 at 8:01 PM (Merged)
Avatar
ROSUL22
  • MEMBER
  • 4 POSTS
can you tell me where these are located and what exactly they do?
Feb 8, 2019 at 8:01 PM (Merged)
Avatar
BLUELIGHTNIN6
  • CERTIFIED EXPERT
  • 16,542 POSTS
your vehicle does not have an intertia (fuel cut-off switch) and the fuel pump relay is similar to a switch that flips on and off. when key is turned on in ignition it flips the "switch" (fuel pump relay) on which allows electrical current to flow to the fuel pump. your vehicle's fuel pump relay is located on the right side of the firewall , behind the battery junction block cover.
Feb 8, 2019 at 8:01 PM (Merged)