Crankshaft Position Sensor

1994 CHEVROLET TRUCK
Avatar
MEGGIE1323
  • MEMBER
  • 1 POST


I have a 1994 Chevy s10 truck and it wont start. I have heard that it could be the crank shaft sensor but I cant find it. Where would it be located?
Jul 23, 2010 at 12:24 PM
Advertisement
Avatar
JDL
  • CERTIFIED EXPERT
  • 16,098 POSTS
What model and litre size of engine? I looked at a C1500, if you have distributor, no crank sensor. Have a helper crank it, while you visually check for spark at the plugs. If you have spark everywhere, use a gauge and check fuel pressure. Any applicable trouble codes?

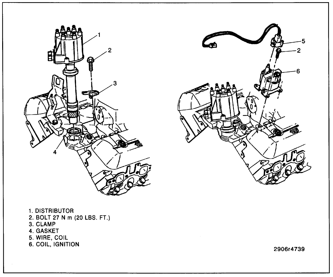
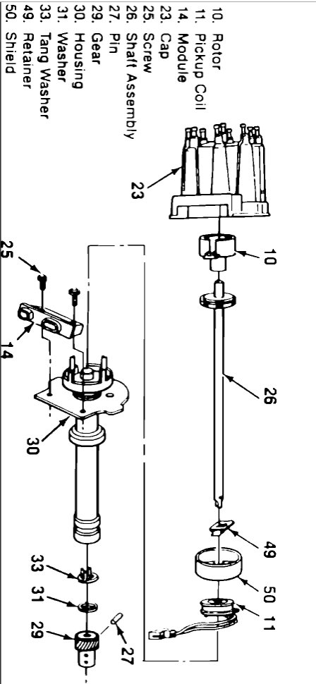
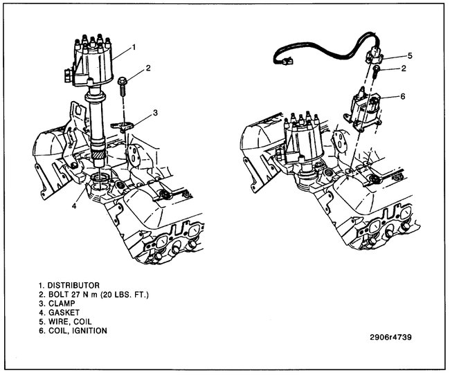
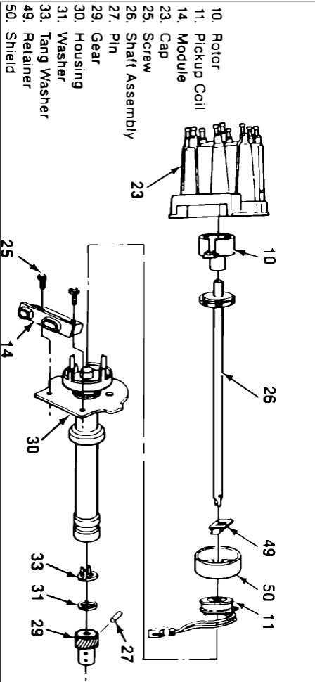
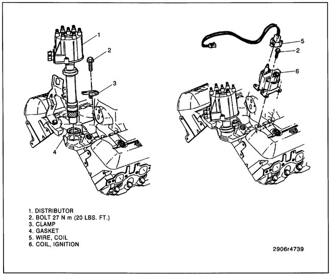
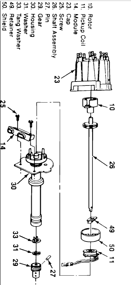
There is a pick up coil which does the same job as a crankshaft sensor. Check out the diagrams (Below). Please let us know what happens.
Jul 23, 2010 at 12:33 PM
Avatar
TDECKER85087
  • MEMBER
  • 8 POSTS
Where is the Crankshaft Position Sensor located on a 5.7 L K1500?
Jun 12, 2020 at 11:15 AM (Merged)
Advertisement
Avatar
MATHIASO
  • CERTIFIED EXPERT
  • 1,209 POSTS
This vehicle is not equipped with selected component . How can I help? does the vehicle has problem starting?

This guide can help us

https://www.2carpros.com/articles/car-cranks-but-wont-start

Please run down this guide and report back.
Jun 12, 2020 at 11:15 AM (Merged)
Avatar
TDECKER85087
  • MEMBER
  • 8 POSTS
Correct. The truck does not start. There is no spark at the plug. I have changed distributer cap, rotor, timing chain and still no spark at the plug. I do have spark at the coil wire off he coil. Would a bad pick up coil or something in the distributor not allow spark to get to the plug?
Jun 12, 2020 at 11:15 AM (Merged)
Avatar
MATHIASO
  • CERTIFIED EXPERT
  • 1,209 POSTS
we do not have spark, we should check for fuel.
there is an electric fuel pump underneath. when starting, Can you hear the fuel pump?
Jun 12, 2020 at 11:15 AM (Merged)
Avatar
TDECKER85087
  • MEMBER
  • 8 POSTS
yes there is fuel spraying into the throttle body. It still has no spark at the plugs. I turned the distributor about 3" and seen a spark at the plug. It only sparked once on the number one cylinder. What would cause this?
Jun 12, 2020 at 11:15 AM (Merged)
Avatar
MATHIASO
  • CERTIFIED EXPERT
  • 1,209 POSTS
Yes either the ignition module or the distributor pickup.
they will need to be checked ,because they are most likely to cause that problem.

When you install the new distributor, line up the vacuum advance in the same direction as the old distributor was pointing, rotate the shaft so the rotor will be pointing approximately in the same location as the #1 spark plug terminal, then slide the distributor into the engine. The angle of the drive gears will cause the rotor to rotate slightly and the distributor slides all the way into the engine. Replace the distributor hold down clamp and nut, but do not tighten.

Start the engine and use a timing light to adjust the timing to specifications (typically 6 to 10 degrees of advance with the vacuum advance hose disconnected and plugged at 550 to 650 rpm idle speed).
Jun 12, 2020 at 11:15 AM (Merged)