junction block wiring on fire wall .

1993 CHEVROLET TRUCK
Avatar
GENE62
  • MEMBER
  • 3 POSTS
There is three wires from the engine wire harness hooked up to the block one is from the alternator. Is there supposed to be a hot wire from the battery to the end post also.?

Thank you.
Gene
Feb 6, 2010 at 10:56 AM
Advertisement
Avatar
JDL
  • CERTIFIED EXPERT
  • 16,098 POSTS
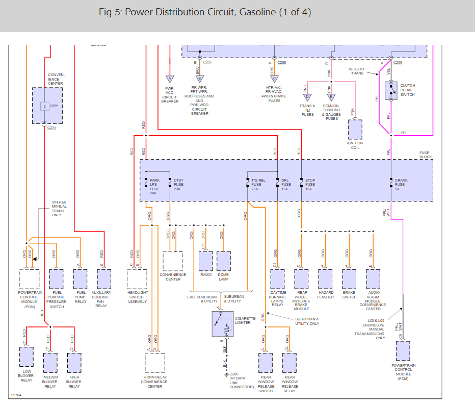
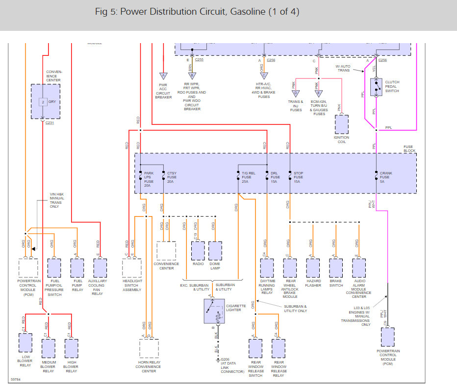
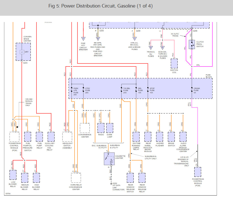
welcome to the forum. I looked at a junction block for c1500. Picture below. Yes, the info shows a battery connection at the junction block. The complete wiring daigrams are in the images below


https://www.2carpros.com/forum/automotive_pictures/170934_junction_block_1.jpg

This guide can help you test the wiring https://www.2carpros.com/articles/how-to-check-wiring Check out the diagrams (Below). Please let us know if you need anything else to get the problem fixed.
Feb 6, 2010 at 11:17 AM
Avatar
CRESTA
  • MEMBER
  • 3 POSTS
Electrical problem
1987 Chevy Truck V8 Two Wheel Drive Automatic

I have no SES light. I have done the diagnostics and have no 12v power to ECM terminals C16 and B1. (I do have power on A6).
I have checked ECM B fuse and it is OK however I do not have 12v at the fuse holder? nor do I have Horn/Dome or Lights, tail and park. All these fuses are OK and are on the left side of the fuse box (Which is the Batt side which I think should be a permanent 12V). This is telling me that I may have a feed problem to the fuse box. Can anyone tell me where the feed is to the fuse box and what color wire should it be?
I have checked the wires from the convenience center and they are OK. I have also checked for 12v down line from the fusable link and that is OK (if it is the black lump in the wire from the convenience center!)!
May 15, 2019 at 2:40 PM (Merged)
Advertisement
Avatar
JAMES W.
  • CERTIFIED EXPERT
  • 2,394 POSTS
The only fuseable links (2) that feed your fuse block come off the starter solenoid unless you have a factory dual battery system.
It sounds like most of your fuse block is dead. If it's not one of the links by the starter it must be in the fuse block itself. Pull it lose and check the backside for any burned areas. You should be able to see the power grid route from the back. Let me know what you find.
May 15, 2019 at 2:40 PM (Merged)
Avatar
CRESTA
  • MEMBER
  • 3 POSTS
Thank you for your reply.
I do have ignition power to fuse box along with accessory power, just no permanent batt power!
(I do not have the optional factory two batteries).
There are only two pos wires to/from the starter solenoid (not including the switch wire). One goes directly to the pos batt post (thick), the other goes to the convenience center (medium) neither appear to have a fusable link!
There is no apparent alteration to the wiring harness.
I do not have a wiring diagram but in supposition I think that the two wires that leave the convenience center are as follows. I medium thickness RED wire goes towards the passenger side and eventually terminates at a relay on the A/C evaporator.
The other is a medium thickness ORANGE wire with a black "lump" in it about 4 inches from the convenience center with the #16 on it. This is the wire I THINK maybe takes battery power via the big connector through the firewall to the fuse box.
I do have 12 volts in this wire about an inch down line of the "lump"
Are you able to confirm I am on the right track?
Thanks again,
Ric
May 15, 2019 at 2:40 PM (Merged)
Avatar
JAMES W.
  • CERTIFIED EXPERT
  • 2,394 POSTS
Normally I can pull a power distribution diagram but, there isn't one available for your truck. The diagram I have shows 2 fused links off the starter.
You're on the right track. The wire with the "lump" in it. Do you have 12 volts on BOTH sides of the lump? If no, this is probably where the problem is. Let me know.
May 15, 2019 at 2:40 PM (Merged)
Avatar
CRESTA
  • MEMBER
  • 3 POSTS
Thanks for you help guys but I have found the problem! What was confusing to me was the second wire (with fusable link from the starter) was not there. From all the research I did it should have been. On the Diesel and I think 454ci this power lead went directly from the battery + to the alternator. It must have done with this one as well although it is a 350ci. I did find someone else on th internet with the same problem, sound like some may have come off the production line like this. When we got this truck it had no engine so we put a 92 TBI in it with some electical modifications but the pos battery cable was not with it so we used the one that came with the 92, this went straight to the convenience center. Truck is now up and running!
Thanks again,
Ric
May 15, 2019 at 2:40 PM (Merged)
Avatar
JAMES W.
  • CERTIFIED EXPERT
  • 2,394 POSTS
Glad you found it, Ric. Our resource system is usuallt pretty much right on but, there are some holes in it. Anything else, you know where to find us.
May 15, 2019 at 2:40 PM (Merged)
Avatar
2CP-ARCHIVES
  • MEMBER
  • 4,540 POSTS
Can I merge two into one? ignition to starter wire fried, would like to know where in fuse block safe to put a bypass for jump, already ran one thru firewall from starter, and when truck is running if you step on gas pedal, the manual shifter from floor slams forward and when you let off pedal slams back. what should check?
May 15, 2019 at 2:40 PM (Merged)
Avatar
FREEMBA
  • CERTIFIED EXPERT
  • 1,152 POSTS
check the transmission mount (at the trail of the transmission)


when you say the the ignition to starter wire is fried, do you mean that it burned all the way from the starter to the ignitions switch? if not, how much did it burn?
the reason i asked is because the starter to ignition wire has a fusible link in it to prevent it from burning much more than a few inches on the starter side. check that fusible link [looks like an inline fuse] to see if it has burned out. If so, you may only need to change it out--you can buy then at autozone or similar part store.
May 15, 2019 at 2:40 PM (Merged)
Avatar
DOUGGILTNER
  • MEMBER
  • 1 POST
Wire harness to transmission was pulled loose, and wires shorted together, now it only has 2nd and 3rd gear. Also when a scanner is plugged in, it will not recognize the ECM. The truck will start and run,but only has 2nd and 3rd gear. I think there may be a blown fuse, but the only fuse box I can find is on the lower left side of the dash, and all the fuses in that box are good. Is there another fuse box on the truck somewhere, or is there another problem?
May 15, 2019 at 2:41 PM (Merged)
Avatar
HMAC300
  • CERTIFIED EXPERT
  • 48,601 POSTS
the trans is in limp mode, check fusible links in pic then check to make sure all wires at trans are not broken/chafed.
May 15, 2019 at 2:41 PM (Merged)
Avatar
YOPASEEPT
  • MEMBER
  • 0 POST
Sensual Blonde Celeb Tane McClure Strips and Then Gets Fucked https://wankmovie.com/
Oct 30, 2022 at 3:14 PM
Avatar
EONESEEPT
  • MEMBER
  • 0 POST
https://wankmovie.com/ The one thing that stays constant is her desire to be packed full of cock from every angle.
Nov 1, 2022 at 3:58 AM
Avatar
OEVISEEPT
  • MEMBER
  • 0 POST
https://wankmovie.com/ Whorish cheating brunette teacher Jenla Moore with juicy knockers and delicious ass gets fucked from behind by her horny student Kris Slater and sucks his stiff cock in classroom
Nov 2, 2022 at 8:32 AM