taillights, parking lamps, brake lights and backs lamps don't light?

1990 CHEVROLET TRUCK
999,999 MILES • V8 • 4WD • AUTOMATIC
Avatar
DRT
  • MEMBER
  • 1 POST
My plow truck (which passed inspection) has a taillights problem. The hazards and directionals work in the rear but the taillights, parking lamps, brake lights and back up lamps don't light. Fuses and circuit breakers appear fine. I've done no work on the lights and I'm sure they worked before...

Any suggestions of where to look next?
3500 Dually extended cab.

Also, I've cleaned up the trailer connector, so I don't think it was shorting out...
Dec 6, 2007 at 5:41 PM
Advertisement
Avatar
MERLIN2021
  • CERTIFIED EXPERT
  • 17,250 POSTS
Test the headlamp switch and continuity of the wires...
Dec 7, 2007 at 3:08 PM
Avatar
STRAILER
  • CERTIFIED EXPERT
  • 53,855 POSTS
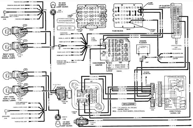
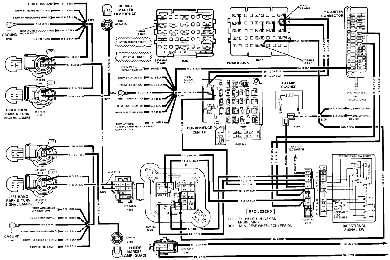
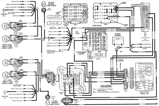
I would check for power when the lights are on at the lighting socket. Here are two guides that can help you because it sounds like you have a bad ground connection. I have included the lighting wiring diagrams so you can see how the system works.

https://www.2carpros.com/articles/how-to-use-a-test-light-circuit-tester

and

https://www.2carpros.com/articles/no-tail-lights-exterior-running-lights-tail-lights-out

Check out the images (below). Let us know what you find.
Jul 6, 2024 at 5:58 PM
Advertisement