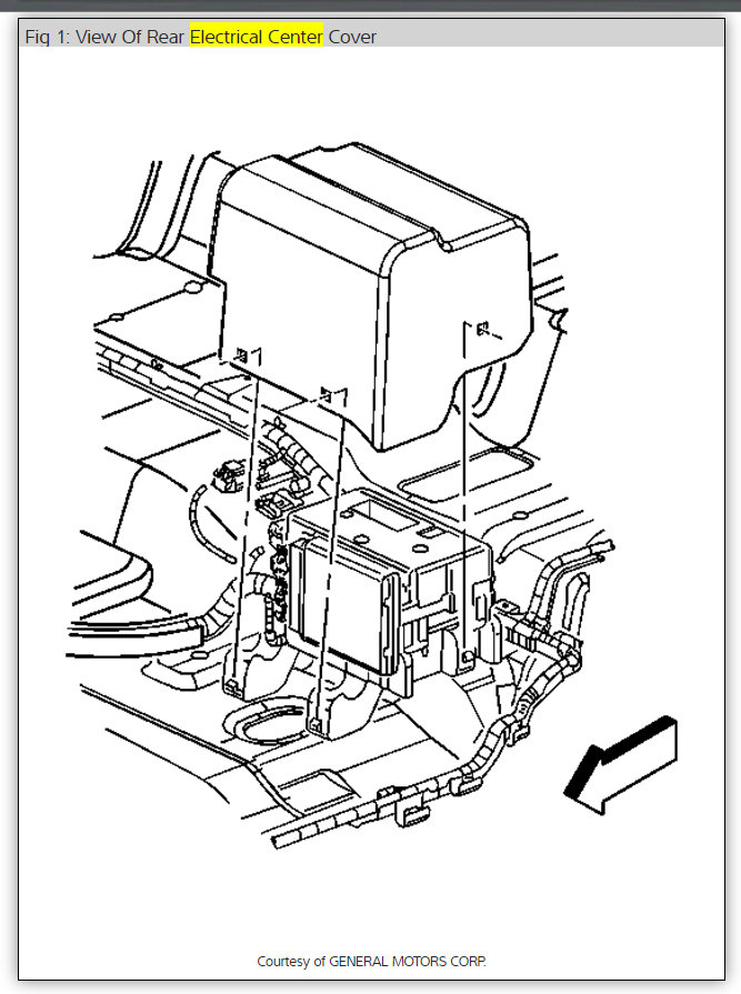
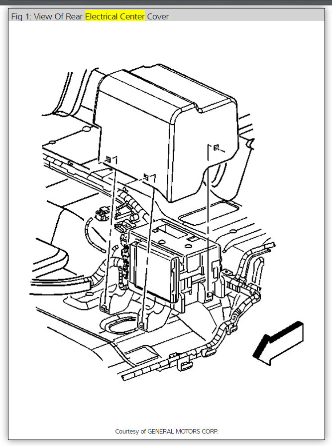
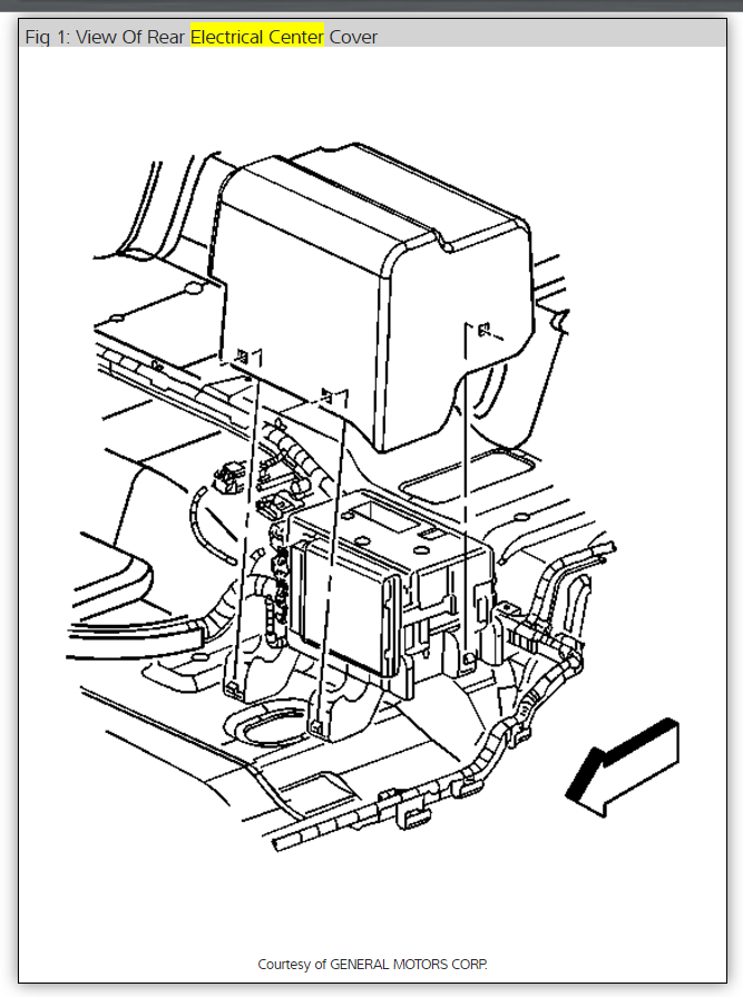
fold seat to move in order to get to the fusebox with ID

2008 CHEVROLET TRAILBLAZER
20,000 MILES • 6 CYL • 4WD • AUTOMATIC
Avatar
KARLACTIONBOWMAN
  • MEMBER
  • 1 POST
we cannot figure out to get the flip/fold seat to move in order to get to the fusebox...the car was bought used.
Jun 26, 2009 at 1:18 PM
Advertisement
Avatar
JDL
  • CERTIFIED EXPERT
  • 16,098 POSTS
Hello, here is help with the rear seat and the fuse panel location and identifications (below) as well with a guide to help you with the testing. https://www.2carpros.com/articles/how-to-check-a-car-fuse


https://www.2carpros.com/forum/automotive_pictures/170934_chevy_trailblazer_2.jpg

Check out the diagrams (Below). Please let us know what happens.
Jun 26, 2009 at 3:01 PM
Avatar
2CP-ARCHIVES
  • MEMBER
  • 4,540 POSTS
How do you find the under hood fuse box
May 8, 2021 at 5:44 PM (Merged)
Advertisement
Avatar
STRAILER
  • CERTIFIED EXPERT
  • 53,855 POSTS
First remove battery cables. Next remove fuses and make sure you have the diagram under the fuse box cover to replace them, removing them may not be necessary if you can access all retaining screws. Remove all retaining screws. Remove the three main power screws to the box. On the back of the fuse box carefully dis-connect the electrical connectors as they may have become somewhat brittle with heat and time. They are usually pinch type connectors. Then the fuse box should pull away. Here are some diagrams to help you (below) Please let us know if you need anything else to get the problem fixed.
May 8, 2021 at 5:44 PM (Merged)
Avatar
JAX4103
  • MEMBER
  • 1 POST
Can you tell me where the fuses are and what they go too?
May 8, 2021 at 5:44 PM (Merged)
Avatar
KASEKENNY
  • CERTIFIED EXPERT
  • 18,907 POSTS
Sure. I am attaching the info below on the fuse box. Please run through this info and let us know if you need more info.

Here is a guide that will help with this info:

https://www.2carpros.com/articles/how-to-check-a-car-fuse

Please let us know what else you need. Thanks
May 8, 2021 at 5:44 PM (Merged)
Avatar
LBURTON71
  • MEMBER
  • 1 POST
Where is the fuse for the radio?
May 8, 2021 at 5:45 PM (Merged)
Avatar
HMAC300
  • CERTIFIED EXPERT
  • 48,601 POSTS
Hello,

The fuse for the radio is in the passengers compartment here is a guide to help you test the fuse and the location of the fuse panels are in the diagrams below.


https://www.2carpros.com/articles/how-to-check-a-car-fuse


Check out the diagrams (Below). Please let us know if you need anything else to get the problem fixed.
May 8, 2021 at 5:45 PM (Merged)
Avatar
RFEKETE
  • MEMBER
  • 1 POST
The fuse map does not show location, it only shows washer fluid. Blades will not shut off.
May 8, 2021 at 5:45 PM (Merged)
Avatar
STRAILER
  • CERTIFIED EXPERT
  • 53,855 POSTS
This problem is because the BCM needs to be replaced here are instructions in the diagrams below. Here is the wiper wiring so you can see how the system works with fuse and relay locations as well. Check out the diagrams (Below). Please let us know what happens.
May 8, 2021 at 5:45 PM (Merged)
Avatar
ALICE RUSH
  • MEMBER
  • 3 POSTS
The fuse box instead of the battery was used on this vehicle during a jump start by accident. After a proper jump start, the vehicle runs fine with all components necessary to safely drive, however there are no interior lights, a/c, p/w or p/l, and no radio or navigation. a check of the fuse boxes shows all fuses intact, and the visable wiring under the hood appears intact. I didn't actually shack the relays in the fuse boxes, I pulled them and they appeared fine. Before I pay the dealer too much money, do you have any further ideas?
May 8, 2021 at 5:46 PM (Merged)
Avatar
BRIAN 1
  • CERTIFIED EXPERT
  • 1,030 POSTS
did you check both fuse boxes?did you take a test light on all the fuses to see if they have power on both sides?I think you might have overlooked a blown fuse.you NEVER EVER jump start these vehicles from the fuse box,jumping it like that can spike the ECM or the BCM,it could even melt the bus bar inside the fuse box.post back with what you find and will advise from there.
May 8, 2021 at 5:46 PM (Merged)
Avatar
ALICE RUSH
  • MEMBER
  • 3 POSTS
Thanks for your reply and your help. I did check both fuse boxes (under the hood and under the back seat), and I pulled out many of the fuses (the ones labeled for the problem areas), all look like brand new. I didn't use the tester though. Luckily, nothing anywhere looks melted or even scortched, but I'm wondering where I can't see. I'm scheduled to take it to the dealer tomorrow, and I'm going to ask them to show me what they find because I want to know.
May 8, 2021 at 5:46 PM (Merged)
Avatar
ALICE RUSH
  • MEMBER
  • 3 POSTS
FYI, it turns out that this only blew a main 125 V fuse at the very front of the fuse box, the one connected directly to the battery via nuts and wires. The dealership replaced it and reset everything for $99. Thankfully, not too expensive a lesson learned...
May 8, 2021 at 5:46 PM (Merged)