Hi,
On this vehicle, it isn't too bad to replace the pump. It's located on the front of the engine. Here are the directions specific to your vehicle. The attached pictures correlate with the directions. Additionally, the torque specs are included in the directions.
_________________________
2004 Chevy Truck TrailBlazer 4WD L6-4.2L VIN S
Water Pump Replacement
Vehicle Engine, Cooling and Exhaust Engine Water Pump Service and Repair Removal and Replacement Water Pump Replacement
WATER PUMP REPLACEMENT
Water Pump Replacement
^ Tool Required
^ J 41240 Fan Clutch Wrench
Removal Procedure
pic 1
1. Drain the coolant.
2. Remove the fan and shroud.
3. Remove the drive belt.
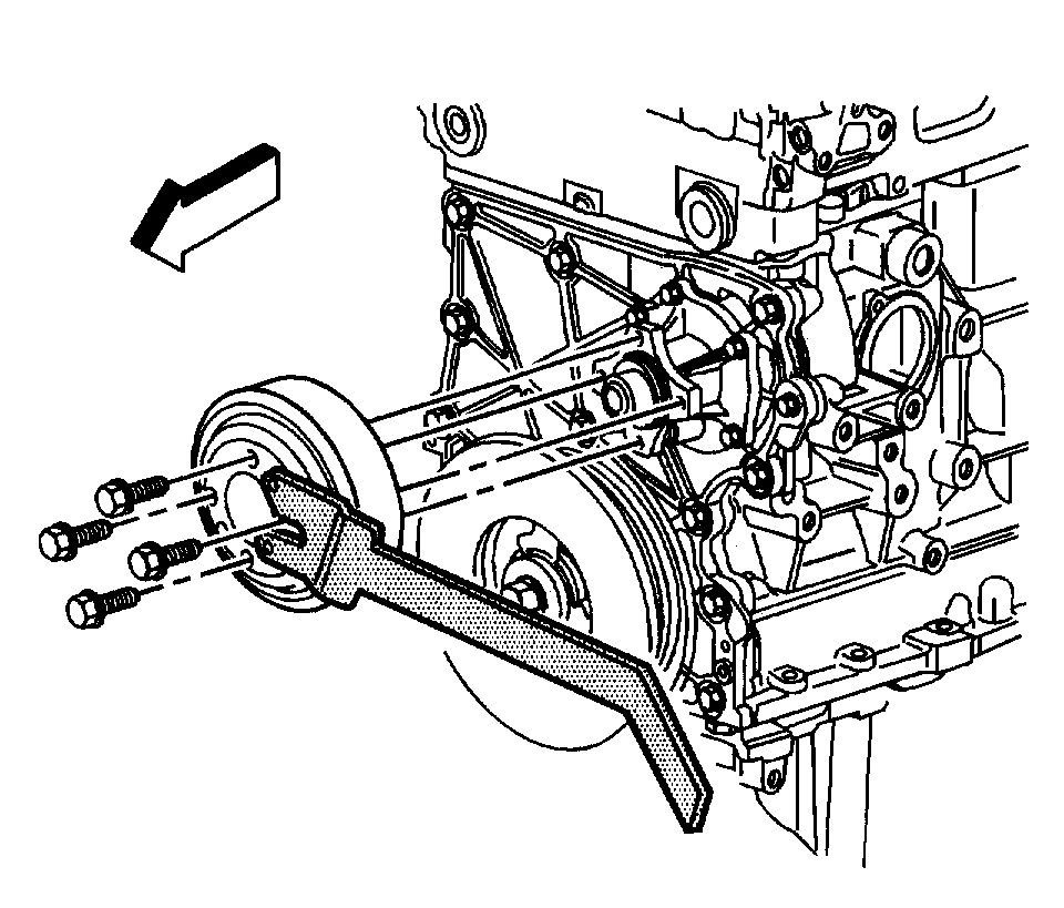
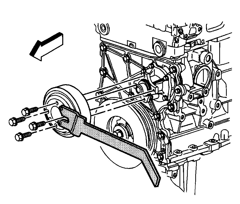
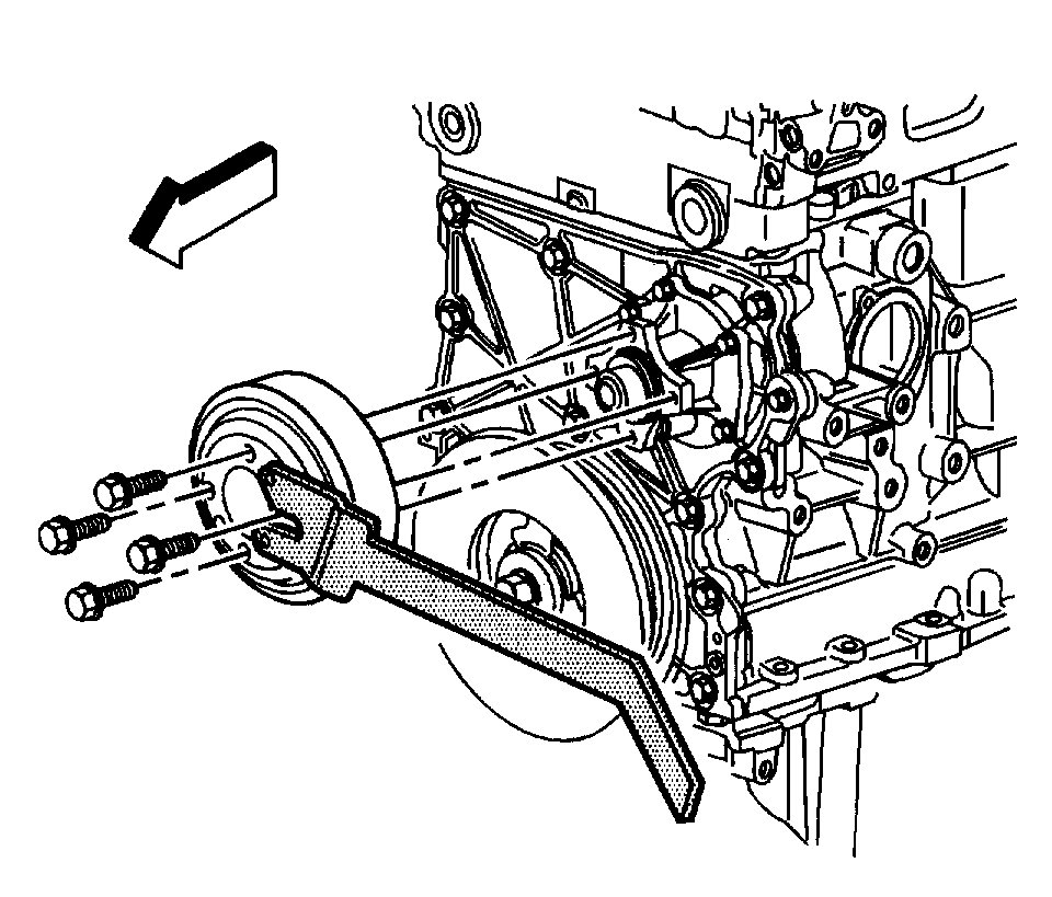
4. Using the J 41240, secure the water pump pulley and remove the water pump pulley bolts.
5. Remove the J 41240.
6. Remove the water pump pulley.
pic 2
7. Loosen and remove the water pump bolts.
8. Remove the water pump.
9. Clean and inspect the water pump.
10. Discard and replace the gasket.
Installation Procedure
pic 3
1. Install a new water pump gasket.
Notice: Refer to Fastener Notice in Service Precautions.
2. Install the water pump and secure the water pump with the bolts.
^ Tighten
On the initial pass, tighten the bolts to 4 Nm (35 inch lbs.).
On the final pass, tighten the bolts to 10 Nm (89 inch lbs.).
pic 4
3. Install the water pump pulley.
4. Install the water pump pulley bolts.
5. Using the J 41240, secure the water pump pulley while tightening the water pump pulley bolts.
^ Tighten the bolts to 25 Nm (18 ft. lbs.).
6. Remove the J 41240.
7. Install the drive belt.
8. Install the fan and the shroud.
9. Fill the cooling system with the specified coolant and concentration.
10. Inspect for leaks.
_________________________
Let me know if this helps or if you have other questions.
Take care,
Joe
Images (Click to enlarge)
Mar 25, 2020 at 11:44 PM