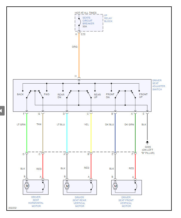
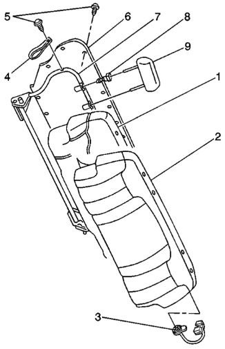
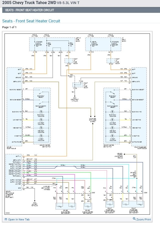
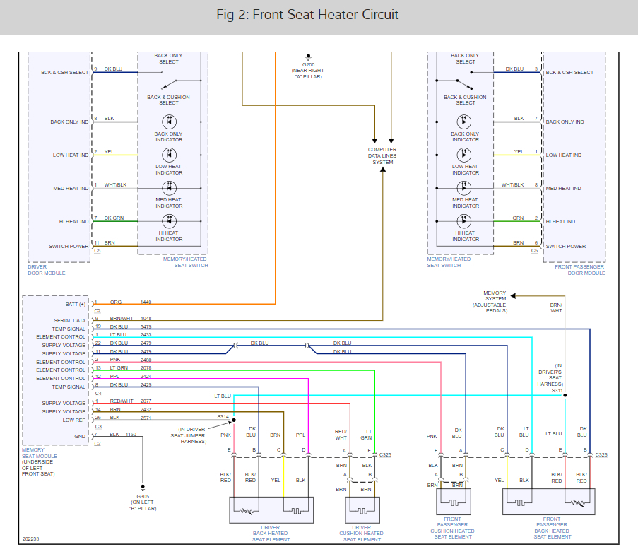
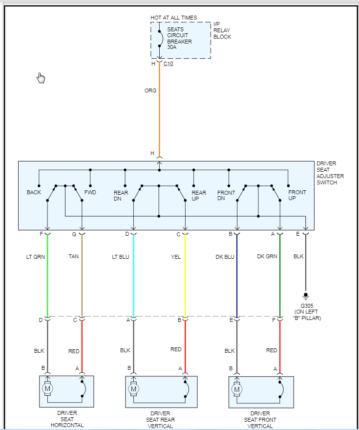
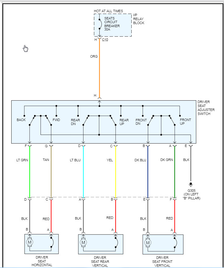
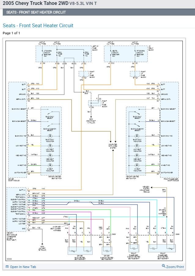
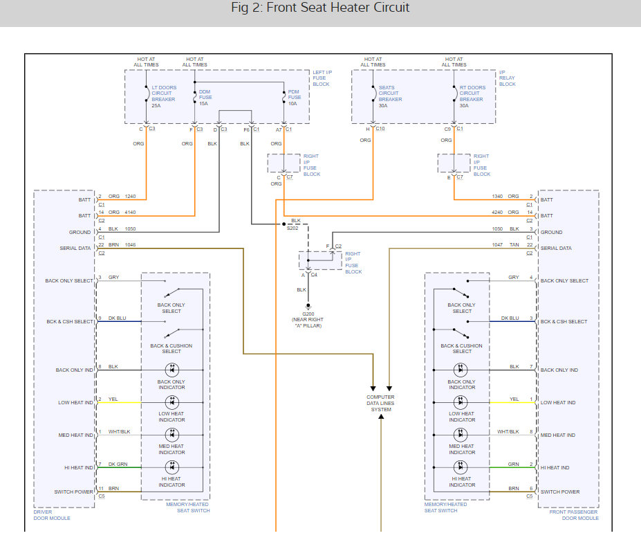
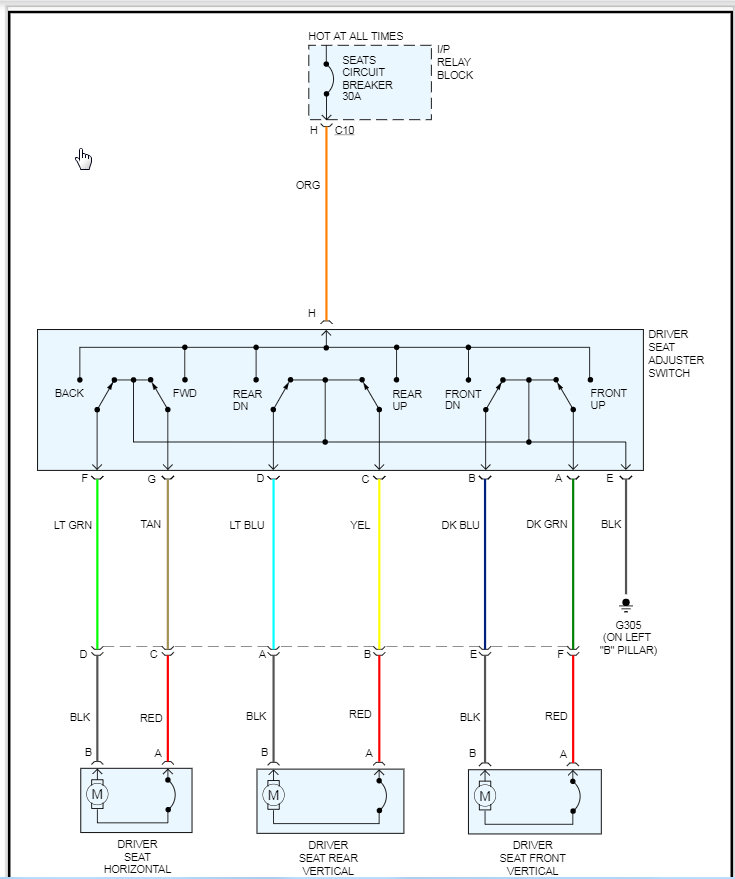
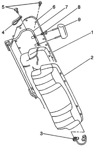
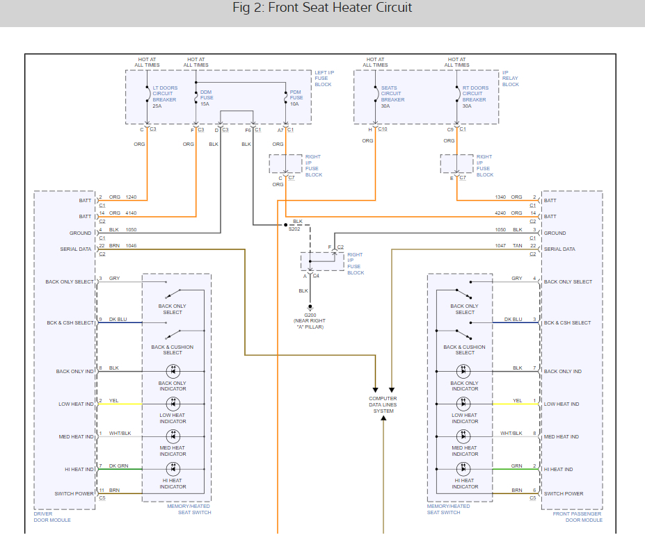
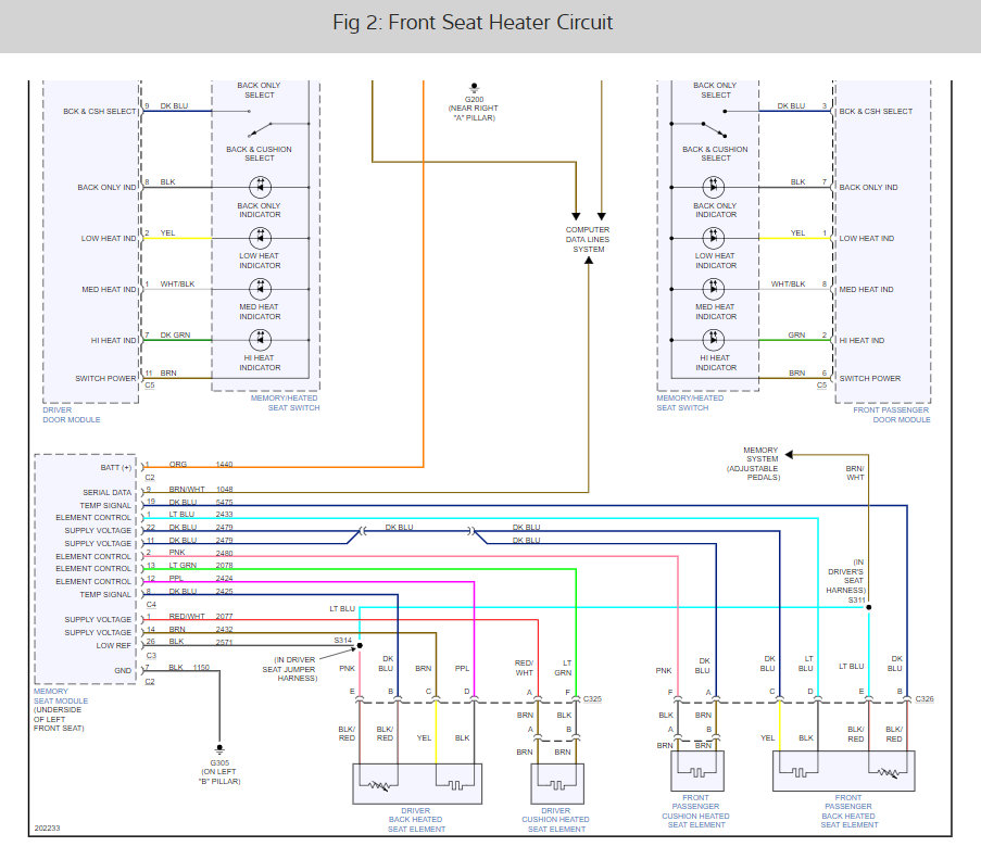
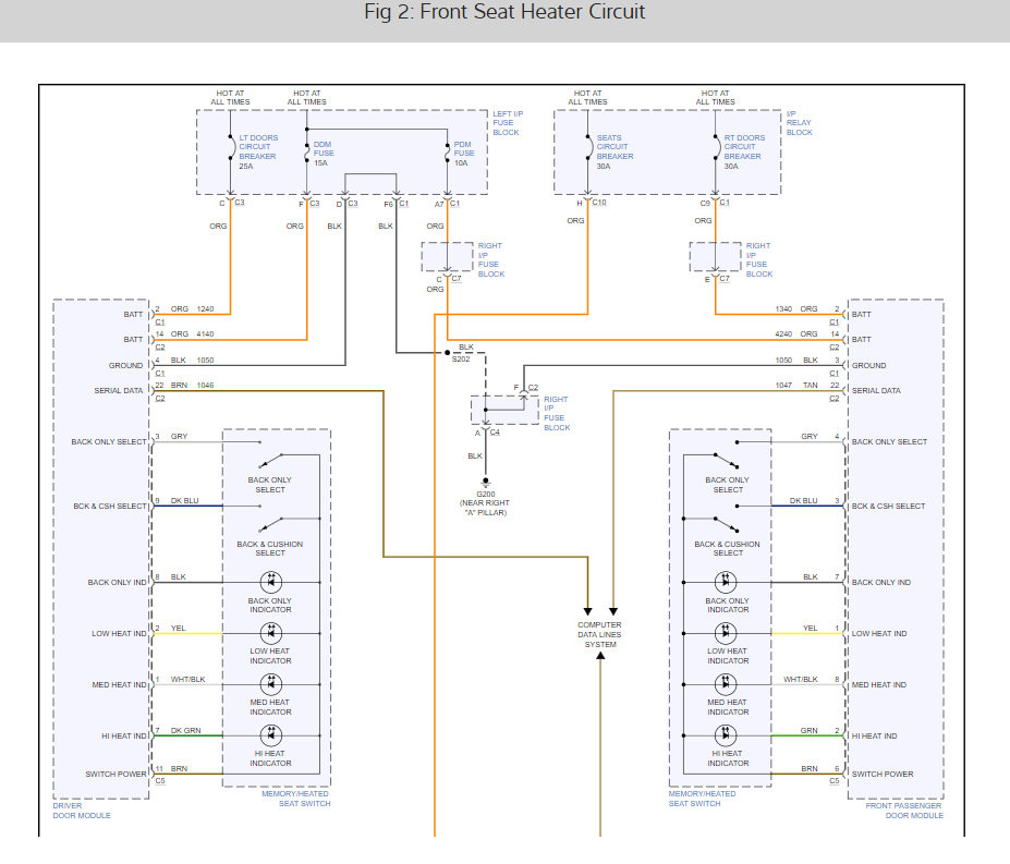
It sounds like you need to replace the seat control module which go out here are the instructions on how to so so in the diagrams below.
MEMORY SEAT CALIBRATION PROCEDURE
The memory seat module uses position sensor inputs to establish soft stop locations for the adjuster motors several millimeters ahead of the physical limits of the adjuster assembly. After replacing a memory seat module or adjuster components, it may be necessary to reset the adjuster motor soft stop locations. When the repair procedure has been completed, operate the seat adjuster switch in every direction until the seat adjuster reaches its mechanical hard stop by repeatedly pressing and releasing the switch as necessary.
Check out the diagrams (Below). This fixed my Tahoe.
Images (Click to enlarge)
Nov 27, 2020 at 10:53 AM
(Merged)