V8 four wheel drive automatic 55,000 miles.
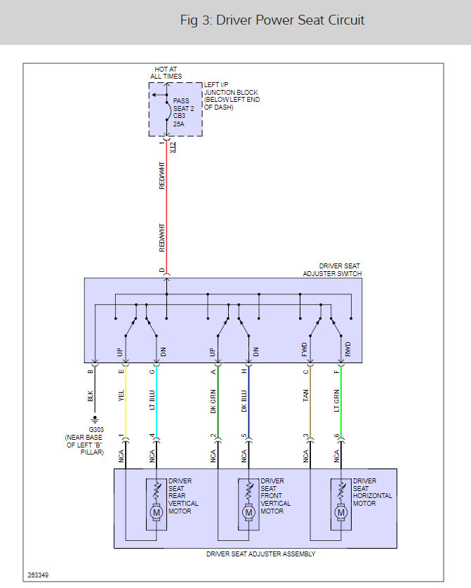
I was traveling from Florida to New York when my driver side seat stop working. It was working find when I left Florida but when I tried adjusting it, nothing. I checked all the fuses and everything seems to be fine. Including the fuses above the brake pedal. I cannot even adjust the lumber. Luckily the seat is set for me but my wife is much shorter and cannot drive the truck until I fix this problem. Help! Thanks.
I was traveling from Florida to New York when my driver side seat stop working. It was working find when I left Florida but when I tried adjusting it, nothing. I checked all the fuses and everything seems to be fine. Including the fuses above the brake pedal. I cannot even adjust the lumber. Luckily the seat is set for me but my wife is much shorter and cannot drive the truck until I fix this problem. Help! Thanks.
Mar 26, 2010 at 10:41 AM







