rear wiper moves back and forth very slowly, and makes a clicking noise. i replace the motor, but it still does the sme thing.
Mar 29, 2010 at 7:56 PM
Advertisement
MARKVDB
MEMBER
6 POSTS
Where is the relay for rear wiper? My 2002 does the same thing.
Apr 14, 2010 at 9:17 AM
BLUELIGHTNIN6
CERTIFIED EXPERT
16,542 POSTS
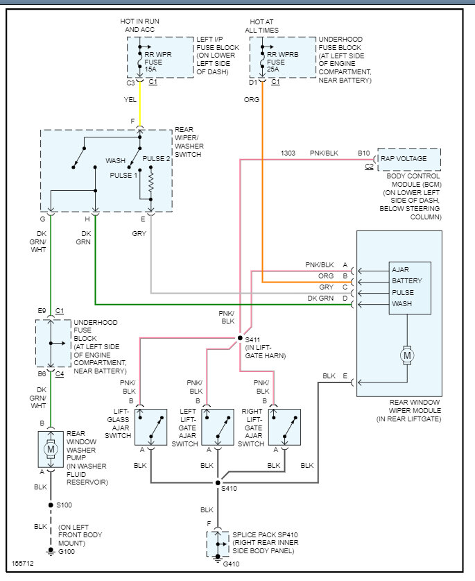
rear window wiper module (in rear liftgate) is normally the cause of this issue on Tahoes.
Apr 14, 2010 at 6:51 PM
Advertisement
VIKES
MEMBER
19 POSTS
Could you expand on that? (Rear window wiper module (in rear liftgate) is normally the cause of this issue on Tahoes.)
Oct 30, 2023 at 10:13 AM
STRAILER
CERTIFIED EXPERT
53,855 POSTS
The wiper module is attached to the rear wiper motor, here are the wiring diagrams so you can see how the system works and where the wiper module is located. Check out the images (below). Please let us know if you need anything else to get the problem fixed.
Images (Click to enlarge)
Oct 30, 2023 at 12:28 PM
VIKES
MEMBER
19 POSTS
Ken, I already have a question open but looking for an updated response.
Oct 30, 2023 at 12:39 PM
VIKES
MEMBER
19 POSTS
I have another question open in regards to the rear window wiper. Are you able to find it?