Engine wont crank over why?

2001 CHEVROLET TAHOE
100,000 MILES • V8 • 4WD • AUTOMATIC
Avatar
JEFF WEAKS
  • MEMBER
  • 1 POST
My 2001 tahoe wont start. It's not the battery. I changed the starter relay already. The lights, radio and odometer come on when key is inserted , but when I try to start the tahoe, nothing happens. There is no sound and the odometer goes off.Is it the starter and if so where is it laocated and would i be able to change it myself? Thanks
Feb 20, 2009 at 12:51 PM
Advertisement
Avatar
JDL
  • CERTIFIED EXPERT
  • 16,098 POSTS
Did you try cranking in neutral? Did you check for voltage at the starter relay. Unplug the relay, use a testlite, with the key in the crank position, check for two hot terminals? If the terminals are hot, you need to do some testing at the starter solenoid.

THis guide will help

https://www.2carpros.com/articles/starter-not-working-repair

Are the battery cables/ wires all clean and tight on both ends?

https://www.2carpros.com/articles/everything-goes-dead-when-engine-is-cranked

Please run down these guides and report back.
Feb 20, 2009 at 1:10 PM
Avatar
BROWNN
  • MEMBER
  • 1 POST
Thank you for this post I had this problem and had to replace the starter cost me $134.00 all fixed I love this site.
Nov 12, 2019 at 2:53 PM
Advertisement
Avatar
CABB1220
  • MEMBER
  • 11 POSTS
So I put in a transmission and drove it to where I did work once. Finished with transmission went to start turned key nothing. The radio comes on windows, light, but no dash. no fuel pump, no starter. change nss switch still nothing. please help.
May 19, 2021 at 3:10 PM (Merged)
Avatar
JACOBANDNICKOLAS
  • CERTIFIED EXPERT
  • 110,175 POSTS
Hi,
Is there power to the battery junction box? See pic 1 Also, confirm all grounds are secure and undamaged. See pic 2.

Let me know.
Joe
May 19, 2021 at 3:10 PM (Merged)
Avatar
CABB1220
  • MEMBER
  • 11 POSTS
I have checked all of this. I was told there is a very small wire across the back of motor that is a ground but I don't know which one it is. there is a loom with a lot of wires.
May 19, 2021 at 3:10 PM (Merged)
Avatar
JACOBANDNICKOLAS
  • CERTIFIED EXPERT
  • 110,175 POSTS
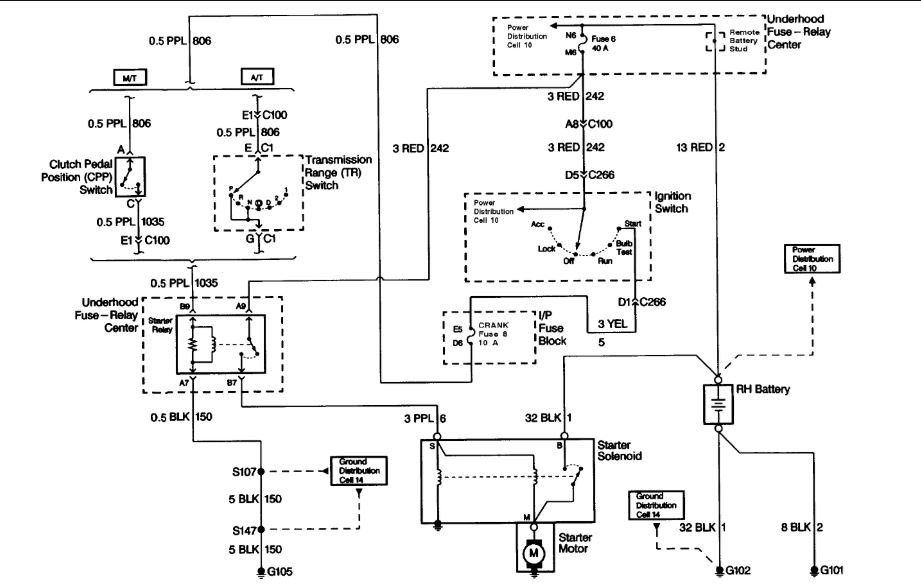
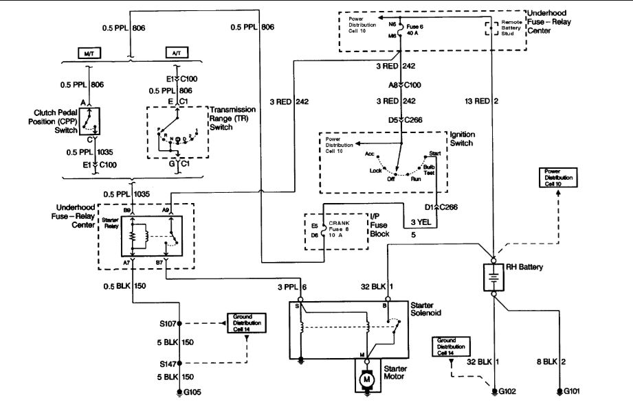
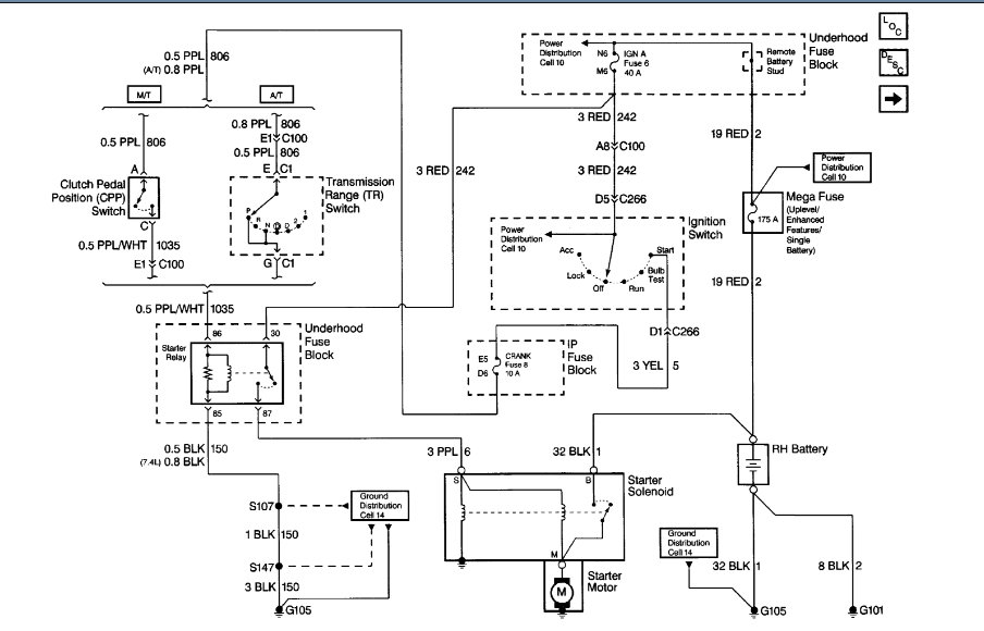
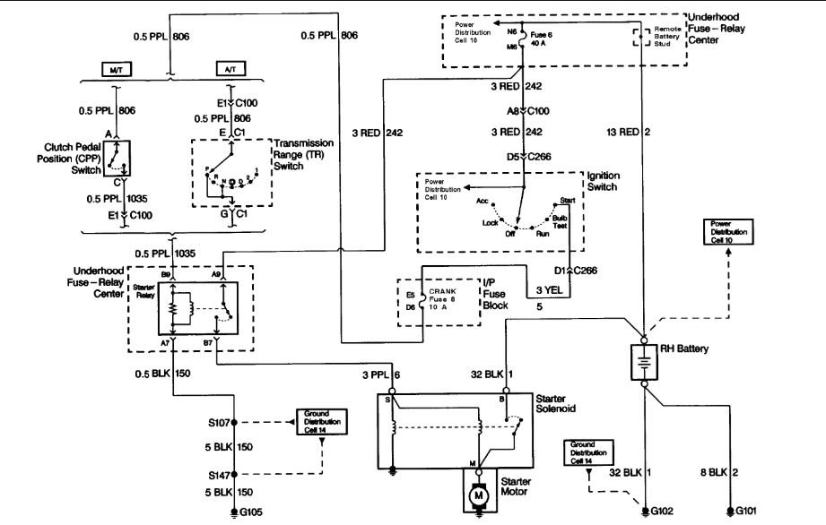
I have attached the ground schematics for the vehicle. I had to overlap them so you could follow them. Take a look through them to see if anything helps. I have to be honest. I'm not saying there isn't a ground wire issue, but for one small ground wire to cause all of these components to rail seems unlikely.

________________________________________

Let me know if that helps.

Joe
May 19, 2021 at 3:10 PM (Merged)
Avatar
CABB1220
  • MEMBER
  • 11 POSTS
I did a jump wire on nss and the fuel pump came on starter relay clicked some one told me to bypass nss how do I do that just to see I've bought 2 of these this already.
May 19, 2021 at 3:10 PM (Merged)
Avatar
CABB1220
  • MEMBER
  • 11 POSTS
I think something is off with the nss.
May 19, 2021 at 3:10 PM (Merged)
Avatar
CABB1220
  • MEMBER
  • 11 POSTS
If I'm not mistaking doesn't the nss works all of these things power in to switch then to dash cluster fuel pump and starter relay.
May 19, 2021 at 3:10 PM (Merged)
Avatar
JACOBANDNICKOLAS
  • CERTIFIED EXPERT
  • 110,175 POSTS
Hi,

Roy is correct. jumping the NSS should only allow the starter relay to engage and nothing with the fuel pump. I assume you checked all around the transmission to confirm nothing was pinched, damaged, or left disconnected. By jumping the NSS and getting the fuel pump to run indicates you are sending power to another circuit.

Joe
May 19, 2021 at 3:10 PM (Merged)
Avatar
CABB1220
  • MEMBER
  • 11 POSTS
I checked very good to make sure didn't see anything. the PCM is getting power also. What about see the cluster is dead as well?
May 19, 2021 at 3:10 PM (Merged)
Avatar
CABB1220
  • MEMBER
  • 11 POSTS
I may just light a fire under it, lol.
May 19, 2021 at 3:10 PM (Merged)
Avatar
JACOBANDNICKOLAS
  • CERTIFIED EXPERT
  • 110,175 POSTS
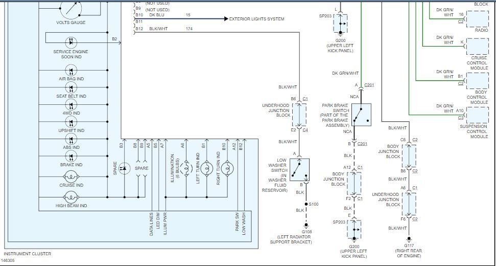
Here is a copy of the schematic for the instrument panel. See if there is anything here that helps. I overlapped the pics so you could follow them.

Joe
May 19, 2021 at 3:10 PM (Merged)
Avatar
CABB1220
  • MEMBER
  • 11 POSTS
Got it. so I had checked all fuses but did not know all big fuses should be hot even when truck was off. the fuse didn't look blown but it was the ignition A fuse. replaced it SUV started right up. guys thanks a lot for all your help.
May 19, 2021 at 3:10 PM (Merged)
Avatar
JACOBANDNICKOLAS
  • CERTIFIED EXPERT
  • 110,175 POSTS
Glad you got it running. Let us know if you have questions in the future.

Take care,
Joe
May 19, 2021 at 3:10 PM (Merged)
Avatar
CHEVYSHORTGIRL89
  • MEMBER
  • 1 POST
One day I went to get my kids from school I raised my steering wheel up and when I did my gear lights and message center light turned off. My SUV was still running at that point but as soon as I turn my engine off and I tried to start it again and it would not it just made one click noise. I replaced the brain because i knew it was going bad my spark plugs, fuel pump and filter, and fuel pressure regulator are new, I just replaced those. What could it be? I tried everything. Please someone help I am a single mom of three trying the best I can on my own.
May 19, 2021 at 3:10 PM (Merged)
Avatar
STRAILER
  • CERTIFIED EXPERT
  • 53,855 POSTS
Hello,

It sounds like you have a bad connection at the battery or the battery went bad. I would check the connection first. Here are two guides that will help you see what to look for:

https://www.2carpros.com/articles/everything-goes-dead-when-engine-is-cranked

and

https://www.2carpros.com/articles/car-battery-load-test

Please run down these guides and report back.

Cheers, Ken
May 19, 2021 at 3:10 PM (Merged)
Avatar
CAMILLEON
  • MEMBER
  • 16 POSTS
Recently changed water pump and now car will not start. Battery starter and alternator working. Lights come on. No crank no start.
May 19, 2021 at 3:11 PM (Merged)
Avatar
ASEMASTER6371
  • CERTIFIED EXPERT
  • 52,796 POSTS
Good morning.

How did you test the starter if it does not crank? Did you cross the terminals on the starter?

Is the security or theft light on all the time with the key on?

This sounds like the starter is having problems or the battery needs to be load tested these guides can help us fix it.

https://www.2carpros.com/articles/starter-not-working-repair

and

https://www.2carpros.com/articles/car-battery-load-test

Check out the diagrams (Below). Let us know what happens and please upload pictures or videos of the problem.
May 19, 2021 at 3:11 PM (Merged)
Avatar
CAMILLEON
  • MEMBER
  • 16 POSTS
Thank you for the reply, I was not expecting one until Monday. We are going down the list of suggestions.
We took the starter to AutoZone and had it tested as well as the cable, both testing working. I will let you know the outcome. Again thanks so much for your reply and sorry it me so long to reply.
May 19, 2021 at 3:11 PM (Merged)
Avatar
ASEMASTER6371
  • CERTIFIED EXPERT
  • 52,796 POSTS
You are welcome. Keep us updated.

Roy
May 19, 2021 at 3:11 PM (Merged)
Avatar
DBLAIR6899
  • MEMBER
  • 1 POST
Was driving came to stop at red light when car shut off, no power at all no lights on dash or hazard lights. Have changed the fuel pump, the fuel filter, replaced the battery. The car will turn and sounds like it wants to start but never catches and starts. The lights on the dash do not light up either. Was thinking it might be the computer box or the electronic ignition. I am at a loss which way to go from here.
May 19, 2021 at 3:11 PM (Merged)
Avatar
JACOBANDNICKOLAS
  • CERTIFIED EXPERT
  • 110,175 POSTS
Hi and thanks for using 2CarPros.com.

Since the only thing that works is the starter and nothing other lights up, I need you to check the main fuses located under the hood in the fuse block. I have attached pictures of it as well as what each fuses is for. Focus on the main battery fuses.

Let me know if this helps or if you have other questions.

Take care,
Joe
May 19, 2021 at 3:11 PM (Merged)
Avatar
JEANSIMMONS993
  • MEMBER
  • 14 POSTS
On a 3 prong ignition coil that fits a 99 chevy tahoe why is it that the pink wire is hot white wire hot and black and white wire hot when i turn the ignition on. Why does the pink wire make the other two hot?
May 19, 2021 at 3:12 PM (Merged)
Avatar
KENW1
  • CERTIFIED EXPERT
  • 213 POSTS
Thanks for visiting 2CarPros.

It's due to them all being tied in on the primary side of the coil.

The pink wire sends power to all of them and when the white & black wire from the coil driver grounds it collapses the primary field sending spark through the coil wire to the distributor and a pulse to the white wire for the tachometer. You can see how they are tied together in the diagram below.

If you have no spark check for pulse to ground on the white and black wire at the coil using a logic probe. It should flash while cranking. If not I'd suggest a scanner with live data to see if you have signal from the crank sensor.
May 19, 2021 at 3:12 PM (Merged)
Avatar
NIGHTWING037
  • MEMBER
  • 2 POSTS
My SUV was running great. Then I was driving and all of a sudden it shuts off mid drive, sudden loss of power then shut off. After sitting a few minutes it started again. But as soon as I hit the brakes it shuts off again. And again until I get it home replace the alternator that tested bad. And now it slowly turns over but not enough to start. Sometimes it clicks sometimes it turn over very slowly. So I took the starter and battery in both tested. The starter was bad so I replaced it and same problem occurs. I am not sure what I need to do. There are no engine light on. so any ideas?
May 19, 2021 at 3:12 PM (Merged)
Avatar
ASEMASTER6371
  • CERTIFIED EXPERT
  • 52,796 POSTS
Good morning,

The first thing I would do is check the battery voltage. it should be 12.6 volts.

https://www.2carpros.com/articles/car-battery-load-test

This is critical as a low battery will cause all the issues.

https://www.2carpros.com/articles/car-battery-load-test

Roy
May 19, 2021 at 3:12 PM (Merged)
Avatar
NIGHTWING037
  • MEMBER
  • 2 POSTS
Okay, I will check that first thing. I have been reading that a bad positive cable from the battery to the starter could also cause an issue. But I'll check it out and let you know! Thanks for the fast response.
May 19, 2021 at 3:12 PM (Merged)
Avatar
ASEMASTER6371
  • CERTIFIED EXPERT
  • 52,796 POSTS
Sounds like a plan and yes, clean those cables real good of all corrosion.

https://www.2carpros.com/articles/everything-goes-dead-when-engine-is-cranked

Roy
May 19, 2021 at 3:12 PM (Merged)
Avatar
MAALIK
  • MEMBER
  • 1 POST
my 1999 tahoe used to make a humming noise that came from the fule pump. It was starting fine in the morning but that same evening it would not turn over and also i do not hear the humming sound coming from the fule pump. I had the battery checked and it was ok. I also checked the fule pump relay and it looked fine.could it be the fule pump?
May 19, 2021 at 3:12 PM (Merged)
Avatar
JACOBANDNICKOLAS
  • CERTIFIED EXPERT
  • 110,175 POSTS
Chances are it is a bad fuel pump. Especially if you heard a huming from it and now you hear nothing. Before replacing it, make sure it is getting power. If it is, replace it.

This guide will help

https://www.2carpros.com/articles/starter-not-working-repair
May 19, 2021 at 3:12 PM (Merged)
Avatar
CRUTH22
  • MEMBER
  • 1 POST
Our tahoe will try to start but will not turn over completely. The lights work and the radio works. What could be the problem.
May 19, 2021 at 3:12 PM (Merged)
Avatar
PEAR69
  • CERTIFIED EXPERT
  • 1,482 POSTS
This sounds like a low battery or a loose and corroded battery connection. Sometimes the battery connection corrodes in-between the post and the terminal end. You cannot see it unless you remove the wire from the battery. Clean up the wire ends with a little baking soda dilluted in warm water.
Test the voltage of the battery. It should be no less than 12.2 volts. If it is below this figure--like 11.8 volts--then you probably have a bad cell in the battery.
May 19, 2021 at 3:12 PM (Merged)
Avatar
CHRIS SARLES
  • MEMBER
  • 1 POST
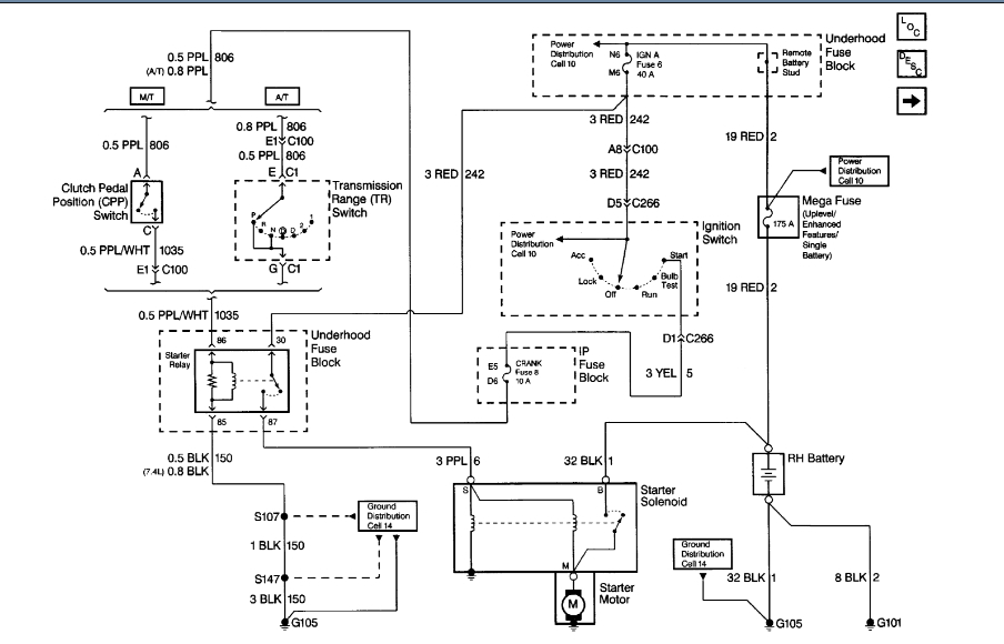
Truck had small, ineffective battery which sometimes my clock would be reset or if I tried to start too many times in too short a period would to start. Other day it would not start but was cranking, it would crank crank crank thunk. Turn key again, same thing. Almost started a few times. Ruined battery. Bought new full size battery and now get nothing, no crank or start. All inside lights work fine, radio etc., cleaned battery terminals, checked fuses, replaced ignition relay, all grounds are attached. Prior to this for three months I had a camshaft position error, (I think. It was cam-something) but it ran okay so did not worry about it. Is it possible I have fried the starter and if so, why am I not hearing a click? It is possible it is the original starter? Old but not too many miles on truck.
May 19, 2021 at 3:13 PM (Merged)
Avatar
ASEMASTER6371
  • CERTIFIED EXPERT
  • 52,796 POSTS
Good morning.

Yes, it is possible the starter is bad.

I would start by going under the truck to the starter motor and check the small purple wire attached to the solenoid. Make sure it has power when the key is in the start position.

If it does, the starter motor is bad.

If it does not we will need to do some electrical checks around the starter relay.

Roy
May 19, 2021 at 3:13 PM (Merged)