fuel gauge not working

1999 CHEVROLET TAHOE
Avatar
SBH123
  • MEMBER
  • 1 POST
Electrical problem I have replaced the fuel pump now the fuel gauge is not working. What do I need to do?
Mar 20, 2009 at 10:37 PM
Advertisement
Avatar
STEVESTROUD
  • MEMBER
  • 1 POST
hello, name is Steve, my question is i just installed a delphi fuel pump,and new gt280 wire harness and gas gauge still does not work,please any info would be great

Thanks. Steve
Jan 26, 2013 at 9:11 PM
Avatar
STRAILER
  • CERTIFIED EXPERT
  • 53,854 POSTS
Hello,

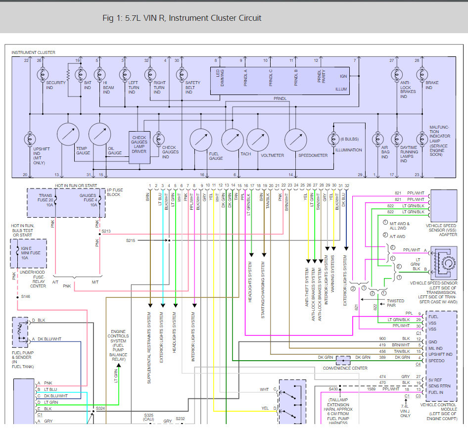
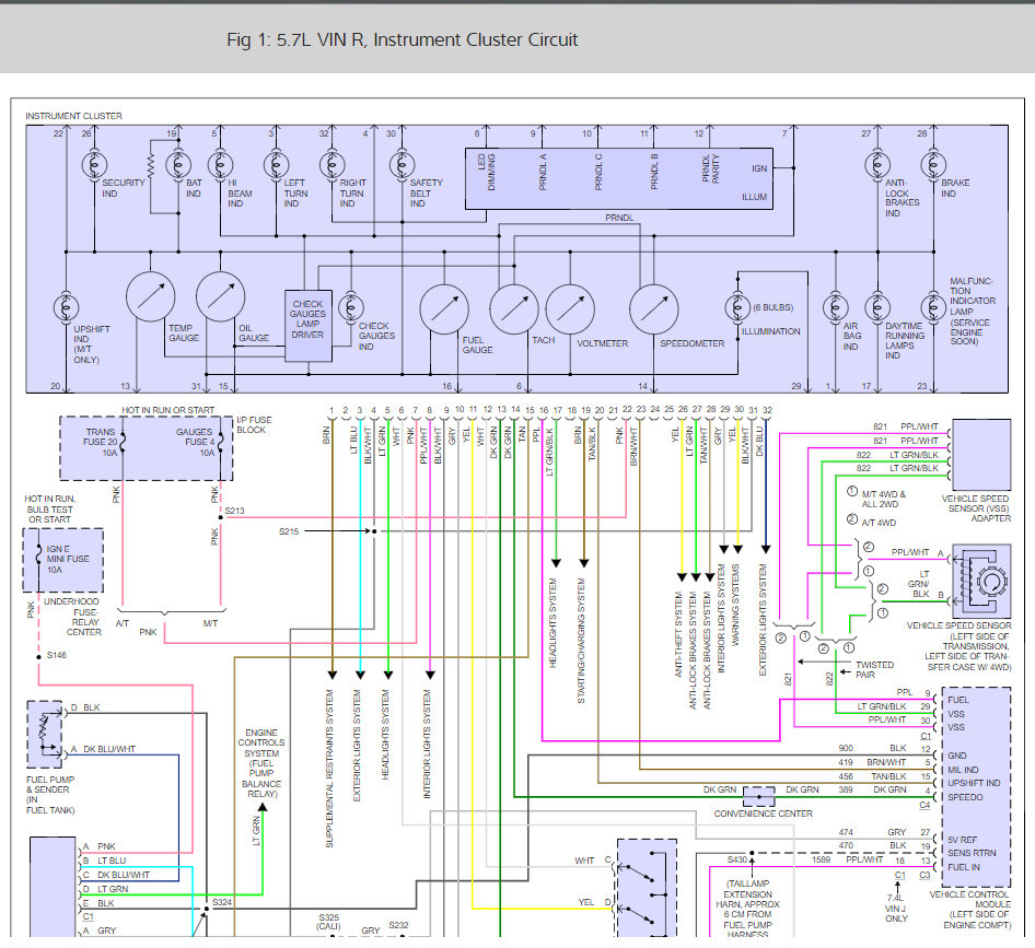
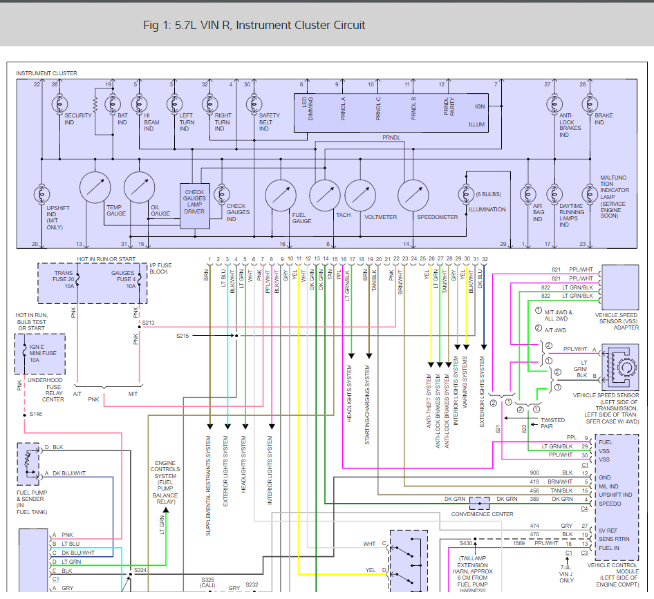
There is a fuel pump balance module that goes out in these cars, Here is a fuel pump wiring diagram and location of the module so you can test through the module do and replace the module if bad.

https://www.2carpros.com/articles/how-to-check-wiring

Please let us know what happens so it will help others.

Cheers, Ken
Aug 17, 2017 at 8:41 PM
Advertisement
Avatar
SKYHARBOR
  • MEMBER
  • 0 POST
Yep I had the same problem and I replaced the fuel pump module and all fixed. Thanks!
Apr 11, 2018 at 9:57 AM