No brake lights

1996 CHEVROLET TAHOE
120,000 MILES • V8 • 2WD • AUTOMATIC
Avatar
BUDSOW
  • MEMBER
  • 1 POST
No brake lights and the bulbs are not burnt out.
Jan 24, 2010 at 8:14 PM
Advertisement
Avatar
BLUELIGHTNIN6
  • CERTIFIED EXPERT
  • 16,542 POSTS
Hello,

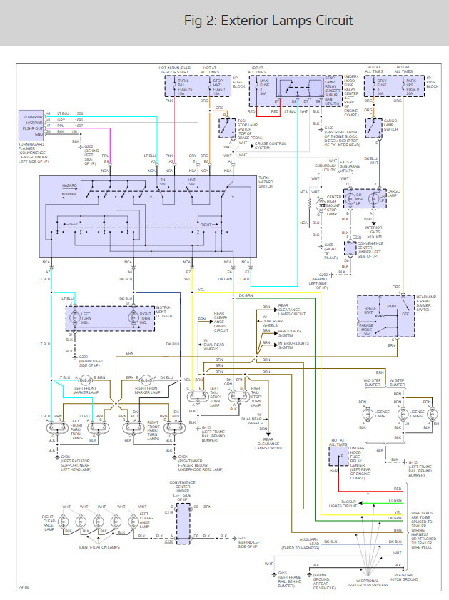
There is a stop lamp switch relay that sounds like it has gone out, but to be sure lets run a test using this guide.

https://www.2carpros.com/articles/how-to-check-an-electrical-relay-and-wiring-control-circuit

Check out the diagrams (below). Please let us know what happens.

Cheers
Jan 24, 2010 at 9:12 PM
Avatar
CFESKANICH
  • MEMBER
  • 1 POST
Four wheel drive automatic.

My SUV still has no brake lights. I have changed all fuses, and bulbs also put in a new brake switch and the mechanism blinker switch. Traced wires finding they all have current. What else should I check?
May 30, 2018 at 12:08 PM (Merged)
Advertisement
Avatar
MHALL01
  • MEMBER
  • 1 POST
My 1999 Tahoe we have to push the hazard button to get the brake lights to work! do not know if it will work on yours on not! Push the hazard button in then turn them off and check your brake lights.
May 30, 2018 at 12:08 PM (Merged)
Avatar
UTHNKUNOME27
  • MEMBER
  • 43 POSTS
So down under the dash at the top of the brake pedal is a brake light switch. Did this get replaced? See if the orange wire it hot. If so, check to see if the white wire has power to it once the brake pedal is pressed in. Or to be easier just run a jumper wire from the orange to the white and see if the lights come on.

If all is good and you have power coming to the back lights when the brakes are pressed in, it should be a ground problem or connector issue under the rear bumper area.

Do you still have blinkers and all that?
Is the third brake light working or not?
Do you have tail lights but no brake lights?

I had a heck of a time with mine. Come to find out my white wire was broken about ten inches past where it comes out of the brake switch just above the steering column (shaft). That was a pain getting to so it could be fixed.
May 30, 2018 at 12:08 PM (Merged)
Avatar
BHOLLING
  • MEMBER
  • 1 POST
I have a 1996 Chevrolet Tahoe (four door, four wheel drive, 5.7L, 170,000 miles). The brake lights and rear turn signals decided to stop working all of a sudden. The brake light bar on top works, but the side lamps do not engage when the pedal is depressed. The front turn signals work, but do not flash. I have replaced all the rear bulbs as well as the combination flasher, that did not fix the problem. I am stumped. Can you offer some advice?
May 30, 2018 at 12:08 PM (Merged)
Avatar
RUSTYCROFT
  • MEMBER
  • 1 POST
It is strange both sides are out at same time but are you certain one was not working before the other? I worked in a shop were we worked on a lot of these trucks. The problems I have seen are the circuit board that the bulbs plug into are very common. Easy to check pull apart rear tail light assemblies and check circuit board for rust or breaks in circuitry. Could also a wiring harness that goes to the brake light switch it is a pain to get to. The harness is up under dash by pedal follow wires from switch and the harness rubs against steering column brace. Good luck if it is that because it is a pain to repair.
May 30, 2018 at 12:08 PM (Merged)
Avatar
LOU1234
  • MEMBER
  • 1 POST
Changed my stop switch under pedal, checked fuses, no brake lights. All my other lights work accept brake and hazard. any help would be awesome. thanks
Dec 23, 2020 at 1:35 PM (Merged)
Avatar
CARADIODOC
  • CERTIFIED EXPERT
  • 34,306 POSTS
There are multiple fuses, but only one also affects the hazard light circuit. Thank you for including that observation. Check fuse number one in the inside fuse box. It is a 15-amp. It should have twelve volts on both of its test points all the time. If you find that, check for twelve volts on the orange wire at the brake light switch. Tell me what you find, then I will figure out where to go next.
Dec 23, 2020 at 1:35 PM (Merged)
Avatar
AL ALFINEZ
  • MEMBER
  • 1 POST
stop lights won't function when brakes are applied.
Dec 23, 2020 at 1:35 PM (Merged)
Avatar
DANNY L
  • CERTIFIED EXPERT
  • 5,648 POSTS
Hello, I'm Danny.

First thing you should do is check the stop/hazard fuse in location #1 in the fuse box on left side of dash. Here is a tutorial showing how to check:

https://www.2carpros.com/articles/how-a-car-fuse-works

https://www.2carpros.com/articles/how-to-check-a-car-fuse

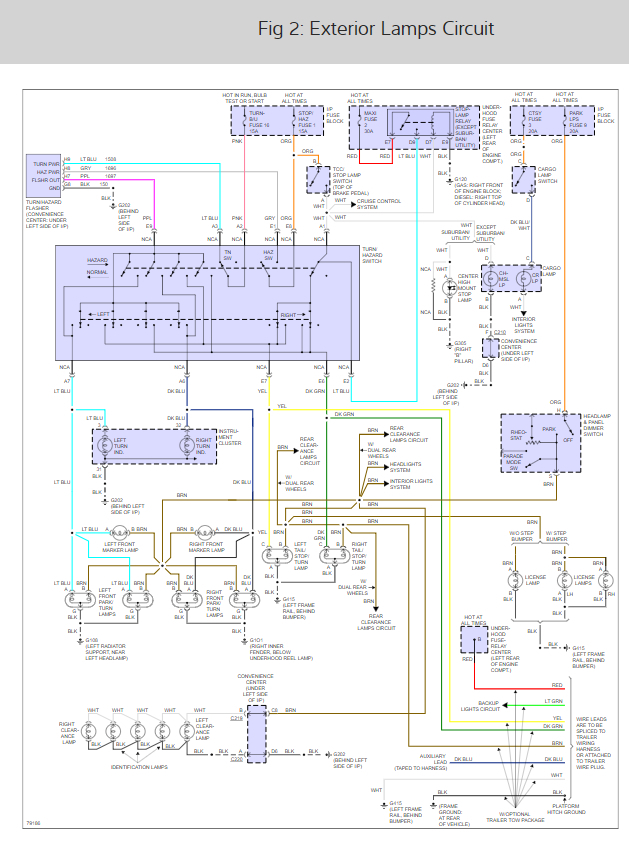
If fuse checks out good it would then likely be the brake light switch. I've attached pictures below.Hope this helps and thanks for using 2CarPros.
Danny-
Dec 23, 2020 at 1:35 PM (Merged)
Avatar
SCNM7761
  • MEMBER
  • 1 POST
My brake lights will not work but my cyclops will work. I have checked all the fuses and the only one that I have a problem with #19, #20 fuse

I have replaced both bulbs and all the fuses and still does not work. When I put a fuse into 19, 20 it pops the fuse. 19 says Radio Batt and 20 is PRNDL which I don't know what that means. please help
Dec 23, 2020 at 1:35 PM (Merged)
Avatar
ASEMASTER6371
  • CERTIFIED EXPERT
  • 52,796 POSTS
it means there is a short in the system somewhere and you need to have it checked for the failure and repaired.

start there, it may control your brake lights.

Roy
Dec 23, 2020 at 1:35 PM (Merged)
Avatar
LORETTA47
  • MEMBER
  • 1 POST
Brake lights will come on when first depressed, then will not come on after the first engagement. All other lights, signal lights, headlights, and bright lights come on. Emergency flashers will not come on.
Dec 23, 2020 at 1:35 PM (Merged)
Avatar
STRAILER
  • CERTIFIED EXPERT
  • 53,855 POSTS
Hello,

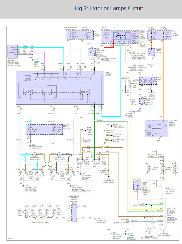
There is a stop/hazard fuse that needs to be checked for power. Here is the brake light wiring diagrams so you can see how the system works and a guide to help you see how to test for power with the fuse location as well:

https://www.2carpros.com/articles/how-to-check-a-car-fuse

Check out the diagrams (below). Please let us know what happens.

Cheers, Ken
Dec 23, 2020 at 1:35 PM (Merged)
Avatar
1997TAHOE
  • MEMBER
  • 1 POST
1997 Chevy Tahoe 150000 miles

Brake lights not working with the following diagnoses:
1) Fuse test good.
2) No power detected at brake light switch.

How do you trace where the loss of power between the fuse and brake light switch?
Dec 23, 2020 at 1:35 PM (Merged)
Avatar
SMULLIGAN
  • MEMBER
  • 3 POSTS
Are both break lights out? I just had this problem with one of mine. We went through everything, not the fuses, not the tow harness, appeared to have a good ground (tow harness area). After everything I pulled one break light (the one working) and plugged it into the wire harness or light that was out. It worked. Kragen had the replacement part on the shelf. $40. The electrical piece the lights plug into that plugs into the truck harness was faulty. Since, I've heard other state they had to replace and gave it to the dealer to figure out. I was really happy to fix an electrical problem on my own. Let me know more if you have details.
Dec 23, 2020 at 1:35 PM (Merged)