Turn signal not working

1999 CHEVROLET SUBURBAN
210,000 MILES • V8 • 4WD • AUTOMATIC
Avatar
MYBEAMERISTHEBEST
  • MEMBER
  • 1 POST
I have noticed now that wehn I have my head light on my left trun signal wil not flash. If I trun off the light it will work again but all of the dash lights bling with the turn signal. I have also noticed that the third brake light is always on. Also when I am Getting out and I step on the brake the warning buzzer saying I have left my headlights on buzzes. And last Now the cruse control is not working. I know this is a lot of things wrong but they all started around the same time and I think it is a common problem. Can you tell me what may be wrong. Thanks in advance
Jan 17, 2009 at 4:47 PM
Advertisement
Avatar
RASMATAZ
  • CERTIFIED EXPERT
  • 75,992 POSTS
Have the brake light circuit checked and especially the turn/hazard switch

Heres a guide on testing wiring, it will help

https://www.2carpros.com/articles/how-to-check-wiring

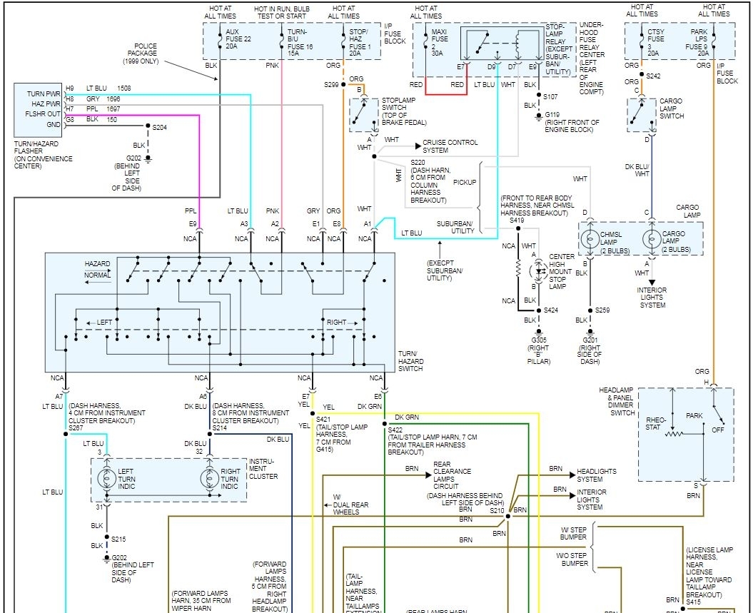
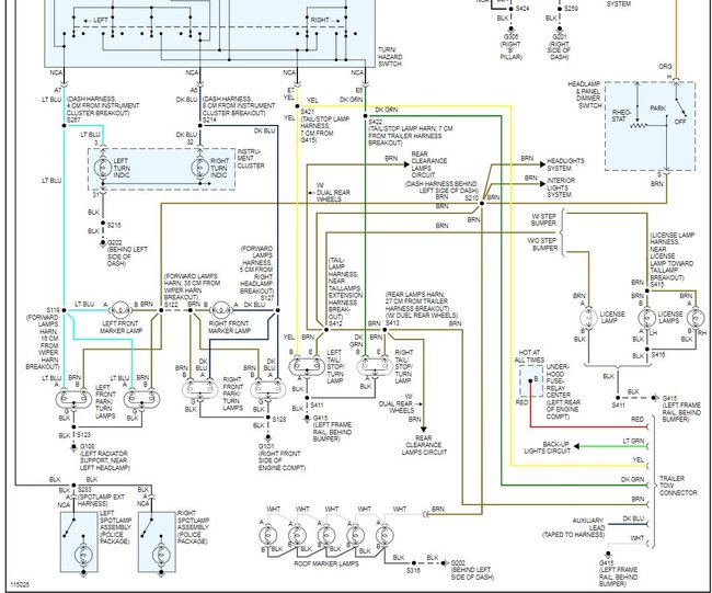
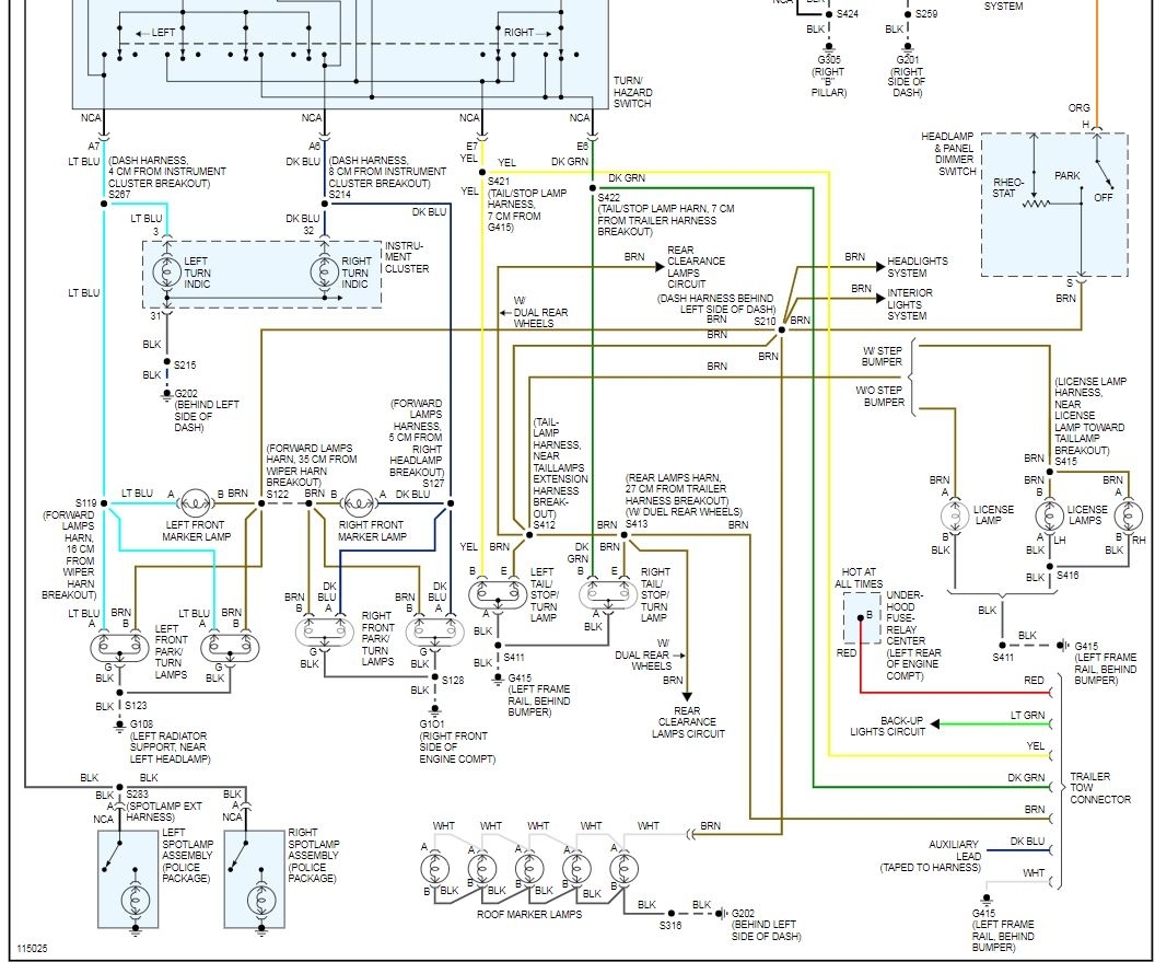
Wiring diagram is attached below
Jan 17, 2009 at 5:02 PM
Avatar
TIMNMARY
  • MEMBER
  • 2 POSTS
Electrical problem
1999 Chevy Suburban Two Wheel Drive Automatic

I have replaced all 4 signal lights and replaced fuse twice. It still is blowing fuses
Apr 23, 2019 at 6:48 PM (Merged)
Advertisement
Avatar
JDL
  • CERTIFIED EXPERT
  • 16,098 POSTS
Welcome to the forum, do the lower brake lites work ok? The lower brake lites and turn use the same wiring circuit from the turn switch to the rear, just not at the same time.
Apr 23, 2019 at 6:48 PM (Merged)
Avatar
TIMNMARY
  • MEMBER
  • 2 POSTS
No they don't in fact, The problem seems to have rectified itself with the signal lights, but the brake lights still don't work
Apr 23, 2019 at 6:48 PM (Merged)
Avatar
JDL
  • CERTIFIED EXPERT
  • 16,098 POSTS
Does the high-mount brake lite work? Starting to look like a problem with the turn switch or wiring circuit in the steering column. The orange wire to the brake switch, is hot all the time. When the brake switch is activated, the white wire carries that voltage to the turn switch, for the lower brake lites.


https://www.2carpros.com/forum/automotive_pictures/170934_suburban_wiring_1.jpg

Apr 23, 2019 at 6:48 PM (Merged)
Avatar
52CIT
  • MEMBER
  • 2 POSTS
Vehicle as above: right turn signal works fine, but when selecting the left turn signal the entire "emergency flasher/hazzard lights" system flashes - not just the left turn indicator lights. I checked all the bulbs and all fuses and even pulled the dash and looked for any loose or contacting wires - none found. This started about three weeks ago, and during that period of time this has happened four times but the fault usually corrected itself after a couple attempts at using the left signal. Today, after about an hour of driving around town, it started again and has not corrected itself. During todays incident, I attempted to wiggle the emergency flasher and cycled both the left and right turn signal numerous times to no positive result. I think this car has two flasher (one for turn signals and one for the hazzard lights) but this problem is so different than any other turn signal/flasher problem I have had. Though I am an above average wrench, electrical stuff (especially around air bags) really is my weak link. I suspect a short or maybe bad turn signal switch itself. Could you folks offer any solid ideas or guidance from your end?
Apr 23, 2019 at 6:49 PM (Merged)
Avatar
2CARPRO JACK
  • CERTIFIED EXPERT
  • 11,533 POSTS
That sub has a turn signal/flasher module in the fuse panel on the left end of the dash.Test the dark green wire for power when left signal is on, if ok then the module is bad.
Apr 23, 2019 at 6:49 PM (Merged)
Avatar
52CIT
  • MEMBER
  • 2 POSTS
[quote:5ac328ab42="2CarPro Jack"]That sub has a turn signal/flasher module in the fuse panel on the left end of the dash.Test the dark green wire for power when left signal is on, if ok then the module is bad.[/quote:5ac328ab42]
Jack, Thanks for the quick reply. I have a couple points I need answered if possible. I removed the lower decorative cover from below the steering column as well as the decorative dash cover from above the column and got a great view of the back of the fuse panel. As you know there are multiple green wires to include a "very" dark wire (sooo dark it looks blue/black) that I think may be your "dark Green" wire which leads to the back of 10amp "Left Turn Signal" fuse. Is that the one you reference? Also, next to that fuse location on the cockpit edge of the back of the fuse panel is a plastic box label GM part # 15764135. Is that the "module" you refered to? As for testing, my plan is to pierce the wire mentioned above with my tester when the left turn signal is flashing everything (basically the Hazzard light system). If I test the wire and end up replacing the module you mentioned and it does not solve the issue, do I move to the "turn signal" switch on the column? Finally, since it has warmed up here in Texas over the last couple days, the propblem has gone away. Does that temp factor seem to coincide with your module problem diagnosis? Much appreciate your help. I'll be back with more questions and donations. Thanks. Louie Braun
Apr 23, 2019 at 6:49 PM (Merged)
Avatar
2CARPRO JACK
  • CERTIFIED EXPERT
  • 11,533 POSTS
The wire to the fuse is power in.To find the wire go to the turn sig switch plug, should be less wires there to confuse. The circuit board may be shorting and has expanded enough with the heat to not do it
Apr 23, 2019 at 6:49 PM (Merged)
Avatar
KSUTTORP
  • MEMBER
  • 1 POST
I, too, have the same problem with my suburban. Did this information solve the problem?
Apr 23, 2019 at 6:49 PM (Merged)
Avatar
89SIGO
  • MEMBER
  • 12 POSTS
I have a 2000 chevy Suburban (Late Model, 4WD LT 1500). Occasionally, there will be a clicking noise from under the dash. It makes a clicking sound and am guessing it's a solenoid. When using the turn signals or emergency flashers, the same sound is made...except that is starts and stops intermittently all by itself. No lights flash...just the sound is made. The vehicle just started doing this last week.
Apr 23, 2019 at 6:49 PM (Merged)
Avatar
89SIGO
  • MEMBER
  • 12 POSTS
[quote:c2227edaba="89sigo"]I have a 2000 chevy Suburban (Late Model, 4WD LT 1500). Occasionally, there will be a clicking noise from under the dash. It makes a clicking sound and am guessing it's a solenoid. When using the turn signals or emergency flashers, the same sound is made...except that is starts and stops intermittently all by itself. No lights flash...just the sound is made. The vehicle just started doing this last week.[/quote:c2227edaba]

I resolved this issue by replacing the turn signal multi-function switch $110 via online parts store. I found it helpful to have a single key in the ignition with no extra keys to get the way; also put on your emergency brake.

General instructions: First. REMOVE the fuse for the airbag (fuse panel on left side of the dash) and disconnect the battery. Remove the steering column plastic case by removing the two screws from the underside (you'll need a torx bit). Remove the triangular plastic tilt wheel lever by using pliers and giving a quick pull; keep it handy though to tilt the wheel as needed. The top and bottom halves of the shell that scovers the sterring wheel /key area are snapped together; you have to gently twist and manuever the back half to separate the botton from teh top. The top one has one screw that is very hard to get to and I tugged and snapped a piece of theplastic to get the top cover ( it just snaps in and out). After the cover was off...I could see the one screw that I did not have a tool for anyway. A special torx socket would be needed to get this one out. Remove the dash face plate (4 screws) and the lower dash kick plate (2 screws) Once removed there is a steel cover/shield at the base of the steering column attached to the fire wall with 4 10mm nuts. Once all this is removed you can access the wire harness. Remove teh one one screw in the wiring harness and you then can release 2 of the 4 wiring connections. Take note of where all 4 connections are replace them accordingly. The multi function switch itself is held on by a two screws. One torx screw is on top and easyily comes out; the other is behind the steering wheel. Teh required tool is likley a torx allen wrench with a 90 degree bend; I used a closley fited allen wqrench and was lucky to get this screw out. About now is when your back ache begins. Keep note of your steps to do in reverse when puting it all back together. It took me about two hours to take apart and replace.
Apr 23, 2019 at 6:49 PM (Merged)