door lock relay location

1999 CHEVROLET SUBURBAN
Avatar
BIGMIKE2
  • MEMBER
  • 6 POSTS
When using key-less entry button or switch on driver's side I can not lock or unlock any of the four doors. When I push the button it seems like the power output to the door lock actuator is not powerful enough to actuate the solenoid to move the lock switch. When moving the switch manually it seems like it is relatively hard to move.The more times that I push the button in succession the weaker the actuator seems to be. I have a hard time believing that all door lock actuators would fail at once. I notice that when I activate the switch that there is a clicking under the dash somewhere in the proximity of the steering column. I am wondering if there is some sort of a relay/capacitor module or something that needs to be replaced? Is there a way that I can use a 12 VDC jumper to energize and test each door lock actuator? Have you ever heard of the mechanism needing to be lubed so that it moves more easily?

But the keyless entry system and the switches in the door panel give me the same result. A clicking sound by all of the door lock actuator solenoids but what appears to not be enough power to move the lock mechanism into the locked or unlocked position. I am getting the identical results from either using the keyless entry or the switch in the door panel. It appears that the keyless entry system transmitter is working just as well as the switch in the door panel. The test below is only for inoperative keyless entry transmitters. The problem appears to be not enough energy to move the locks. Could it be that the mechanism has become too stiff for the system and neds to be lubed? Is there a body control electrical module that could be the problem and if so where is it located? Do the door lock solenoids work on 12VDC or do they get a boost from a capacitor or something in the system that is failing to provide enough power to energize the lock solenoids? If I press the button either on the key less or the door panel switch numerous times each successive click of the locking solenoids gets weaker.


When can I expect an answer???and by what means?
Nov 1, 2008 at 1:12 PM
Advertisement
Avatar
MERLIN2021
  • CERTIFIED EXPERT
  • 17,250 POSTS
The door lock actuators work on 12 volts so we need to start at the basics. Let's access one of the door panels so that we can check voltage at the actuator.

https://www.2carpros.com/articles/door-panel-removal

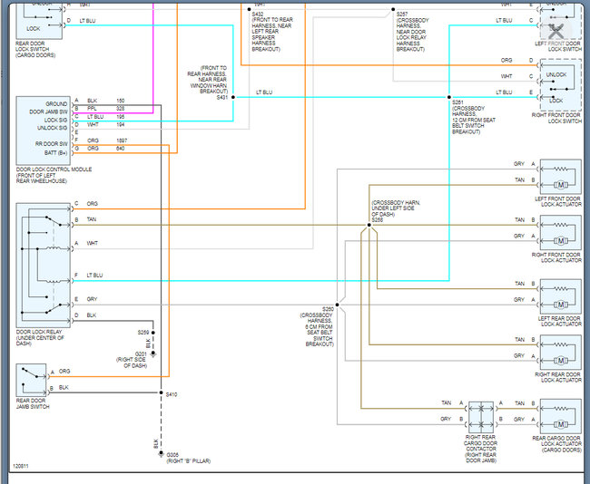
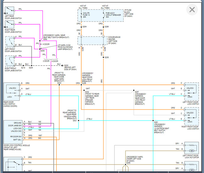
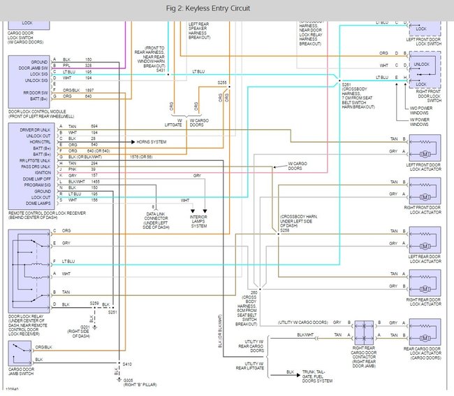
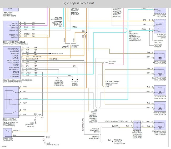
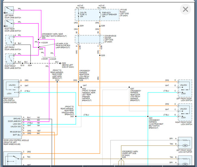
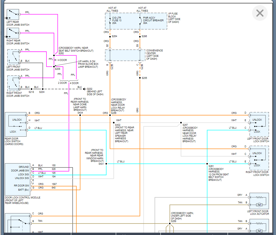
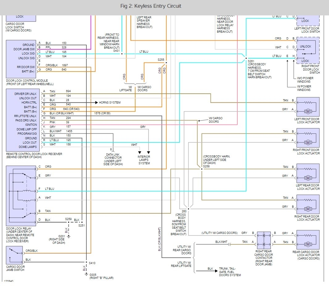
I am attaching the wiring diagram below but the most obvious cause of this is resistance in the circuit somewhere so we need to start with checking to make sure we have 12 volts.

https://www.2carpros.com/articles/how-to-check-wiring

Below are the wiring diagrams that will help with this. Thanks
Nov 1, 2008 at 1:46 PM
Avatar
BIG JON
  • MEMBER
  • 1 POST
Your story above shows the exact same symptoms that my 99 suburban is showing. Door lock actuators just don't seem to be getting enough power to run, they click and make a 1/2 hearted effort, but don't completely lock or unlock. Did you find an answer?
Dec 5, 2008 at 2:03 PM
Advertisement
Avatar
TOMSLICK
  • MEMBER
  • 2 POSTS
I have a similar problem with a 1998 but only with one door lock assy, which I have replaced and lubed the mechanism and it reacts the same way with the linkage disconnected.Anyone have an answer?'

All locks including the back door won't lock or unlock with the remote or the drivers door switch. Any solution?
Dec 25, 2008 at 5:41 PM
Avatar
STRAILER
  • CERTIFIED EXPERT
  • 53,855 POSTS
Hello,

There is a door lock relay under the dash near the steering column but I would check the system fuses first becasue there are three of them, next I would disconnect each of the lock actuators one at a time and then try the system. I sounds like one of them is shorted causing the others to act up (hard to move)

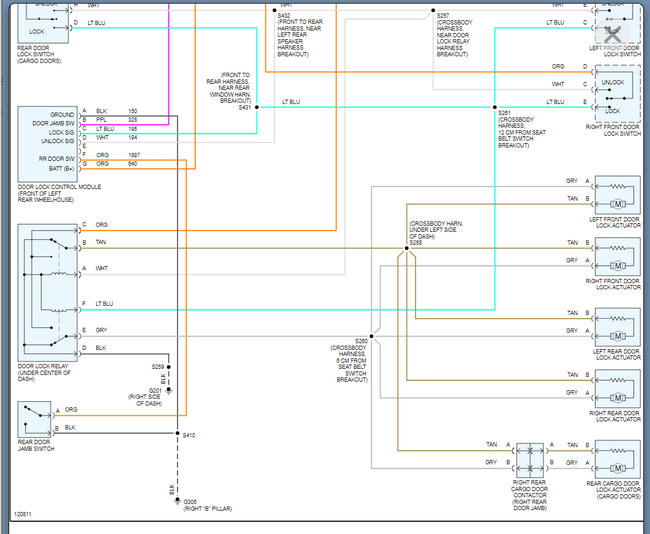
Here is a wiring diagram to help you troubleshoot the problem.

Please let us know what you find so it will help others.

Best, Ken

Apr 4, 2017 at 3:19 PM
Avatar
DZMITRY
  • MEMBER
  • 11 POSTS
Help! I from Belarus, pls help. GMC savana trak 1500, wiped keyless keyless access, which one can replace, what frequency 315 MHz or 433MHz?
Jan 4, 2018 at 6:57 AM
Avatar
STRAILER
  • CERTIFIED EXPERT
  • 53,855 POSTS
Please post your new question here

https://www.2carpros.com/questions/new

Cheers, Ken
Jan 4, 2018 at 11:13 AM