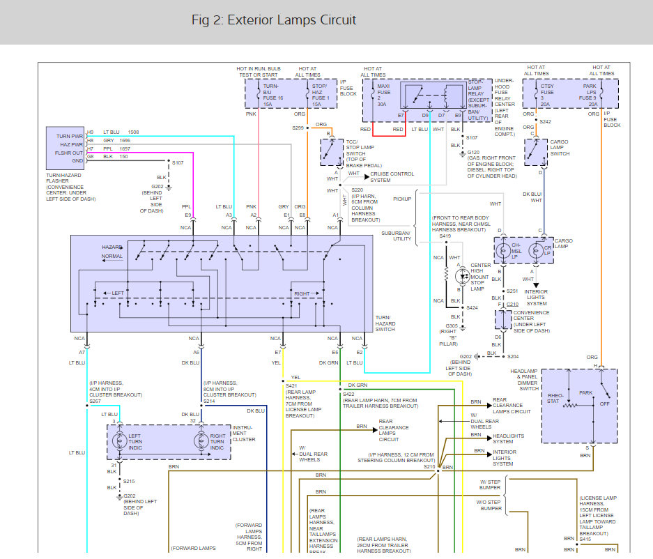
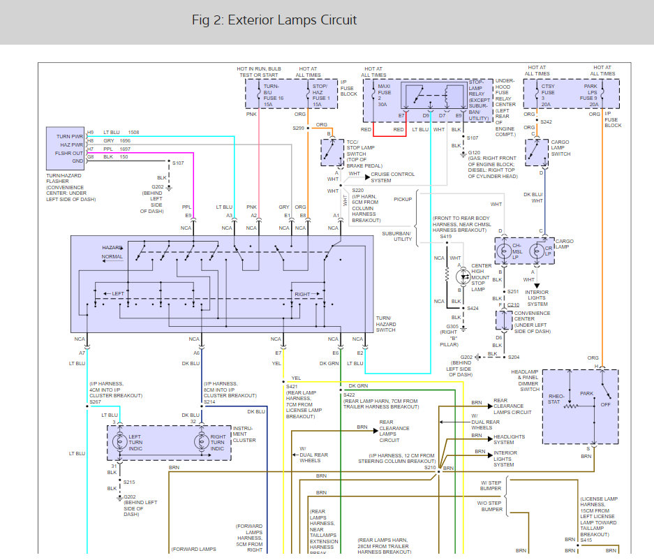
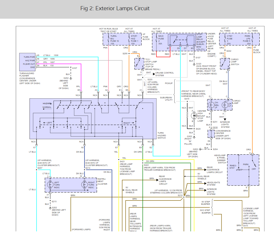
Stupid me was disconnecting my trailer from my Sub last night in the rain and forgot to make sure the car was off completely. There was a short in the wiring and I lost taillights, dash lights and turn signals. Replaced fuses and flash combo relay and got everything back but the turn signals. Hazard lights still work fine so I know the bulbs are good but I can not for the life of me figure out why my turn signals won't come back on. I have no signal indicators on the dash and not signals at all 4 corners. Is there some other relay I should change?
Apr 11, 2009 at 5:16 PM







