Will not idle

1992 CHEVROLET SUBURBAN
Avatar
BSIEV
  • MEMBER
  • 3 POSTS
My truck will not idle in or out of gear. However, if I turn the steering wheel It will come out of it from time to time and run fine. If I turn the wheel again it goes right back to rough idle.
Mar 27, 2009 at 7:07 PM
Advertisement
Avatar
JACOBANDNICKOLAS
  • CERTIFIED EXPERT
  • 110,175 POSTS
Has the check engine light ever come on? Here is a guide to help you get the codes:


https://www.2carpros.com/articles/buick-cadillac-chevy-gmc-oldsmobile-pontiac-gm-1983-1995-obd1-code-definitions-and-retrieval-method

Please run down this guide and report back.

Cheers
Apr 5, 2009 at 6:38 PM
Avatar
BSIEV
  • MEMBER
  • 3 POSTS
Yes, it has a code 42.
Apr 7, 2009 at 12:10 PM
Advertisement
Avatar
JACOBANDNICKOLAS
  • CERTIFIED EXPERT
  • 110,175 POSTS
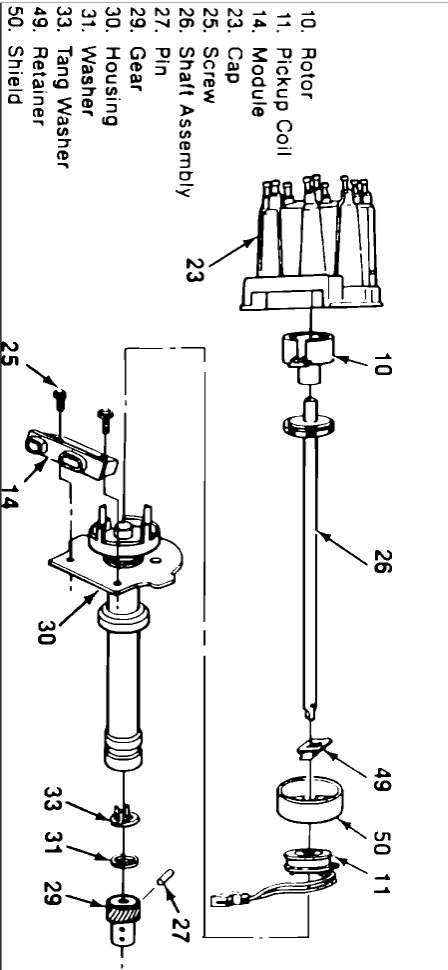
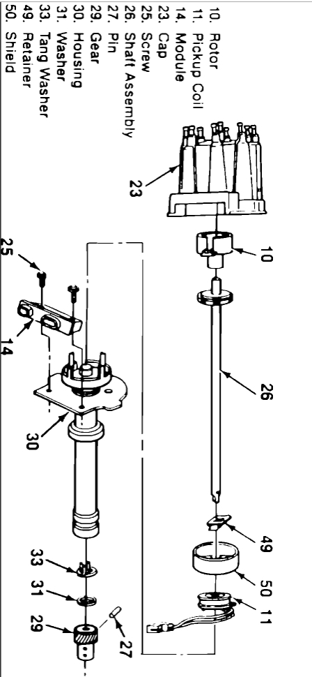
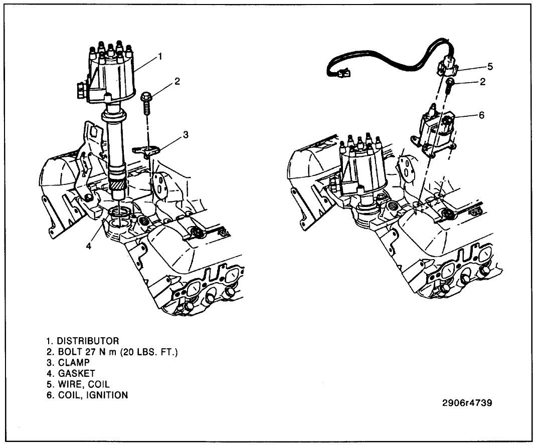
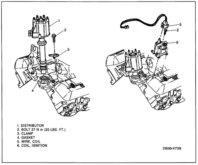
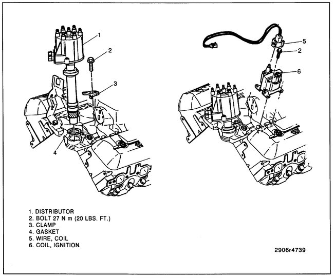
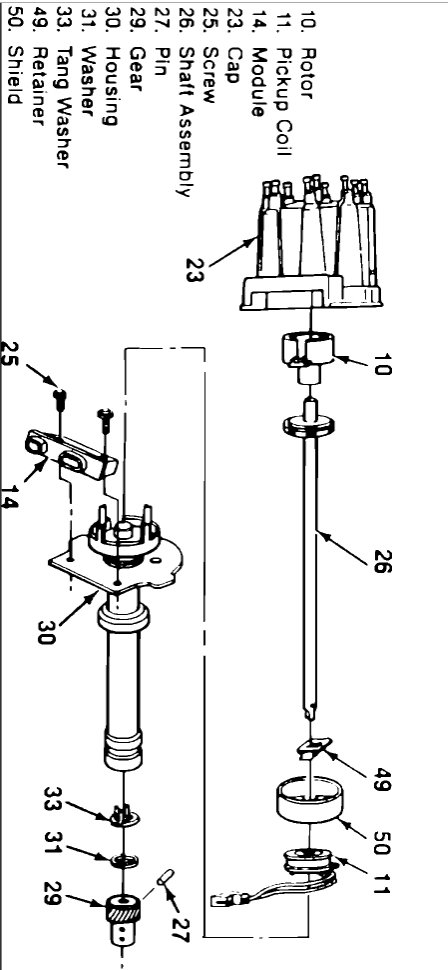
That is a code for the ignition module. Here is a guide to help you change it.

Check out the diagrams (below). Please let us know if you need anything else to get the problem fixed.

Cheers, Joe
Apr 7, 2009 at 2:12 PM
Avatar
KENDRARUSSELL
  • MEMBER
  • 1 POST
I wanted to say thanks. This site has helped me so much. :)
Aug 2, 2018 at 2:27 PM