Speedometer not working can we fix it?

2008 CHEVROLET SILVERADO
Avatar
FREEWAY
  • MEMBER
  • 1 POST
I looked down and the speedo was not working and the transmission started shifting funny what's wrong?
Dec 14, 2009 at 9:18 AM
Advertisement
Avatar
STRAILER
  • CERTIFIED EXPERT
  • 53,854 POSTS
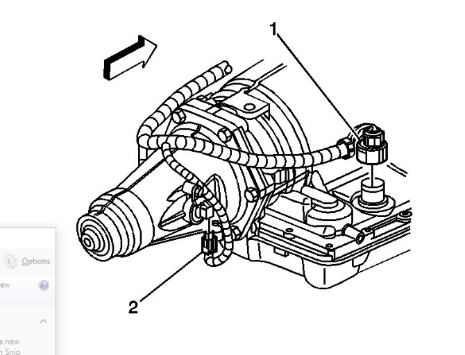
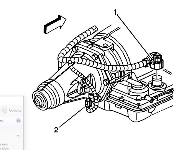
This is common when the vehicle speed sensor goes bad. here is the location in the diagrams below so you can fix it. Check out the diagrams (below). Let us know what happens and please upload pictures or videos of the problem.
Jun 2, 2021 at 12:15 PM
Avatar
BILLY COONEY
  • MEMBER
  • 4 POSTS
I'm having issues with the speedometer, it jumps around the current speed. Usually is jumps from 5 MPH below or above the correct speed. I had the cluster rebuilt and have replaced the VSS on the tailhousing. I'm trying to figure out what else could be causing an issue with this truck speedometer. There are no shifting issues.. Is there any additional data the pcm looks at from other sensors or modules? Are there additional speed sensors or anything else I am missing?
Thanks
Jun 2, 2021 at 12:23 PM (Merged)
Advertisement
Avatar
STRAILER
  • CERTIFIED EXPERT
  • 53,854 POSTS
The PCM process the information from the VSS if the sensor is new and the cluster rebuild with no change chances are the PCM is bad. To be sure lets do a CAN scan which is the future of automotive repair you can get a CAN scanner from Amazon for about $50.00. here is a video to show you how:

https://youtu.be/u-4syLc-ifQ

If nothing comes up here is how to change out the PCM in the diagrams below. Check out the diagrams (below). Please let us know what you find. We are interested to see what it is.
Jun 2, 2021 at 12:23 PM (Merged)
Avatar
BILLY COONEY
  • MEMBER
  • 4 POSTS
The PCM is a rebuild as well. I went through the wiring diagram and checked for voltage from the PCM to the sending unit and I didn't have the 5v from the PCM, so I ordered a rebuilt unit online. Once I have time I'm going to raise the bed and check for voltage at the sending unit connector.
Jun 2, 2021 at 12:23 PM (Merged)
Avatar
STRAILER
  • CERTIFIED EXPERT
  • 53,854 POSTS
sounds good let me know what happens.
Jun 2, 2021 at 12:23 PM (Merged)
Avatar
BILLY COONEY
  • MEMBER
  • 4 POSTS
Thanks Ken.
My brain was jumbled up the other day, fuel sending unit issue that I'm also trying to diagnose, I don't believe the 2 are related. I replaced the PCM already, had the cluster rebuilt and replaced the VSS. Is there anything else that could be causing the speedometer to jump 5 MPH +/- the actual speed, such as the abs wheel sensors?
Jun 2, 2021 at 12:23 PM (Merged)
Avatar
BILLY COONEY
  • MEMBER
  • 4 POSTS
Nope Joe, whenever I commented about raising the bed I was thinking about a different issue. I'm stumped as far as the speedometer issue. The speedometer has been jumping 5 mph +/- the actual speed for a while. First I replaced the VSS due to the speed issue, then I replaced the PCM for another issue and last I had the speedometer rebuilt by a local tech.
Jun 2, 2021 at 12:23 PM (Merged)
Avatar
JACOBANDNICKOLAS
  • CERTIFIED EXPERT
  • 110,175 POSTS
Hi,

The speedometer needle is electrically operated by a stepper motor. You have already done a lot of work and it hasn't changed. What I would suggest is to check the ground for the instrument panel/speedo. Also, if you haven't already, check the connection on the rear of the IP to see if anything is corroded, loose, or damaged.

One last thought. When this happens, try to pay attention to the alternator gauge to see if it fluctuates when the speedo reacts.

I attached two wiring schematic pics for the speedometer/IP. I highlighted the ground I would check just to make sure it is tight, not damaged, and not corroded. The ground is on the left side near the kick panel/A pillar. I had to cut the pic in half to make it readable, but I did overlap them so you can easily follow them.

Check it and let me know what you find. Here is a link you may find helpful:

https://www.2carpros.com/articles/how-to-check-wiring

Let me know what you find.

Take care,

Joe

See pics below.

Jun 2, 2021 at 12:23 PM (Merged)
Avatar
JALVA11
  • MEMBER
  • 1 POST
My speedometer is reading all over the place sometimes not working at all. It reads 30 to 40 miles faster than i am actually traveling
Jun 2, 2021 at 12:23 PM (Merged)
Avatar
MASTERTECHTIM
  • CERTIFIED EXPERT
  • 4,750 POSTS
This is common when the vehicle speed sensor VSS goes out here is the location so you can check it out. Check out the diagrams (Below). Please let us know what happens.
Jun 2, 2021 at 12:23 PM (Merged)
Avatar
DJJAWARREN
  • MEMBER
  • 3 POSTS
The speedometer has been intermittent for some time. Now doesn't work more often than does work. Usually starts showing speeds lower than actual until it finally doesn't register at all. I am trying to remove the cluster from the dash to inspect the wiring but can not get the cable plug out of the back of the cluster.
Jun 2, 2021 at 12:23 PM (Merged)
Avatar
MASTERTECHTIM
  • CERTIFIED EXPERT
  • 4,750 POSTS
if your transmission is still shifting right, that eliminates the vehicle speed sensor and wiring and you will probably need to replace your dash cluster, but you might already know that since you are taking out your cluster. those plugs in the back are held in with snap locks, you need to compress the locks while pushing in on the connector and then pull out. hope this helps
Jun 2, 2021 at 12:23 PM (Merged)
Avatar
DJJAWARREN
  • MEMBER
  • 3 POSTS
Great help , thanks

I got it out.
Jun 2, 2021 at 12:23 PM (Merged)
Avatar
JDPRICE69
  • MEMBER
  • 5 POSTS
I do hear a clicking noise though when I’m driving it. I don’t know what it is. I have tried 3 different dash clusters and they all do the same. And I know they work because I have tested them. But when I hook em up to mind the speedometer does not work at all. It does move a little when you first start it up but other than that it doesn’t.
Jun 2, 2021 at 12:24 PM (Merged)
Avatar
ASEMASTER6371
  • CERTIFIED EXPERT
  • 52,796 POSTS
Good evening,

Is the check engine light on?

Do you have a scan tool for viewing live data? If you do, take it for a ride and see if it shows vehicle speed. That will tell us if you have a signal from the vehicle speed sensor.

If you do not, the check engine light should be on with a 500 code.

Roy
Jun 2, 2021 at 12:24 PM (Merged)
Avatar
JDPRICE69
  • MEMBER
  • 5 POSTS
I changed the speed sensors on the truck when I first got it. It still has noise behind the cluster like the motor is running to operate the speedometer but just isn’t doing so.
Jun 2, 2021 at 12:24 PM (Merged)
Avatar
ASEMASTER6371
  • CERTIFIED EXPERT
  • 52,796 POSTS
Okay, you will need a scan tool to see if there is a signal coming to the ECM. Once the ECM sees the signal, it is sent off to the cluster.

You will need to start there. If you have a signal, then you have either a bad ECM or wiring to the cluster.

If you do not have a signal, then you need to test the wiring from the sensor to the ECM.

https://www.2carpros.com/articles/how-to-check-wiring

Roy
Jun 2, 2021 at 12:24 PM (Merged)
Avatar
JDPRICE69
  • MEMBER
  • 5 POSTS
I hooked my scan to it and doesn’t call for an ECM. And my plug to the back of my dash cluster has been changed before. So I went back and rewired it all and made sure they are all connected and they are.
Jun 2, 2021 at 12:24 PM (Merged)
Avatar
ASEMASTER6371
  • CERTIFIED EXPERT
  • 52,796 POSTS
Does not call for an ECM? Please explain.

Can you read a vehicle speed with the scan tool?

Roy
Jun 2, 2021 at 12:24 PM (Merged)
Avatar
JDPRICE69
  • MEMBER
  • 5 POSTS
Yes, it shows my speed on the scan tool because I just did a live scan just now. So it showed the speed on there. But like i said it doesn’t show anything about ECM.
Jun 2, 2021 at 12:24 PM (Merged)
Avatar
SHO
  • MEMBER
  • 1 POST
Changed transmission and it won’t shift,can only shift manually 1st to 2nd and speedometer doesn’t work. I have changed speed sensors and shift solenoids.
Jun 2, 2021 at 12:24 PM (Merged)
Avatar
ASEMASTER6371
  • CERTIFIED EXPERT
  • 52,796 POSTS
If you see it then the ECM sees the speed.

The issue is either wiring from the ECM to the cluster or it is the cluster itself that is bad.

https://www.2carpros.com/articles/how-to-check-wiring

Roy
Jun 2, 2021 at 12:24 PM (Merged)
Avatar
ASEMASTER6371
  • CERTIFIED EXPERT
  • 52,796 POSTS
Good morning,

Did it not shift prior to the replacement?

https://www.2carpros.com/articles/automatic-transmission-problems

Did the speedometer work prior to the replacement?

Are there any codes set?

The speedometer not working is most likely the issue. Is there a code set for that?

I attached some issues if it was internal.

Please give me as much background information that you can.

Roy
Jun 2, 2021 at 12:24 PM (Merged)
Avatar
JDPRICE69
  • MEMBER
  • 5 POSTS
Okay. I have tried 3 dash clusters and they do all the same with the same ticking sound. So I guess it’s somewhere in the wiring.
Jun 2, 2021 at 12:24 PM (Merged)
Avatar
ASEMASTER6371
  • CERTIFIED EXPERT
  • 52,796 POSTS
Correct. It sounds like it is in the wiring between the ECM and the cluster.

Roy
Jun 2, 2021 at 12:24 PM (Merged)
Avatar
MEDICINE MAN9921
  • MEMBER
  • 2 POSTS
Hey y'all I have have a problem that is driving me nucking futs!!! My 1999 Chevy Silverado 1500 is having problems with the speedometer and the AC. My speedometer is only working when it wants...the needle will sometimes bounce around and then go back to 0mph and stay there. It used to only do it when it got really cold in the mornings, which is only once in a blue moon here in Florida so that's why I ignored it, once my truck warmed up after a few miles, it would start to work again. Now the darn thing doesn't work at all and it hasn't been cold here for a couple of months. When my speedometer isn't working, i noticed that my odometer doesn't either. A few people have told me that the instrument cluster is bad and one person said that it's a sensor that Chevy only used in the '99 model Silverado's becuase it caused what's happening to my truck. I'm out of ideas and getting answers from Chevy is like asking for the keys for Fort Knox. I'd appreciate any and all help with this matter. Thanks!
Jun 2, 2021 at 12:24 PM (Merged)
Avatar
2CARPRO JACK
  • CERTIFIED EXPERT
  • 11,533 POSTS
Any shop with a good scanner can watch the vehicle info when driving it to see if the VSS (vehicle speed sensor) is sending signal out to the PCM. Does the trans shift ok? If so then I would be looking toward the cluster, the trans shifting ok means that the PCM is getting speed signal to tell the trans what to do
Jun 2, 2021 at 12:24 PM (Merged)
Avatar
MEDICINE MAN9921
  • MEMBER
  • 2 POSTS
Thanks! The transmission does shift okay and doesn't seem to have any problems. I was leaning more toward the cluster too. The people that I talked to about the speedometer told me they had to replace the cluster. Thanks again!
Jun 2, 2021 at 12:24 PM (Merged)
Avatar
2CARPRO JACK
  • CERTIFIED EXPERT
  • 11,533 POSTS
Glad to be of help.
Jun 2, 2021 at 12:24 PM (Merged)
Avatar
DANNY L
  • CERTIFIED EXPERT
  • 5,648 POSTS
Hello, I'm Danny.

Just an FYI. The instrument cluster in that model year has an issue with the stepper motors failing or jumping around reading inaccurately. For someone who knows how to repair them they can be easily fixed with newer upgraded stepper motors. Hope this helps.
Jun 2, 2021 at 12:43 PM