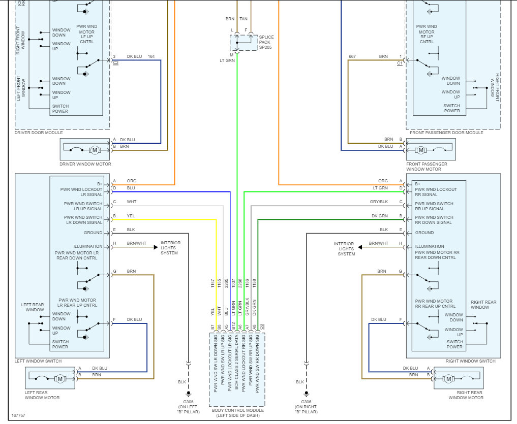
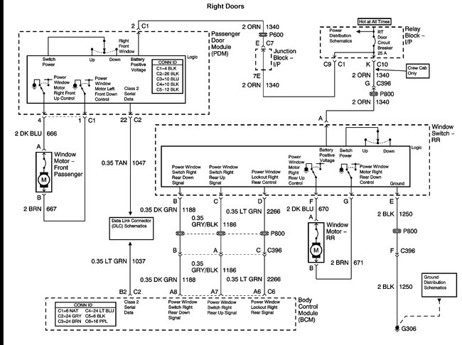
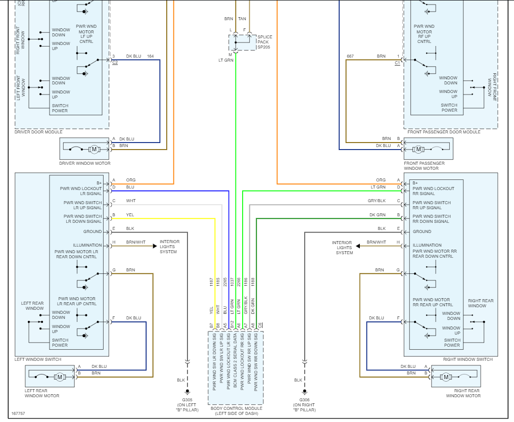
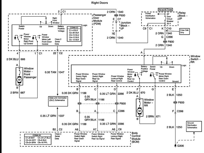
I have a 2004 Silverado 2500HD Duramax Crew Cab truck and last weekend I lowered the passenger window 1/2 way down and exited the truck, when I returned and fired her up, the windows on the passenger side were dead. I tried the driver side and both front and rear are fine. I checked the circuit breaker for the passenger side and it is fine, I actually swapped driver and passenger side with the same results the passenger side is dead. I was able to get the window up by applying 12volts to the window motor, it also lowers just fine, so I ordered a replacement master control and it did not correct the problem. I tried the master control on the passenger side as they have identical connections and the driver side works but not the passenger. Any ideas where I need to be looking, I have checked all the fuses I can find.
Thank you
Thank you
Oct 2, 2010 at 7:42 PM


