Door locks not working properly

2003 CHEVROLET SILVERADO
93,000 MILES • V8 • 4WD • AUTOMATIC
Avatar
STLSTUDENT
  • MEMBER
  • 2 POSTS
My truck listed above has recently been having problems with the locks. It started by unlocking all four doors but when trying to lock, only the two front doors would lock. I checked and changed all fuses which none were blown. I went ahead and put new fuses in it and they worked temporarily and then started doing the same thing. I once again changed a few fuses and it worked for even longer this time before it went out again. but this time they all four would lock but only the front two would unlock.
May 18, 2008 at 3:59 PM
Advertisement
Avatar
MASTERTECHTIM
  • CERTIFIED EXPERT
  • 4,750 POSTS
changing fuse is doing nothing, just coincidence. when the doors are acting up do they look like they are trying to lock (moving a little) or nothing at all? is this problem with the key transmitter or with the switch or both? will they work if activated at each door by itself? get back to us.
May 20, 2008 at 11:28 AM
Avatar
STLSTUDENT
  • MEMBER
  • 2 POSTS
The issue occurs with both the remote and the door panel locks. The back doors (crew cab) do not have power lock buttons on them, only the front two. When they are locked and you continue to hit the lock button you can still hear it 'working' but when you hit the unlock button there is nothing. No sound, no movement. Completely opposite of when you lock them.
May 20, 2008 at 9:17 PM
Advertisement
Avatar
MASTERTECHTIM
  • CERTIFIED EXPERT
  • 4,750 POSTS
this sounds like its a body control module problem and unfortunately we are at the point where you need to check for body control module codeswith a scan tool and this scan tool you need to use is only av ailable at a shop or dealer. sorry i could not have been more help.
May 21, 2008 at 6:48 AM
Avatar
CADIEMAN
  • CERTIFIED EXPERT
  • 3,544 POSTS
Some parts stores will check your codes call around and see. Good luck
Nov 8, 2016 at 11:00 AM
Avatar
ASEMASTER6371
  • CERTIFIED EXPERT
  • 52,796 POSTS
Good morning,

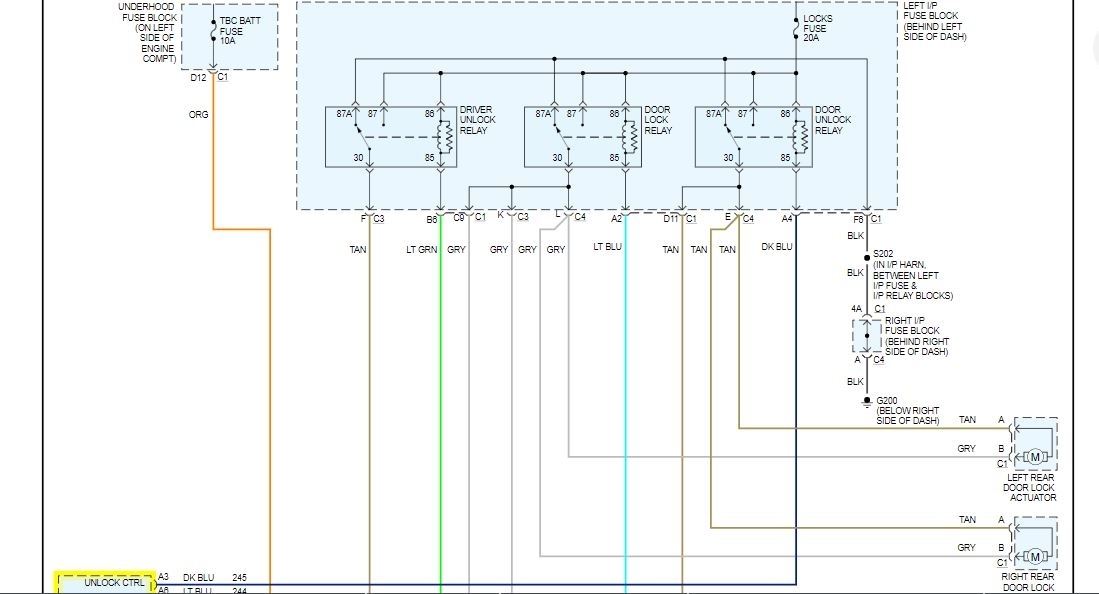
The body control module does control the action of the locks. It looks for a signal from the switches and based on that, it will command the lock actuators to move up or down.

Most likely the body control module is defective and needs to be replaced.

I attached a wiring diagram for you to view the controls.

Roy

Service Programming System (SPS) Pass-Thru Procedure
Pass-Thru programming allows the scan tool to remain connected to the terminal and to the vehicle throughout the programming process. The vehicle must be in close proximity to the terminal while using Pass-Thru.

Performing the Pass-Thru Procedure

Important: The TIS supports service programming with the Tech 2 scan tool only.

1. Launch the TIS application at the terminal.
2. Select the Service Programming System.
3. Highlight the following information on the Select Diagnostic Tool Programming Process screen:
* Select Diagnostic Tool--Select Pass-Thru
* Select Programming Process--Identify whether an existing module is being reprogrammed or a module is being replaced with a new one.
* Select ECU Location--Select vehicle

4. Select Next.
5. Complete all terminal-directed data on the Preparing for Communication/Determine Vehicle screen until Next is highlighted.

Important: In order to reduce the potential for signal loss, the RS-232 cable should not be more than 25 feet long.

6. Select Next.
7. Follow the instructions on the Preparing for Communication screen.
8. Select Next.

Important: The correct vehicle identification number (VIN) must be entered if the VIN does not appear correctly.

9. Verify the VIN on the Validate Vehicle Identification Number screen.
10. Select Next.

Important: When selecting the vehicle configuration index (VCI) programming type, a valid VCI number for the vehicle must be entered. This number may be obtained from the Techline Customer Support.
The correct tire size and axle ratio must be highlighted and a valid VCI number entered if you select Reconfigure for your programming type.

11. If an option screen appears, verify the vehicle configuration and/or RPO information.
12. Select Next.
13. Highlight the appropriate control module and programming type on the Supported Controllers screen.
14. Select Next.

Important: Select Cancel if you receive a message stating that the calibration selected is already the current calibration in the control module and reprogramming with the same download is not allowed.

15. Select the proper calibrations on the Calibration Selection screen.
16. Ensure all the folder tabs have a green check mark.
17. Select Next.
18. Verify the current calibrations with the selected calibrations.
19. Select Next.
20. The Transfer Data screen will appear until the progress bar reaches 100 percent. This may take up to 30 minutes.
21. Complete all of the terminal-directed data on the Programming Complete screen.

Important: Some vehicles will require that Idle Learn, Theft Deterrent Relearn, or Crankshaft Variation Learn procedures be performed after programming. Consult the appropriate service information for these procedures.

22. Turn OFF the Tech 2.
23. Disconnect the Tech 2 from the vehicle.
Mar 28, 2020 at 1:00 AM